Hello, I've been having a problem with the lightning bolt and the traction warning light come on at the same time the car goes into limp mode. The problem is inconsistent. It happens with almost no warning and it doesn't let me reach over 30-45 mph. I have changed the throttle body and the MAP sensor when I first looked into the problem but I know now it can be a lot of things and I also replaced the EGR o-ring from the manifold. The engine light sometimes comes on then turns off after a while. So I took it to AutoZone and got error codes U0100 ,U0103 U1103, p0174, so their system recommended for my PCM to get reprogrammed, could that solve it?
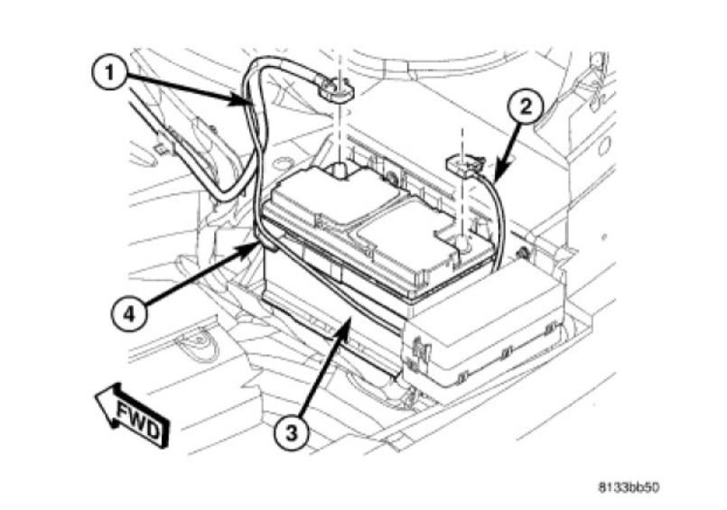
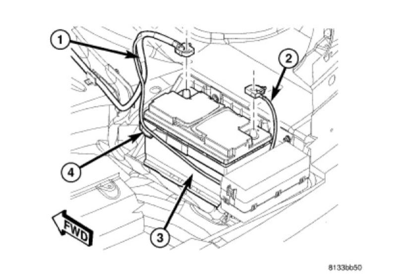
I also got the battery checked and supposedly it's a bad battery. There has been 2 times where it cranks and takes a while to turn on. Most of the time it cranks on without a problem.
I hope I gave enough info to help solve this problem
I would really appreciate any help or advice on how to fix my baby. Thank you and God bless.
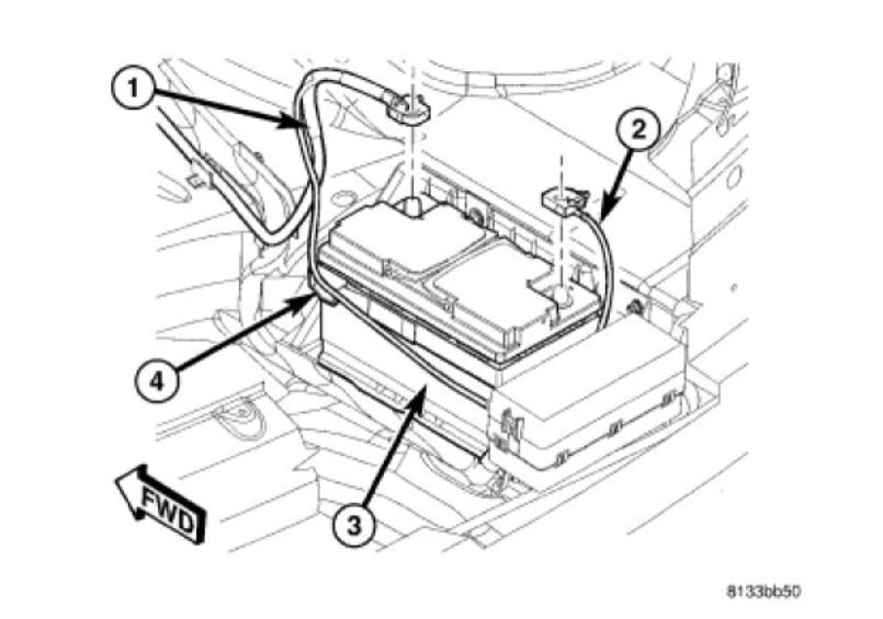
I also got the battery checked and supposedly it's a bad battery. There has been 2 times where it cranks and takes a while to turn on. Most of the time it cranks on without a problem.
I hope I gave enough info to help solve this problem
I would really appreciate any help or advice on how to fix my baby. Thank you and God bless.
Mar 3, 2020 at 9:17 PM
















