Good evening,
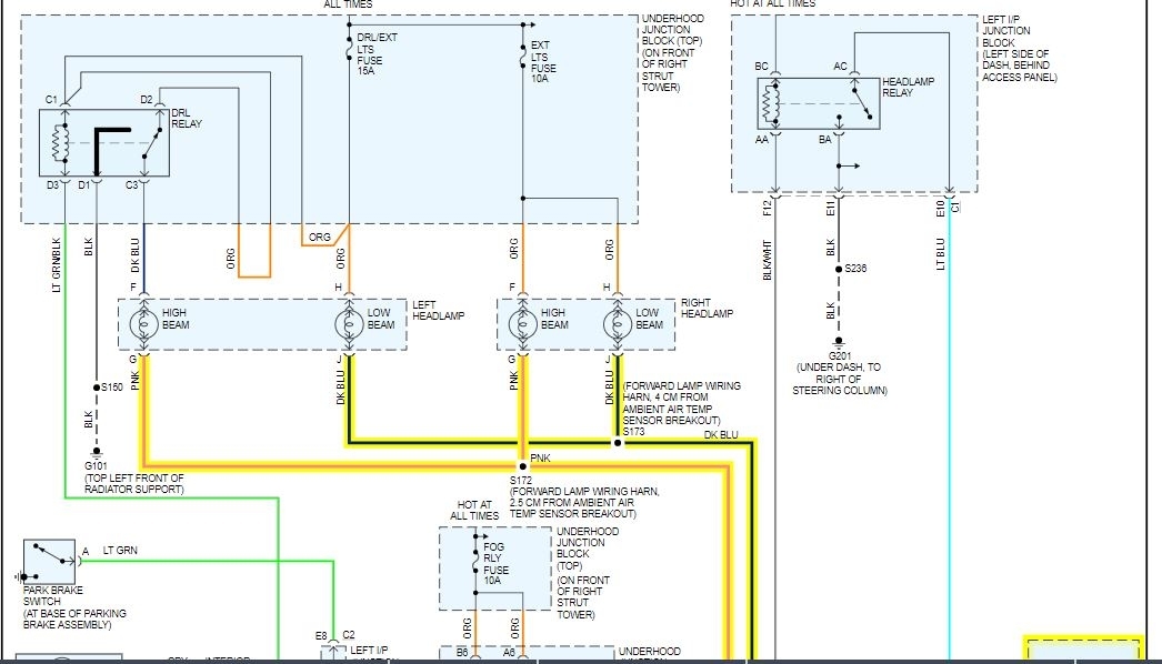
This sounds like the dimmer switch.
When the headlights are commanded on, power is sent to the dimmer switch. Then the dimer switch sends power to the headlights based on the command of low or high beams.
The dimmer switch is part of the multifunction switch or headlight switch. I attached a diagram for you of the system.
Roy
Multifunction, Turn Signal Switch Replacement
Removal Procedure
Caution: Refer to SIR Caution in Service Precautions.
imageOpen In New TabZoom/Print
1. Disable the SIR system.
2. Remove the upper and lower trim covers.
Important: The abrasion sleeve located on the steering column wire harness assembly must be reinstalled. Make note of what connector is coming out of the abrasion sleeve for installation purposes.
3. Remove the wire harness assembly (1) from the wire harness strap (2).
4. Disconnect the turn signal and multifunction switch assembly connector from the SIR system coil connector.
imageOpen In New TabZoom/Print
5. Slide the 2 connectors (2) of the turn signal and multifunction switch assembly out of the bulkhead connector (1).
imageOpen In New TabZoom/Print
6. Remove the 2 pan head tapping screws (1) and (3) from the turn signal and multifunction switch assembly (2).
7. Remove the turn signal and multifunction switch assembly (2) from the steering column tilt head assembly.
Images (Click to enlarge)
Sep 29, 2020 at 4:38 PM