2016 BMW X1 2.0L TURBO
Hi
Hoping could help me out upon finding the interior and exterior fuse box locations ?
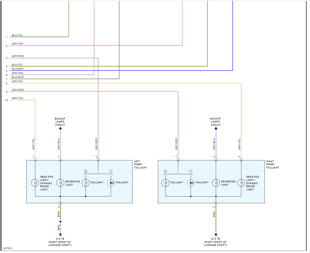
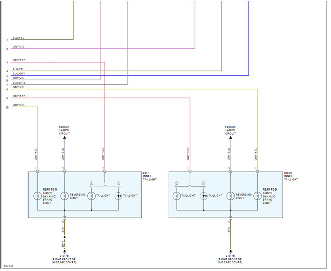
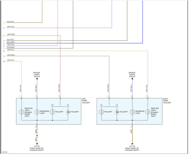
Along with workshop Manuel diagrams of the all lights and indicators wiring?
Am also need to know how to replace hood bonnet release cable as mine has snapped at the end of the cable to the release lever and I can not open the bonnet normally..
So that would really so much help me out majorly too ..
Truly greatly appreciate it ?
Thank you
Kind regards
Michael
Hi
Hoping could help me out upon finding the interior and exterior fuse box locations ?
Along with workshop Manuel diagrams of the all lights and indicators wiring?
Am also need to know how to replace hood bonnet release cable as mine has snapped at the end of the cable to the release lever and I can not open the bonnet normally..
So that would really so much help me out majorly too ..
Truly greatly appreciate it ?
Thank you
Kind regards
Michael
Mar 18, 2026 at 6:13 AM







