headlights not working correctly

2012 HYUNDAI ELANTRA
130,000 MILES • 2WD • AUTOMATIC
Avatar
BBTM1963
  • MEMBER
  • 1 POST
One week my headlight was burned out then following week both brake lights out and now both headlights and brake lights are out. I have checked both fuses and the bulbs only one headlight bulb is burned out. Fuses okay.
Sep 3, 2019 at 9:52 AM
Advertisement
Avatar
ASEMASTER6371
  • CERTIFIED EXPERT
  • 52,796 POSTS
Good afternoon.

The first thing I would do is check the charging system. If the alternator is putting out too much voltage, it will burn out headlights and other bulbs.

https://www.2carpros.com/articles/how-to-check-a-car-alternator

As far as the lights, have you checked for voltage to the headlights?

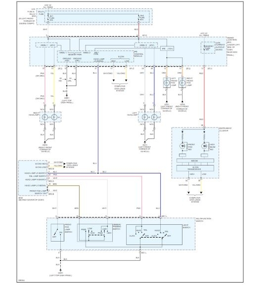
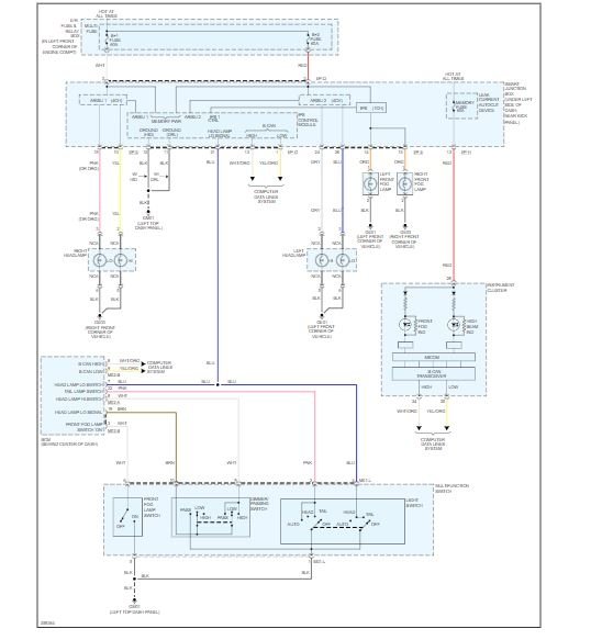
I attached a wiring diagram for you to view. Check the highlighted wires for power with the headlights on.

You may have a failed smart junction box.



Roy
Sep 3, 2019 at 10:01 AM
Avatar
ROCKETMAN007
  • MEMBER
  • 59 POSTS
How precise is the life of headlights? I've had my car for 3 years and only recently changed the headlights within 10 days of one another. That seemed pretty close and they no longer seem to sell headlights in pairs.
Oct 10, 2020 at 7:21 PM (Merged)
Advertisement
Avatar
CARADIODOC
  • CERTIFIED EXPERT
  • 34,306 POSTS
Head light bulbs have never been sold in pairs unless some marketing genius is trying to get you to buy more of his product.

A properly-working charging system will keep the electrical system voltage between 13.75 and 14.75 volts to keep the battery fully-charged. If it runs near 13.8 volts, that is very easy on bulbs, and you can expect them to last a long time. If it runs near 14.7 volts, that tiny little bit more voltage translates into a serious increase in brightness and big drop in life expectancy. If you're going through a lot of head light bulbs due to higher system voltage, you'll be going through a lot of other bulbs too, like tail light and brake light bulbs.

Other factors include how often you use the head lights. If you're smart enough to turn your lights on during the day in winter when white snow and gray roads make for great camouflage, and cars are real hard to see, that will shorten the life of the bulbs. If you have daytime running lights, (for people who like to forget to turn their tail lights on), the head light bulbs' life will also be shortened. Common sense would say to use a ten-dollar relay to turn on the low beams, but the engineers have seen fit to use an expensive, unnecessary computer module to turn the high beams on at 80 percent of full brightness. That means the person in front of you is blinded by yellowish high beam head lights glaring in their mirrors, but to the bulbs, that still translates to decreased bulb life. That's because to run the bulbs at 80 percent, the computer turns them on full brightness for about 95 percent of the time, and fully-off for about 5 percent of the time. That switching on and off occurs around 400 times per second so we don't see it as flicker. Due to the slowly-changing glow of the filaments, we see that as 80 percent of full brightness, but the bulbs see that as being turned fully-on 95 percent of the time.

Basically, three years is not uncommon. The original bulbs in my '88 minivan lasted over 20 years. That also is not totally uncommon. If you go through a lot of bulbs on a regular basis, measure the battery voltage while the engine is running. If it's higher than 14.75 volts, suspect the voltage regulator. If you only burn out a lot of head light bulbs, there's two common things to look for. The biggest cause of repeat failures is touching the glass part of the bulb. Your fingerprint grease will eat through the glass when its hot. New bulbs come with a warning to avoid doing that. The second, less common cause is moisture buildup inside the head light housing. Some manufacturers have service bulletins that describe where and how to drill a small drain hole in the bottom of the housings to prevent that. If you see water sloshing around in the housing, moisture on the backside of the lens, or the old bulb is shattered, suspect the need for a drain hole.

As far as two bulbs burning out at the same time, that is best blamed on coincidence, provided system voltage hasn't recently increased due to a charging system problem. Also, as a point of interest, I've had used bulbs that I've saved from cars I scrapped out. Those always seem to last just a few weeks after they've been sitting on the shelf for a few years. I don't have an explanation for that except that a little air might be sneaking in. That happens with perfectly good tv picture tubes too that have been sitting for years. Those will burn up the air and look good again after a few hours, but air in bulbs will corrode the filaments and cause them to burn out.

Most bulbs do not last nearly as long as they did 20 or 30 years ago, but they typically are brighter now. Life expectancy and brightness are trade-offs. You lose one to gain the other. You might find "longer life" or "increased brightness" splashed on the packaging, but you won't get both.
Oct 10, 2020 at 7:21 PM (Merged)
Avatar
ROCKETMAN007
  • MEMBER
  • 59 POSTS
My point was assuming all else is equal do halogen headlights have a reliable lifespan? They died within 10 days of one another. That is like 1% of 3 years. lol.
Oct 10, 2020 at 7:21 PM (Merged)
Avatar
CARADIODOC
  • CERTIFIED EXPERT
  • 34,306 POSTS
If you mean predictable, no. Their life is a product of the amount of time they're on and the voltage applied to them. The second one burned out because it missed the first one; just like when the stove gives up because it felt sorry for the refrigerator that died last week. Truly coincidence, but it doesn't seem that way.
Oct 10, 2020 at 7:21 PM (Merged)
Avatar
ROCKETMAN007
  • MEMBER
  • 59 POSTS
Well their time on and voltage should be equal. Still coincidence?
Oct 10, 2020 at 7:21 PM (Merged)
Avatar
CARADIODOC
  • CERTIFIED EXPERT
  • 34,306 POSTS
Absolutely.
Oct 10, 2020 at 7:21 PM (Merged)
Avatar
CMCOLMN1
  • MEMBER
  • 1 POST
Low beams won't work. I have checked bulbs, fuses and relays to no avail. Have not checked current at bulb plug but I can hear the relay click when I turn the headlight switch on on the steering column.
Oct 10, 2020 at 7:21 PM (Merged)
Avatar
HMAC300
  • CERTIFIED EXPERT
  • 48,601 POSTS
check yellow wire at headlamp if no power have it scanned for codes there are three different types of headlights so it may be a module or switch problem.
Oct 10, 2020 at 7:21 PM (Merged)
Avatar
TONY REGALADO
  • MEMBER
  • 3 POSTS
Already swapped relays between low and high-beams and both relays are good. Low-beam relay is clicking when I turn on the switch at the wheel. Just checked power at lamps and there is no power getting to the low-beams. Any ideas? Please help.
Oct 10, 2020 at 7:21 PM (Merged)
Avatar
JACOBANDNICKOLAS
  • CERTIFIED EXPERT
  • 110,175 POSTS
If you are hearing a clicking from the relay when turning the wheel, it sounds like there is a short in the steering column. You may have to remove the trim to check for damaged wires.
Oct 10, 2020 at 7:21 PM (Merged)
Avatar
TONY REGALADO
  • MEMBER
  • 3 POSTS
Sorry, maybe I wasn't clear. I hear the relay clicking when I turn on the switch (not wheel). I have checked all the fuses and relays. Everything seems fine, but I'm not getting power to the low beams. Both lights when out at exactly the same time. Any suggestions?
Oct 10, 2020 at 7:21 PM (Merged)
Avatar
KHLOW2008
  • CERTIFIED EXPERT
  • 41,814 POSTS
Seems like there is a break in the wire between the headlight relay and headlight bulb. there is a connector in between, have that checked to ensure the terminals are not bad.
Oct 10, 2020 at 7:21 PM (Merged)
Avatar
TONY REGALADO
  • MEMBER
  • 3 POSTS
Thanks, KHLOW. I will check that. There is an open/break from the relay to the bulb, so hopefully that's the issue.
Oct 10, 2020 at 7:21 PM (Merged)
Avatar
STRAILER
  • CERTIFIED EXPERT
  • 53,854 POSTS
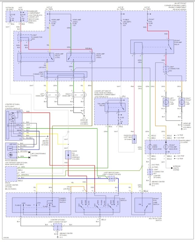
Hey Tony,

I found this wiring diagram for you, please do some testing and get back to us.

Here is a guide that will help

https://www.2carpros.com/articles/how-to-use-a-test-light-circuit-tester

Let us know hat you find.

Best, Ken
Oct 10, 2020 at 7:21 PM (Merged)
Avatar
EMARSHBUCK
  • MEMBER
  • 4 POSTS
Four cylinder front wheel drive automatic 55,000 miles.

My low beams suddenly stopped working. My high beams work fine.

I have checked the fuses, and the bulbs.

Any ideas as to what to look at next?

Thank you,

Ed Marshall
Copley, OH
Oct 10, 2020 at 7:21 PM (Merged)
Avatar
KHLOW2008
  • CERTIFIED EXPERT
  • 41,814 POSTS
Hi Ed,

Thank you for the donation.

Is your vehicle equipped with daytime running lights (DRL)?
Is it with Autolamps?

Check the headlamp relay in engine compartment relay and fuse box). Low and high beams uses different relays for their circuit, try swapping them to test.
Oct 10, 2020 at 7:22 PM (Merged)
Avatar
EMARSHBUCK
  • MEMBER
  • 4 POSTS
The car does not have running lights. It does not have autolamps.

I swapped the fuses for the low and high beam with no success.

What is the headlamp "relay?"

Thank you,

Ed Marshall
Oct 10, 2020 at 7:22 PM (Merged)
Avatar
KHLOW2008
  • CERTIFIED EXPERT
  • 41,814 POSTS
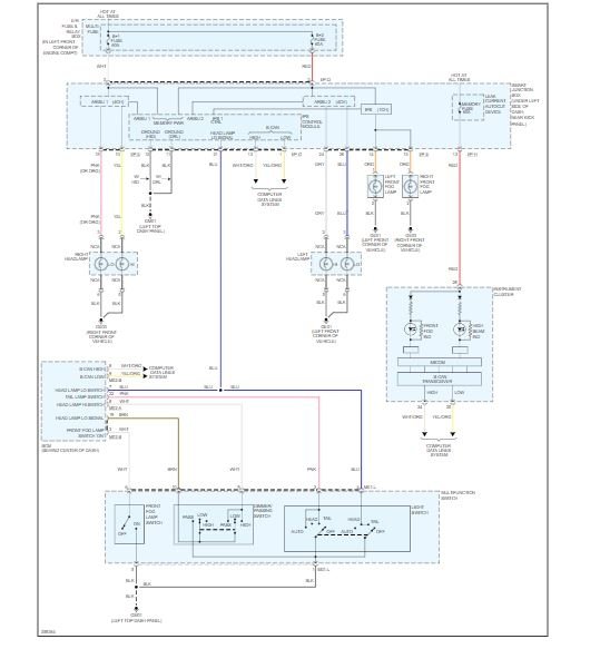
Here is a diagram of the relay box. Swap E48 and E51 and if the low beams comes on and High beam goes off, the relay is bad. If both works now, check the terminals of the low beam for looseness and signs of overheating. If none found, replace the low beam relay, it is failing and intermittently bad.


https://www.2carpros.com/forum/automotive_pictures/192750_RelayBox05ElantraFig48_1.jpg

Oct 10, 2020 at 7:22 PM (Merged)
Avatar
EMARSHBUCK
  • MEMBER
  • 4 POSTS
I swapped the low/high beam relays.

I still only have high beams.

Thoughts? Ideas?

Could there be something wrong with the on/off switch on the handle?

Thank you,

Ed Marshall
Oct 10, 2020 at 7:22 PM (Merged)
Avatar
KHLOW2008
  • CERTIFIED EXPERT
  • 41,814 POSTS
The relays swaps confirms they are in working condition.

Yes, the fault could be with the light switch.

At the light switch, ground the Red wire with a test lamp and check if the low beams comes on. If yes, the light switch is faulty. If light does not come on during this test, get an assistance to licsten for the low beam relay clicking while intermittently grounding the Red wire.

If relay clicks, the fault lies with wiring between the relay and headlamps. When you unplug the low beam relay, there must be two terminals that are hot at all times.
Oct 10, 2020 at 7:22 PM (Merged)
Avatar
EMARSHBUCK
  • MEMBER
  • 4 POSTS
So the light switch at the end of the handle on the steering wheel post. The same handle that is used for left/right signals.

How do I get to it? Do I need to take apart the steering wheel post housing?

This sounds like maybe I need to take it to a dealership or local repair shop.

Do you think a guy w/average mechanical skills can tackle this? I use to do all my work on my VW Beetle :>) and I have a pretty decent complement of tools.

Thanks again,
Oct 10, 2020 at 7:22 PM (Merged)
Avatar
PSYCHE3535
  • MEMBER
  • 1 POST
My radio burnt out a few months back. I started noticing that my headlights are burning out and needing to be replaced much faster than before. The car sounds rougher than it used to, but runs fine. It is older with a lot of highway miles on it. I need to drive from New Mexico to Michigan for Christmas and my sister's wedding. Due to those events occuring at the same time I am trying not to spend money on the car until after the holidays. Is it safe to drive that far, or is this something that is likely to do worse damage if I don't deal with it immediately?
Oct 10, 2020 at 7:22 PM (Merged)
Avatar
MHPAUTOS
  • CERTIFIED EXPERT
  • 31,937 POSTS
Hi there,

Not to sure about the distance you have to drive as i am in Aust... but i feel that the problem my be in the alternator and it may be over charging, this is a simple thing to have tested and if this is the case it will just be an alternator '/haul, i would have this check first.

mark (mhpautos)
Oct 10, 2020 at 7:22 PM (Merged)
Avatar
KHLOW2008
  • CERTIFIED EXPERT
  • 41,814 POSTS
A normal DIY guy should be able to handle it but if vehicle is equipped with air bags, care must be taken to avoid damage to the spring reel under the steering wheel.

You would have to remove the steering wheel and column cover to get at the light switch if it is for removal. For testing, removal of the steering column cover should do. There are a few attaching screws and after removing them, you should be able to pry the covers apart to get them out.

From there you should be able to perform the test.
Oct 10, 2020 at 7:22 PM (Merged)
Avatar
2CP-ARCHIVES
  • MEMBER
  • 4,540 POSTS
hello my high beam and low beam lights wont work. i had the fusses checked and the bulds checked and everything was good. we did find that there was no power going to the headlight. what could be the problem?
Oct 10, 2020 at 7:22 PM (Merged)
Avatar
KHLOW2008
  • CERTIFIED EXPERT
  • 41,814 POSTS
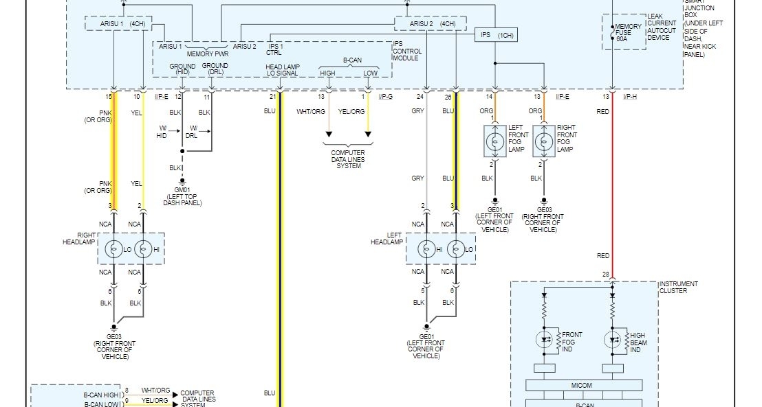
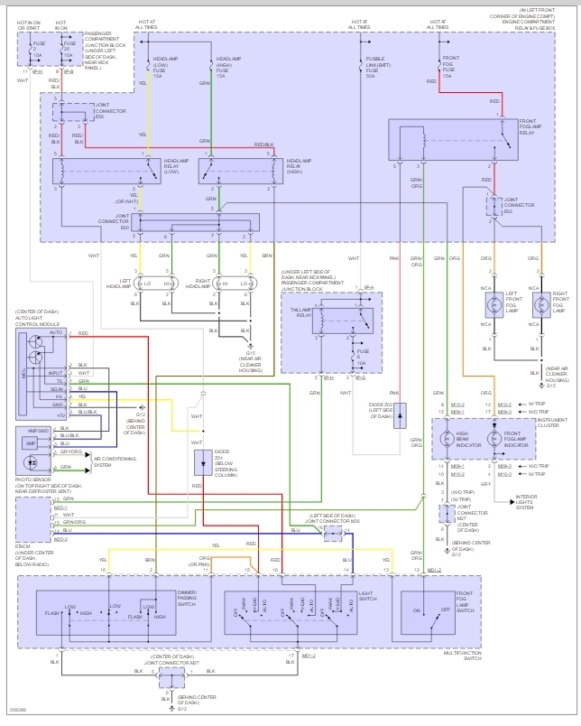
Power to the bulbs are via the headlight relays as shown in schematic. The relays are activated by the light switch and you need to check the various fuses, ensure the relays are being activated when the light switch is turned on.

Use this guide to check for power with the wiring diagrams below for the headlights.

https://www.2carpros.com/articles/how-to-use-a-test-light-circuit-tester

Check out the diagrams (Below). Please let us know what happens.

Oct 10, 2020 at 7:22 PM (Merged)
Avatar
TWOOFUS
  • MEMBER
  • 0 POST
My headlight switch needed to be replaced. fixed it
Oct 10, 2020 at 7:22 PM (Merged)