Tail lights and turn signals not working

2001 MERCURY MARQUIS
105,000 MILES • 4.6L • V8 • 2WD • AUTOMATIC
Avatar
HOWARD CHANDLER
  • MEMBER
  • 1 POST
Headlights are on but i have no tail lights. The brake lights works and no turn flasher when i turn.
Jan 8, 2021 at 3:48 AM
Advertisement
Avatar
KASEKENNY
  • CERTIFIED EXPERT
  • 18,907 POSTS
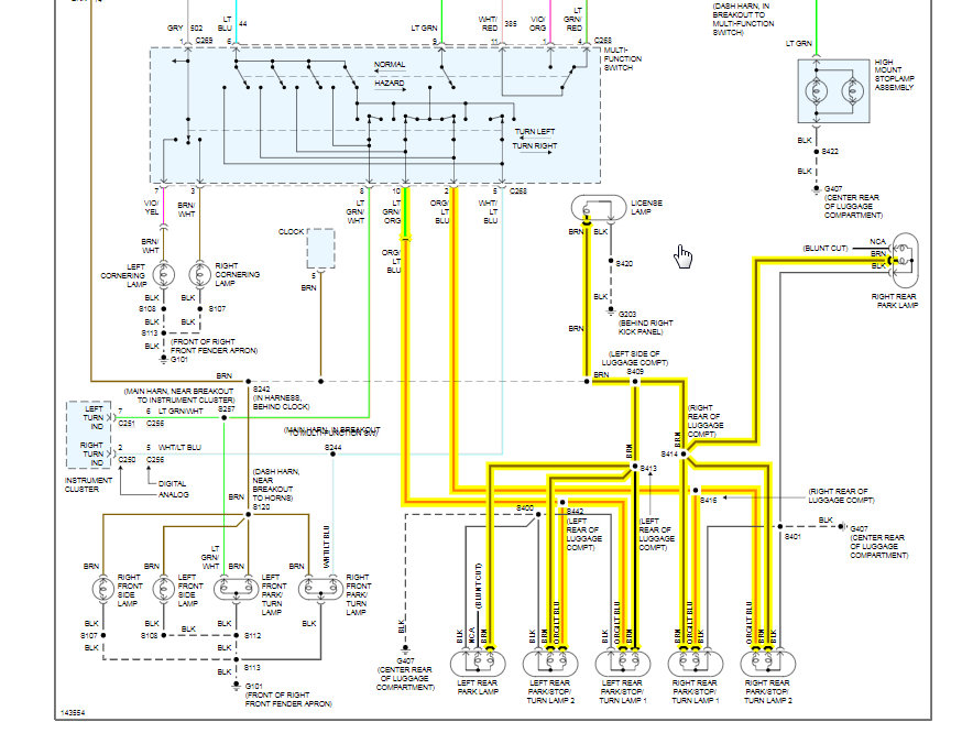
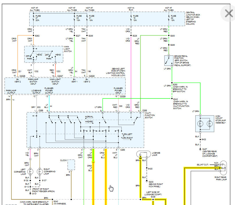
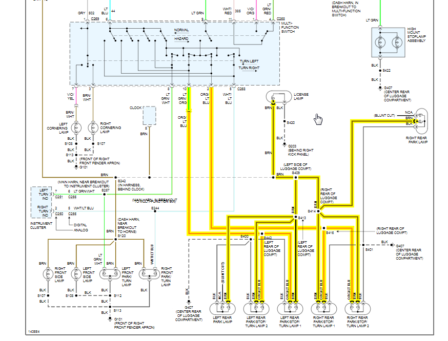
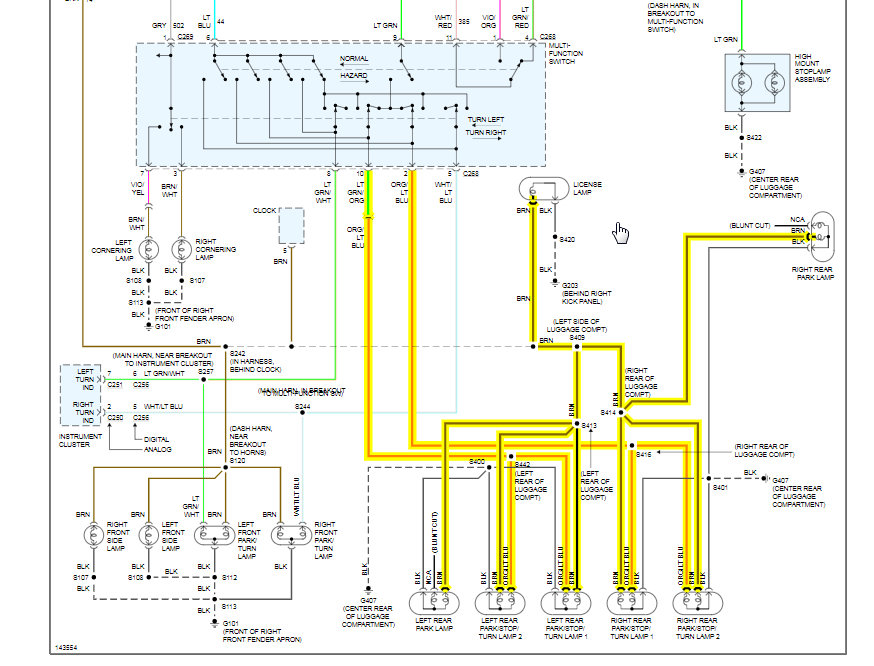
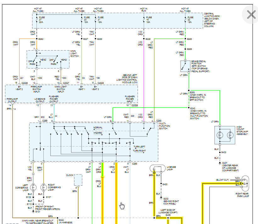
More then likely this is the multi function switch but I included the wiring diagram to confirm this. We just need to turn them on and then test voltage on each coming out of the switch. However, I am pretty sure this is the issue because the brake lights doesn't pass through the switch. That has a separate circuit.

Here is a guide that will help with this testing:

https://www.2carpros.com/articles/how-to-check-wiring

Also, I included the process on how to replace the switch if this proves out.
Jan 9, 2021 at 7:53 AM