The headlights and taillights do not work?

2008 ACURA MDX
209,100 MILES
Avatar
GERALD29
  • MEMBER
  • 1 POST
My headlights and taillights don't work.
Nov 25, 2024 at 1:57 PM
Advertisement
Avatar
STRAILER
  • CERTIFIED EXPERT
  • 53,854 POSTS
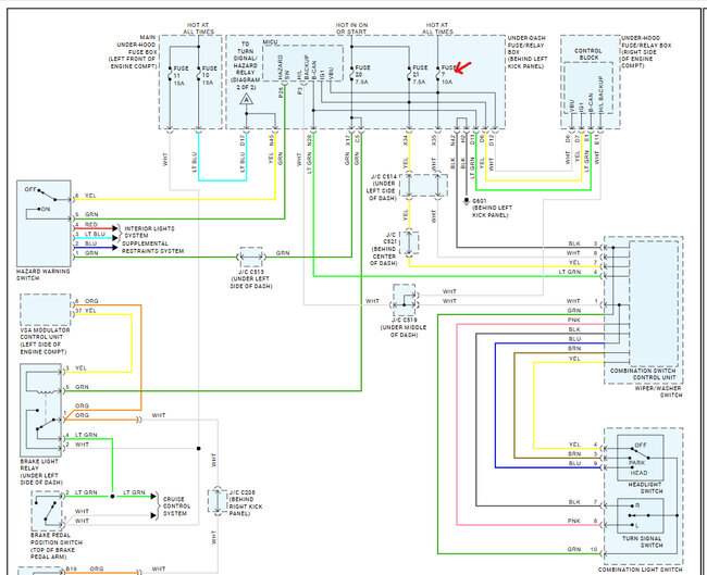
I would check fuse #7 which powers both systems, here is a guide to help and the fuse location as well:

https://www.2carpros.com/articles/how-to-check-a-car-fuse

test the fuse for power with the systems on. The fuse is in the panel under the flash on the left side. Check out the images (below). Please let us know what happens.


Nov 25, 2024 at 4:54 PM
Avatar
GERALD29
  • MEMBER
  • 1 POST
No it didn't work. that fuse was for the interior lights. I'm trying to see why my head and taillights not working all fuses seem to be good just don't have head and taillights my signals and brake light work that's it.
Nov 26, 2024 at 10:00 AM
Advertisement
Avatar
STRAILER
  • CERTIFIED EXPERT
  • 53,854 POSTS
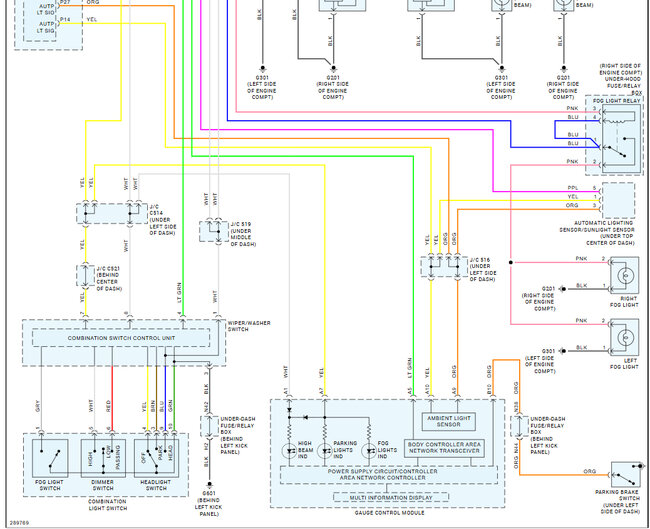
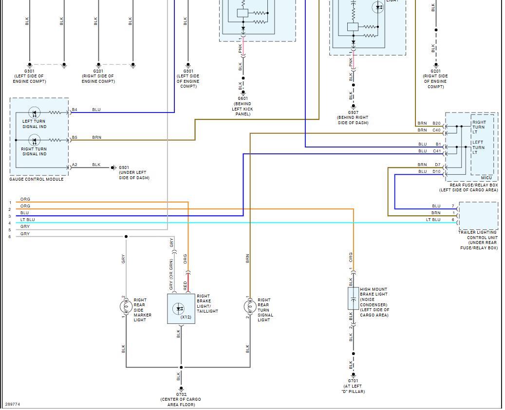
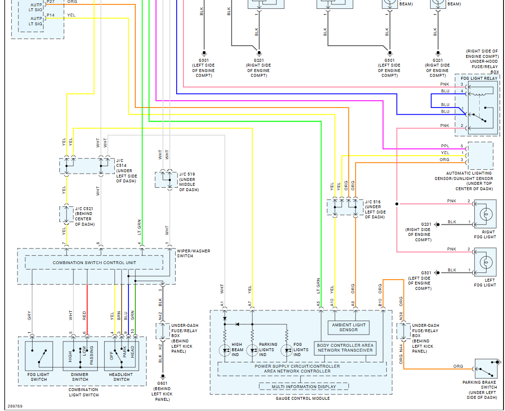
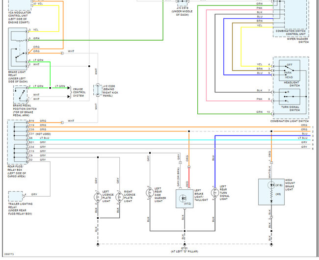
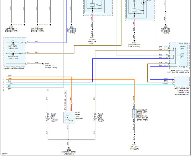
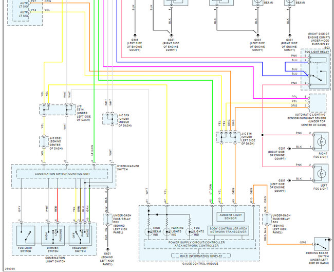
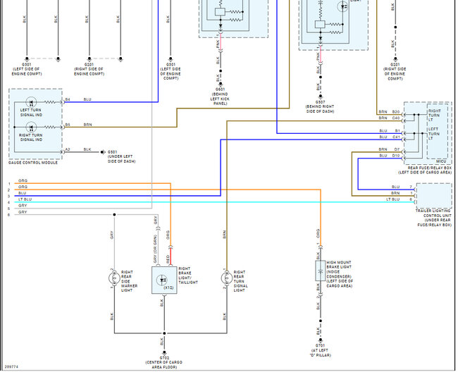
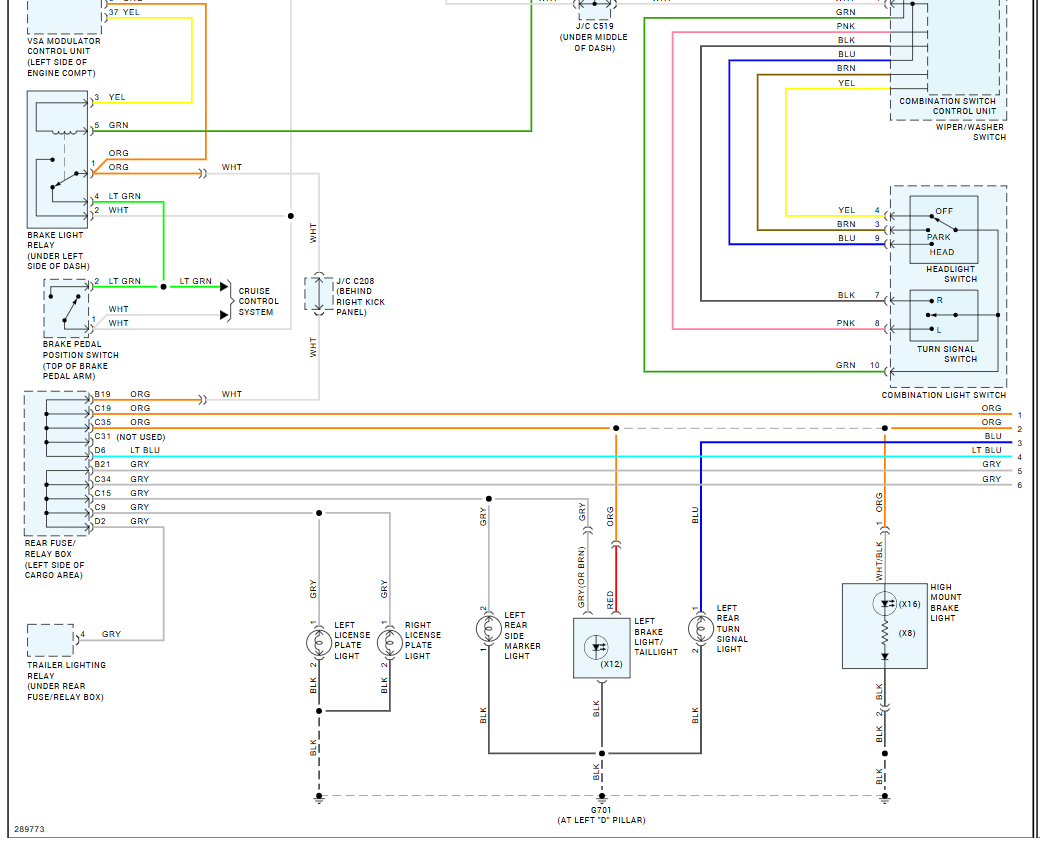
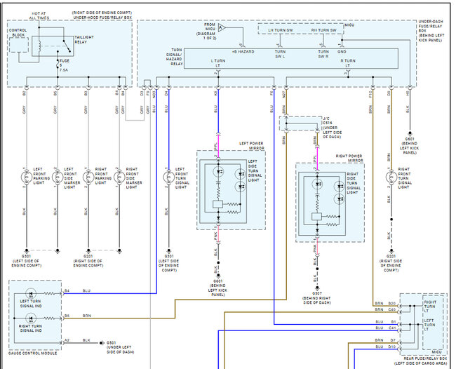
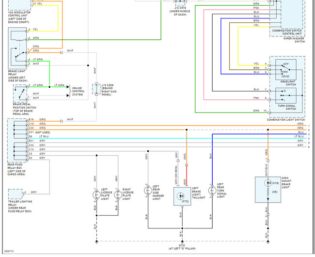
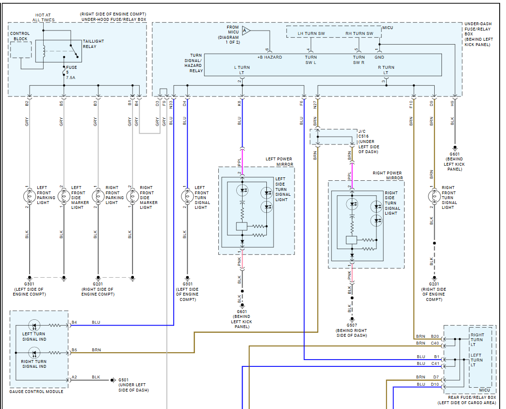
You might have a MICU that has gone out, here are the headlamp and exterior light wiring diagrams so you can see how the system works and which fuses to check. You will see fuse #7 runs both systems. If the MICU is out, it might have a code in the CAN. You can get a CAN scanner (Controller Area Network) which will work on most cars from Amazon.

Here is a video to show you how:

https://youtu.be/u-4syLc-ifQ

This guide can help you check for power:

https://www.2carpros.com/articles/how-to-use-a-test-light-circuit-tester

Check out the images (below). Please let us know what happens.
Nov 26, 2024 at 11:29 AM