turn signal wiring?

1998 DODGE DAKOTA
190,300 MILES • 3.9L • V6 • 2WD • AUTOMATIC
Avatar
STEVIEBB
  • MEMBER
  • 5 POSTS
I know I don't have bad fuses or burnt/melted wiring because the park/running and instrument cluster lights work if I barely pull the switch knob out. however they won't work when pulled into park/light position.
I have searched for wiring symbols all over the internet and even looked at links that have been suggested and I can only find a page with some but not enough so I can make out how to check it out.
I can really use some insight just please don't suggest I check fuses or wiring because the lights work, just not in the positions they are supposed to.
Thanks
Feb 28, 2020 at 2:44 PM
Advertisement
Avatar
KASEKENNY
  • CERTIFIED EXPERT
  • 18,907 POSTS
I owned one of these trucks and had this same issue. What I found was the switch itself was the issue. Clearly there could be other issues that could cause this but I would suggest just changing out the switch before you get into heavy diagnosis because you already proved out wiring and bulbs because as you said, they do work.

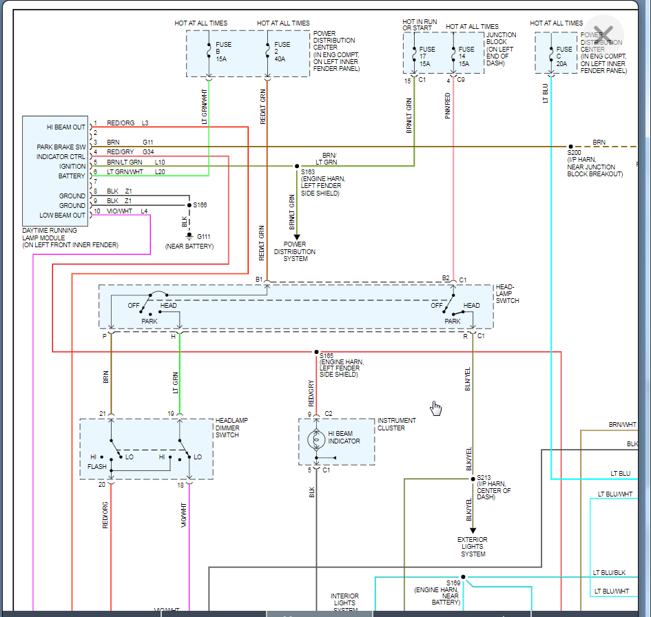
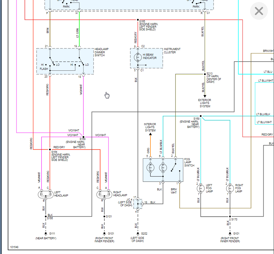
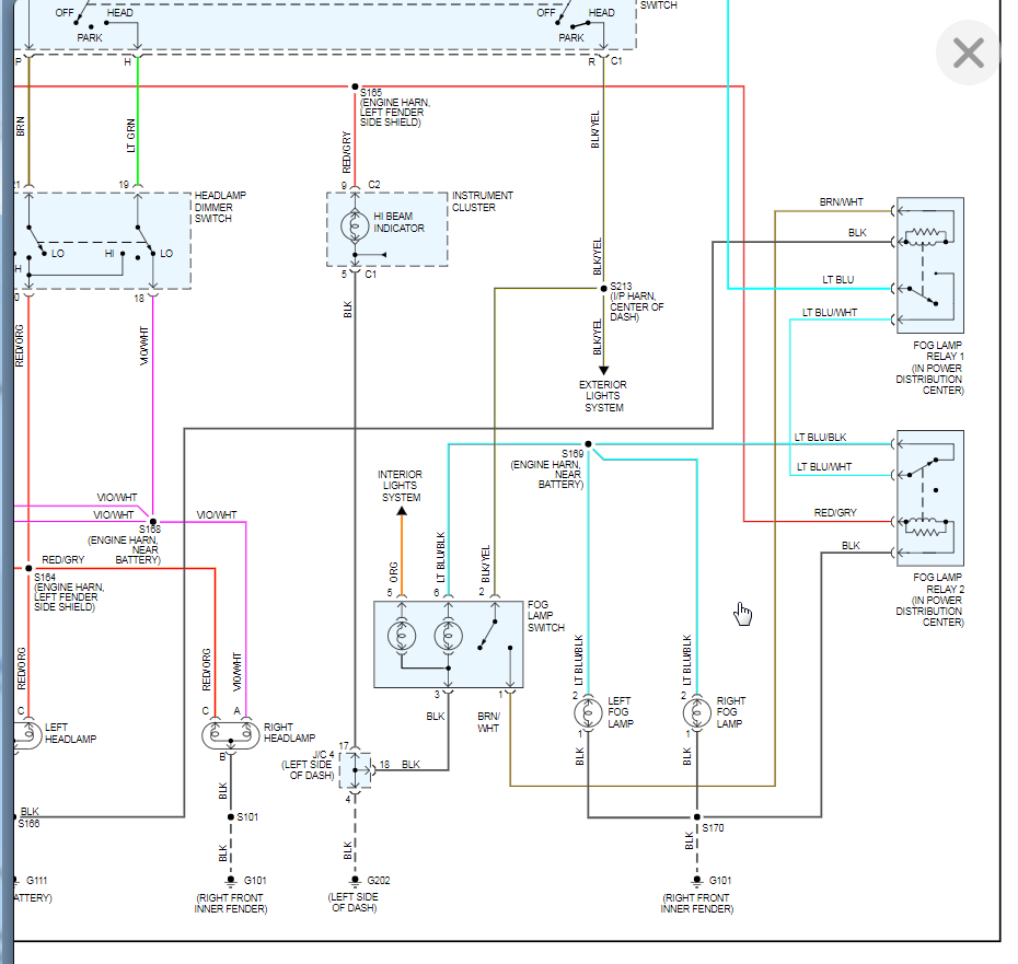
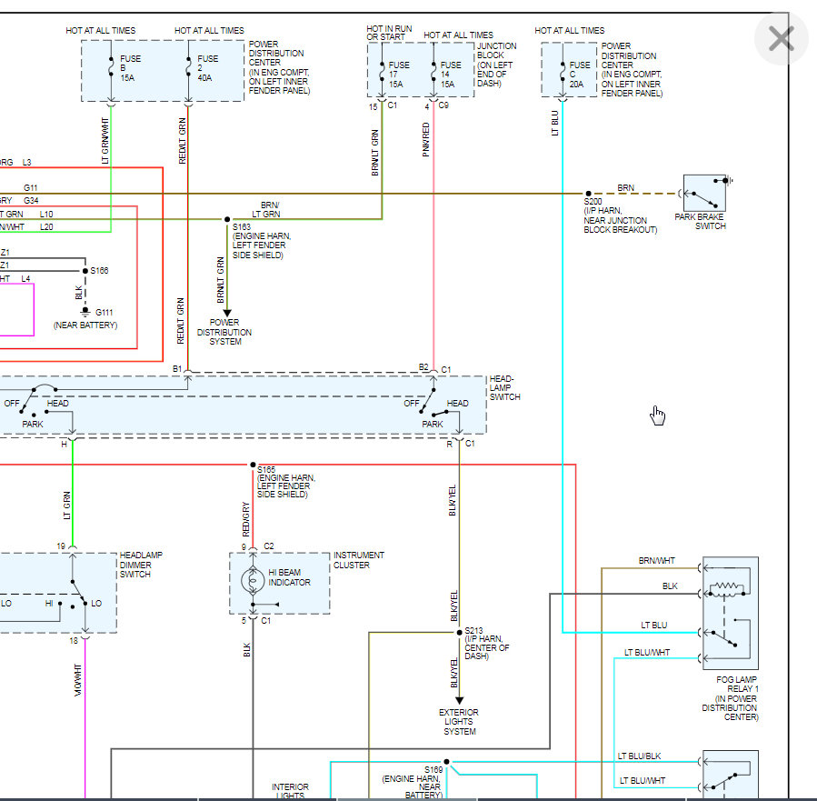
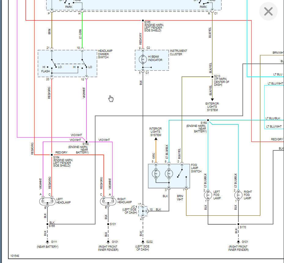
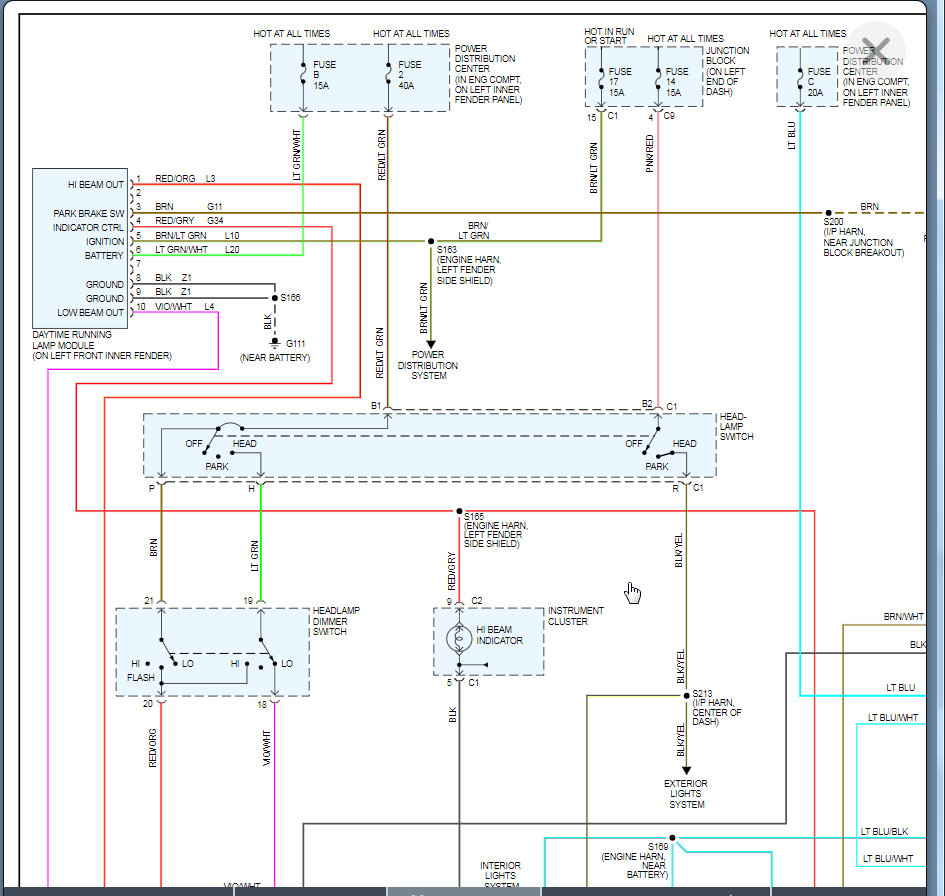
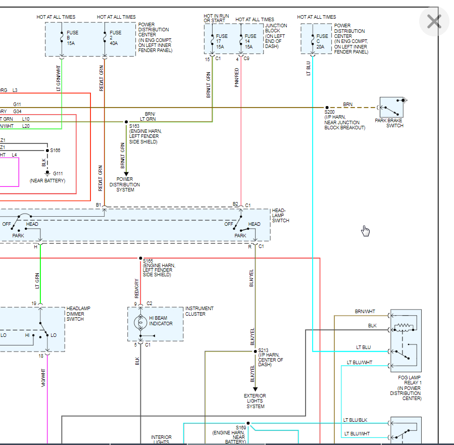
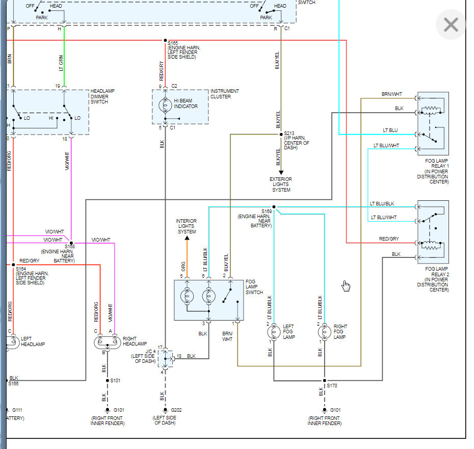
I attached the wiring diagrams for this system if you would like to prove this out. Let me know if you have questions. Thanks
Feb 28, 2020 at 3:41 PM