The left headlight taillight and dashboard are not working?

2018 CHEVROLET IMPALA
88,000 MILES • 3.6L • V6 • 4WD • AUTOMATIC
Avatar
ALEIANA
  • MEMBER
  • 8 POSTS
No fuses are bad or relays, we have replaced the bulbs and headlight switch. We don't have the money for a shop so we're trying to figure it out ourselves.
Jul 1, 2025 at 9:45 PM
Advertisement
Avatar
ALEIANA
  • MEMBER
  • 8 POSTS
After changing the headlight switch the check engine light pops up when starting the car and goes away.
Jul 1, 2025 at 10:02 PM
Avatar
MECHTRIX
  • CERTIFIED EXPERT
  • 382 POSTS
Okay, that should be fine as long as it goes away as soon as the car starts. but if you ever see it come on when driving that's would not be good. so, sounds like its behaving normally "good job". Hope this helps.
Jul 1, 2025 at 11:56 PM
Advertisement
Avatar
STEVE W.
  • CERTIFIED EXPERT
  • 15,113 POSTS
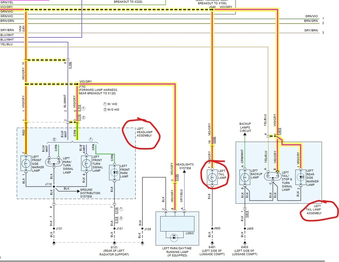
You said the left headlight, taillight and dash was out? Do you mean just the instrument panel or everything like radio, heater and those as well? Did those come back with the new switch? Looking at the wiring diagram the left lights all share a single power feed straight out of the body control module. The BCM also controls the instrument panel lighting. There are 4 fuses I would test 3 are labeled as BCM 2, 3 and 5 Those are in the fuse block at the left side of the dash, the other is displaying ignition fuse located in the fuse box under the hood. Testing them with a simple test lamp is fast and can show you that the fuse might look okay but be bad.

https://www.2carpros.com/articles/how-to-check-a-car-fuse

If the fuses check out okay but the lights are still out it's possible the BCM has failed. There are a couple items to test but it isn't an item that can just be plugged in, and it works. Also, if you suspect it is the problem you cannot plug in a different one to use as a test, GM added in some security items that can make problems even worse if you plug in a module that isn't programmed for your vehicle and VIN. Please reply back with what you find.

Jul 2, 2025 at 7:20 AM
Avatar
ALEIANA
  • MEMBER
  • 8 POSTS
Yes the whole dash is not working. I got my brake light back and fast blinker I'm thinking it's the ground if anyone has a wiring diagram for my ground that would be amazing.
Jul 4, 2025 at 9:37 PM
Avatar
STEVE W.
  • CERTIFIED EXPERT
  • 15,113 POSTS
Okay, with the entire dash out, what actually works on the dash? No lights? Do the gauges work? Radio? Heater? There are a few circuits involved with different grounds but if it's the lights you would want to check grounds 203 and 305. Both are located under the left kick panel trim plate to the left of the driver's seat. They are in a spot that gets damp and can easily rust.
Jul 5, 2025 at 1:10 AM
Avatar
ALEIANA
  • MEMBER
  • 8 POSTS
No dash lights, gauges, no radio, no heat. And this is for my 2018 Chevy Impala?
Jul 5, 2025 at 8:58 AM
Avatar
STEVE W.
  • CERTIFIED EXPERT
  • 15,113 POSTS
Yes, there are other grounds as well. These two are the primary grounds for those items though. I would start by checking them. Because of the location and how they are installed they get corroded. GM like others likes to take multiple wires from different items, then they bundle them, crimp on the terminal and call it done. Then after a few years the wires corrode or the body they bolt to gets corroded and odd things happen. If you remove that trim panel you should find the grounds, both will have 3-4 wires in them at least. If the steel they bolt to is rusted you may be able to unbolt them, grind off the rust and reconnect them. Or if it's the wires you can cut them, strip the ends and install a different terminal and attach them that way.
Jul 5, 2025 at 9:58 AM
Avatar
ALEIANA
  • MEMBER
  • 8 POSTS
Where is the ground for my left front headlight? I got everything but that fixed.
Jul 6, 2025 at 1:49 PM
Avatar
STEVE W.
  • CERTIFIED EXPERT
  • 15,113 POSTS
It's on the back of the radiator support on the left side, ground 101. That grounds the headlight, marker and turn signal in that assembly. If the turn and marker work but no headlight it isn't the ground. If they are all out, then it could be. It's hard to see but it's on the panel below and in front of the battery tray.
Jul 6, 2025 at 4:10 PM
Avatar
ALEIANA
  • MEMBER
  • 8 POSTS
Thank you for your help the diagrams really helped, and I really couldn't find any diagrams.
Jul 7, 2025 at 6:23 PM
Avatar
STEVE W.
  • CERTIFIED EXPERT
  • 15,113 POSTS
If you want to work on the car and have a good info source you can get access to mitchell or alldata as a DIY. You only get a single vehicle for the price, but if you have a PC you can go in and "print" each section as a pdf file and save those for use when the subscription ends.
Jul 7, 2025 at 7:07 PM