TIPM replacement instructions please?

2004 CHRYSLER SEBRING
153,009 MILES • 1.4L
Avatar
NCLINE
  • MEMBER
  • 1 POST
Started out with my tail light blowing was replaced blowed again, fuses replaced. Now the brake lights, dash tail lights and radio not working. Along with the power locks. Windows still working.
Feb 25, 2021 at 8:49 AM
Advertisement
Avatar
KASEKENNY
  • CERTIFIED EXPERT
  • 18,907 POSTS
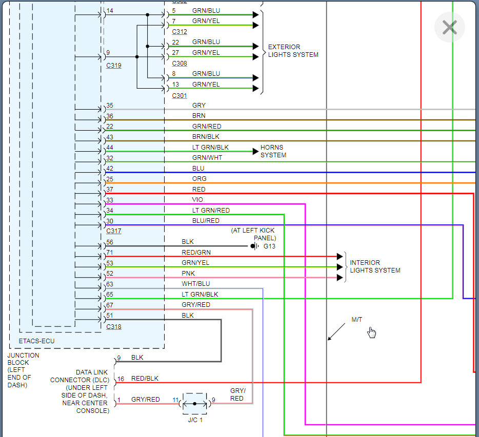
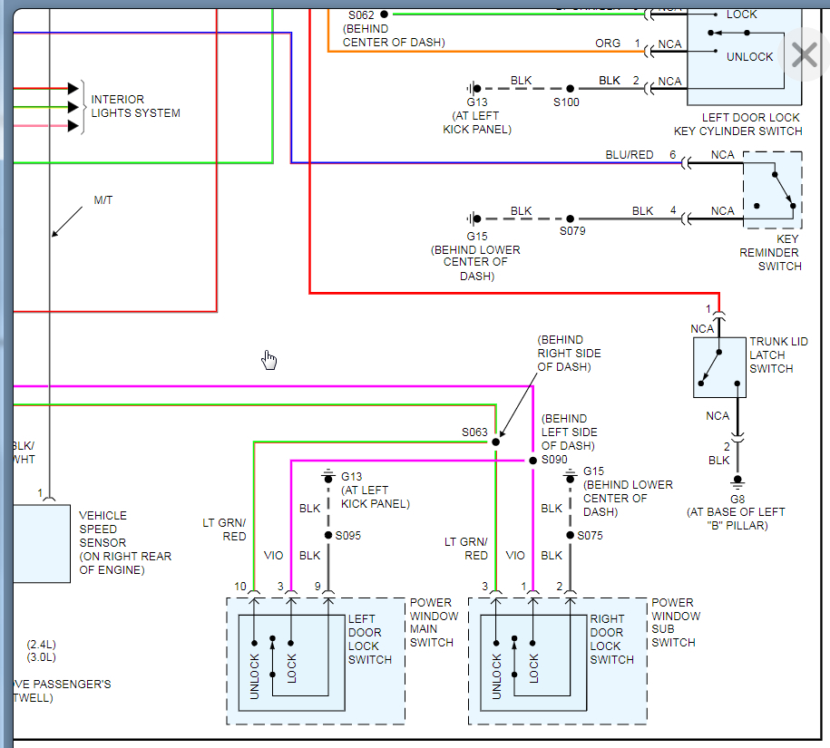
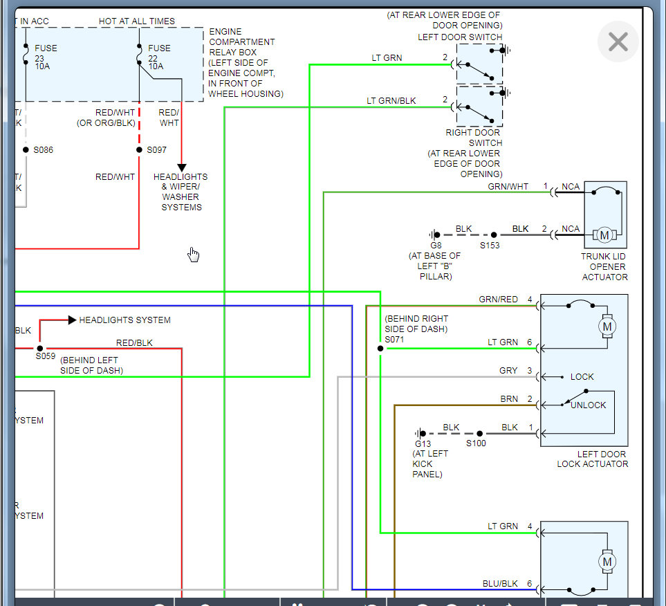
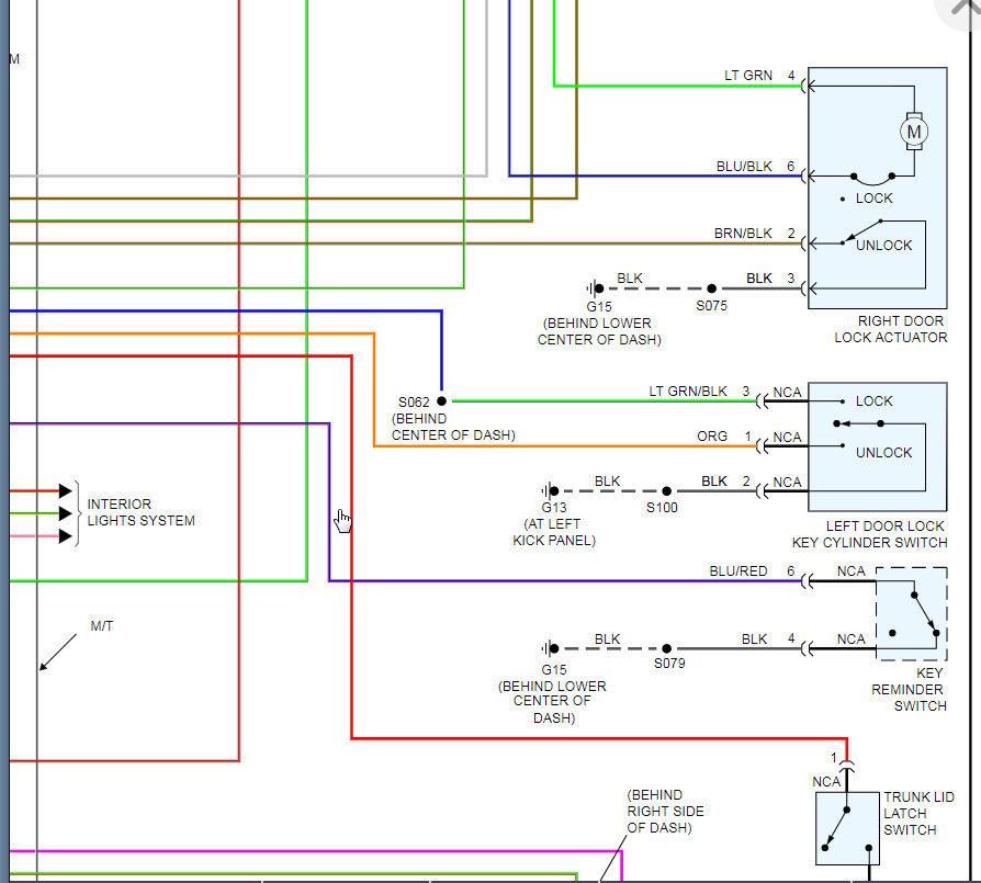
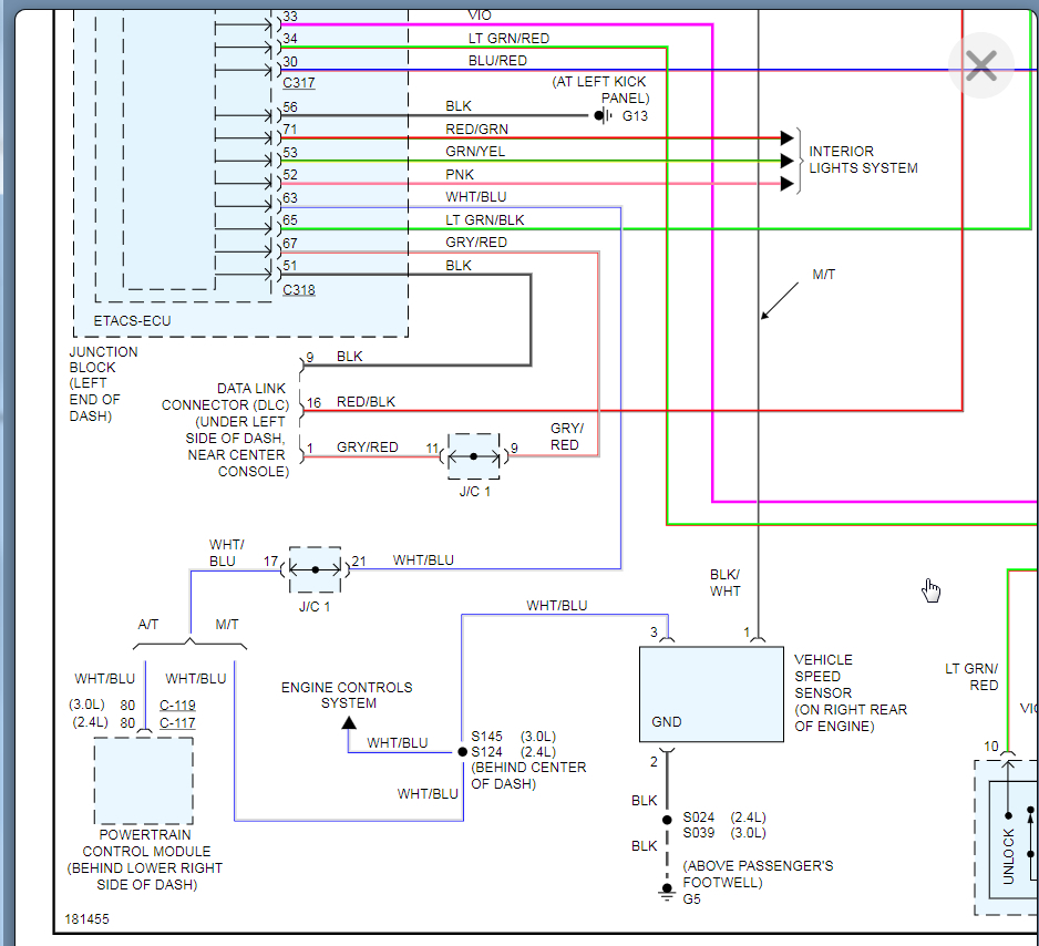
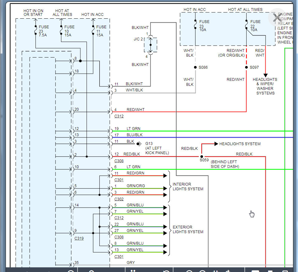
More then likely this is the Junction Block ECU however, it is not called the TIPM, it is actually called the BCM.

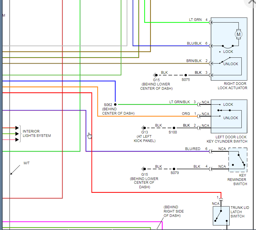
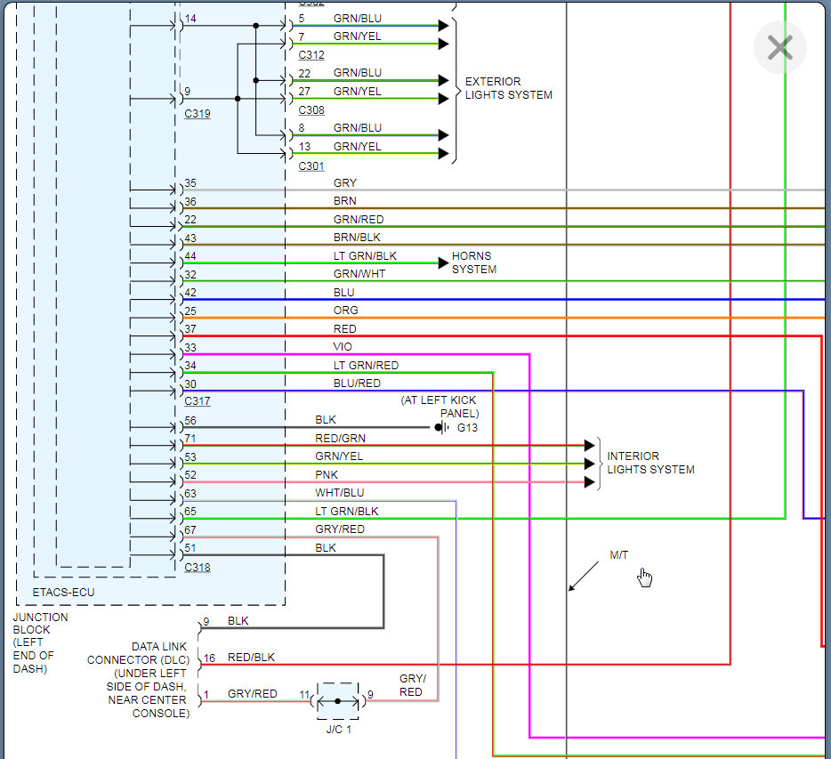
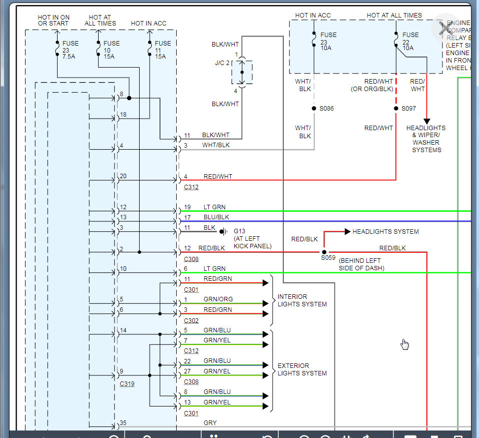
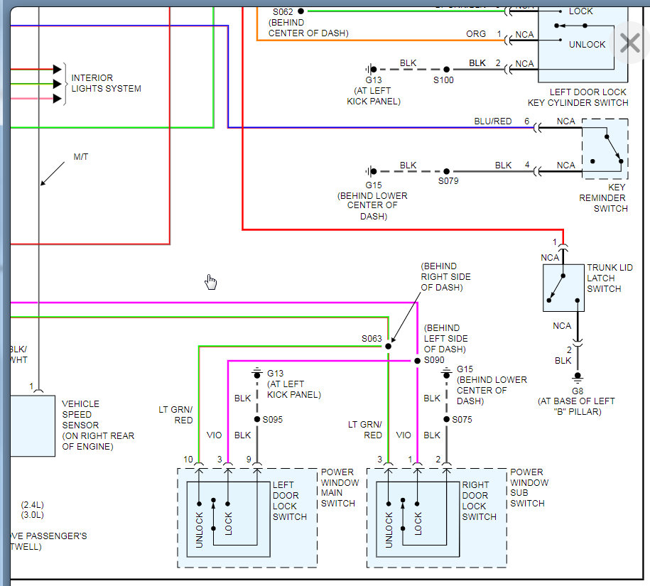
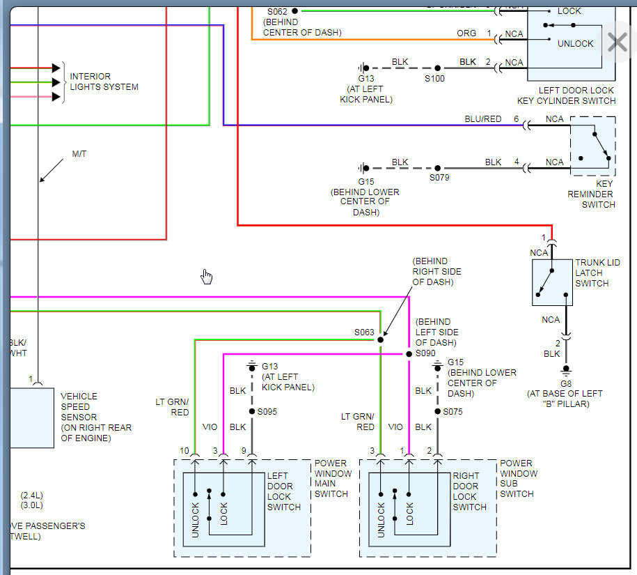
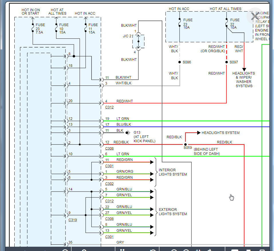
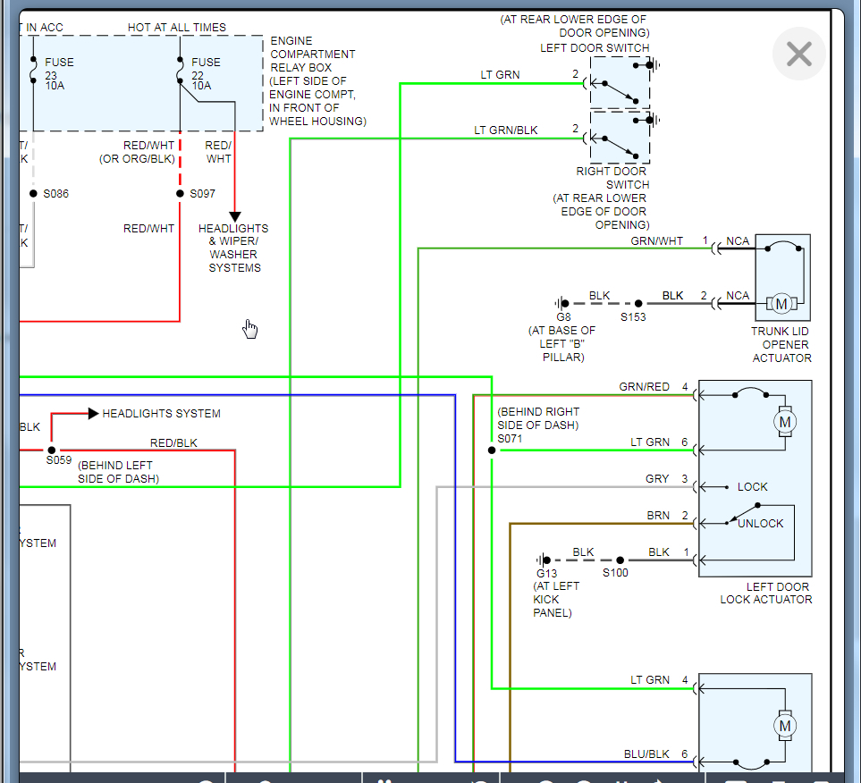
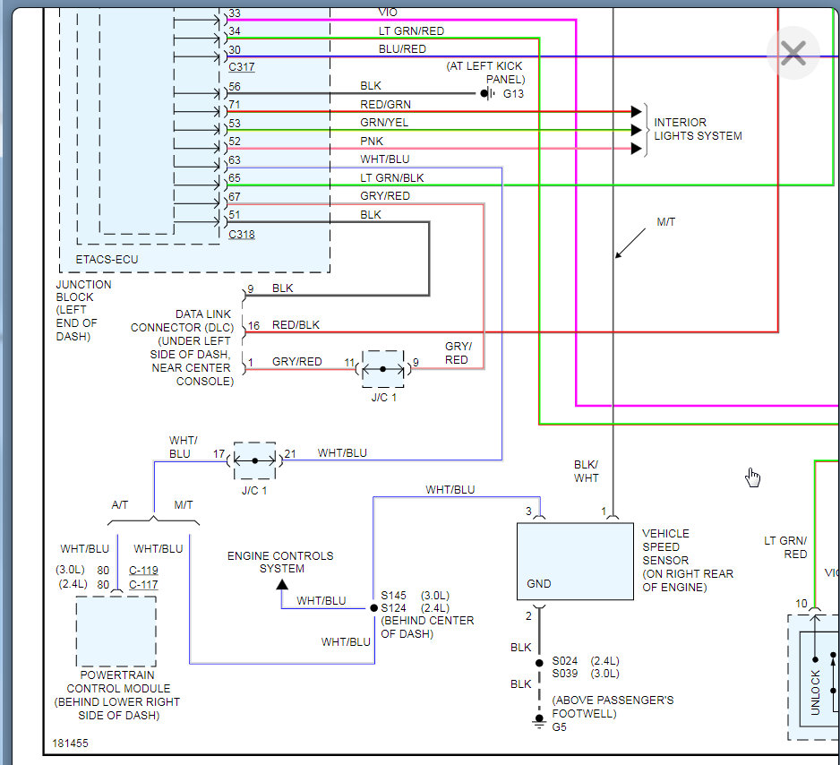
I attached the info below from the manual. The way to confirm this is to test one of the systems for voltage at the actuator or leaving the BCM. I suspect it will not be there.

https://www.2carpros.com/articles/how-to-check-wiring

If that is the case and it fixes the other issues then that is a bonus. However, if not we can move onto the next one.

Let us know if you have questions. Thanks
Feb 25, 2021 at 5:46 PM
Avatar
STRAILER
  • CERTIFIED EXPERT
  • 53,854 POSTS
Here are instructions on how to replace the TIPM module. Check out the diagrams (below). Let us know what happens and please upload pictures or videos of the problem.
Mar 1, 2021 at 10:29 AM
Advertisement