Headlights, brake lights and turn signals not working

2014 GMC SIERRA
100,000 MILES • 5.3L • V8 • 4WD • AUTOMATIC
Avatar
ROBERT SHEARN
  • MEMBER
  • 2 POSTS
My vehicle has no headlights, brake lights or turn signals and the horn does not work as well. I had the body control module changed and re-flashed. My vehicle was good for about a week when the problem reoccurred. The battery has been tested as well as the alternator and fuses have been checked and are all good.
Aug 13, 2021 at 1:28 PM
Advertisement
Avatar
JACOBANDNICKOLAS
  • CERTIFIED EXPERT
  • 110,175 POSTS
Hi,

I just looked through all the schematics related to the headlamps, horn, and exterior lighting. The only thing they all have in common is the body control module. If you are certain that all fuses are good and are receiving power, there are two things I would check.

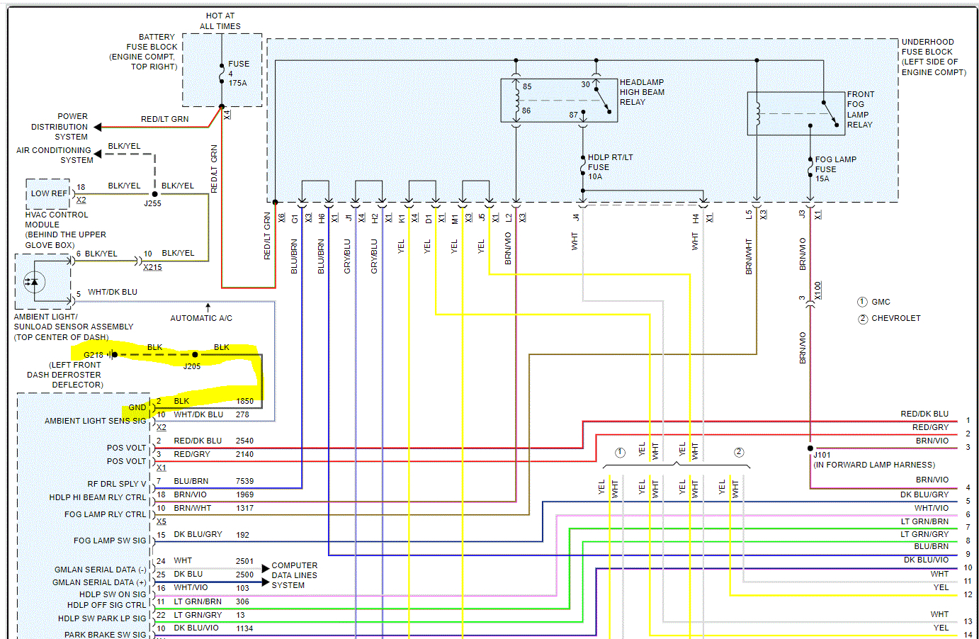
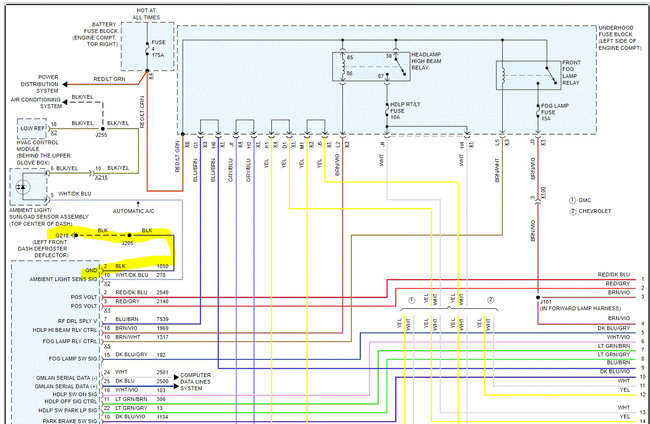
First, the body control module ground is located under the dash on the left side. See pics 1 and 2 below. Note that the ground is for the BCM and includes the lights you are having trouble with. Check that ground to confirm it hasn't been damaged. The last pic below shows its location.

Next would be to scan the can-bus system to see if there are faults stored in the BCM. CAN stands for controller area network. Basically, all computers/modules are tied together via a few wires. If there is a fault in any of the modules, this procedure should identify it. A traditional scanner won't do it.

Here is a video showing it being done:

https://youtu.be/InIlnsjOVFA

I suspect there will be a code in the BCM. Traditional codes are "P" codes. This will most likely be a "B" code.

Also, in addition to checking the fuses, confirm there is power to and from them. Here is a link that shows how that is done. Also, make sure you test the BCM fuses as well.

https://www.2carpros.com/articles/how-to-check-a-car-fuse

Let me know about the fuses and the ground.

Take care,

Joe

See pics below.

Aug 13, 2021 at 9:08 PM
Avatar
ROBERT SHEARN
  • MEMBER
  • 2 POSTS
Joe, I checked the ground and the fuses everything is good. I am going to send a copy of the codes that came up and after it was cleared the codes with a star next to it are the ones that reappeared immediately. Thank you for your help.
Aug 14, 2021 at 1:04 PM
Advertisement
Avatar
JACOBANDNICKOLAS
  • CERTIFIED EXPERT
  • 110,175 POSTS
Hi,

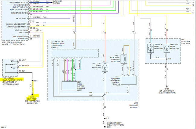
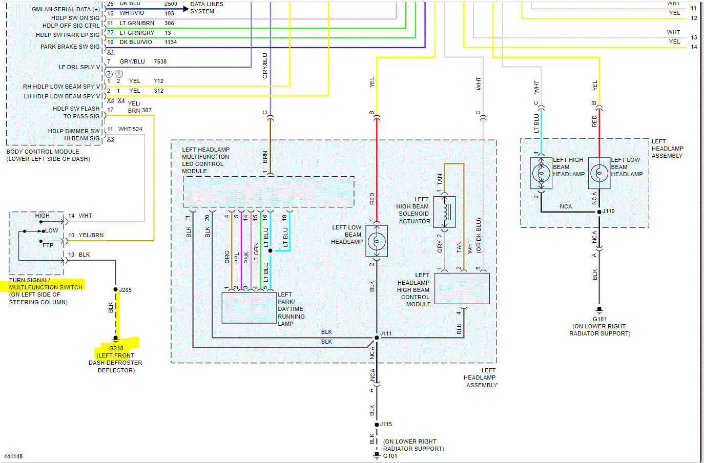
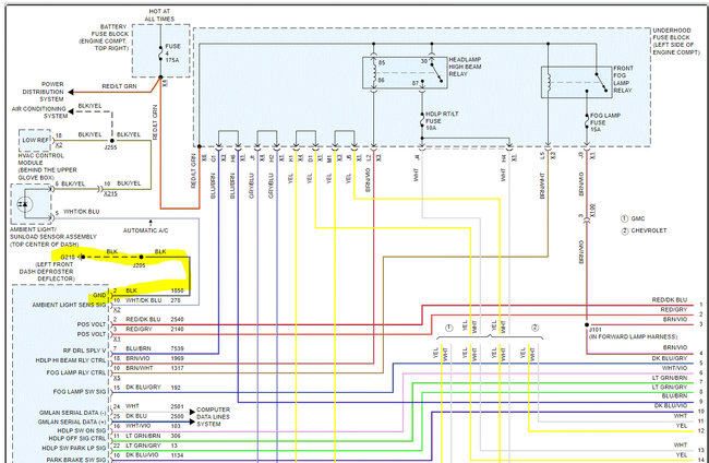
Looking at the list of codes, the first one that got my attention was the U1524 (can lost communication). The Local Interconnect Network (LIN) Bus consists of two wires between the body control module and the headlamp control module. This is where we need to start.

The headlamp control module is in the headlamp assembly. With this code, the focus is between the BCM and the right headlamp control module.

If you look below, pic 1 describes the code you provided. Pic 2 shows the BCM and the two wires related to the CAN, dark blue and white. I need you to start by locating those two wires and inspect them for damage or corrosion.

Next, go to the right front headlamp assembly (passenger side) and locate one of the two wires, either dark blue or white. In the schematic, it indicates it could be either-or. Inspect that wire for damage, corrosion, or a weak connection. See pic 3

If that looks good, then you need to check the wire for continuity to make sure there is no open in it.

Now, the code seems to focus on the B+ which is the dark blue wire. With that, I suspect the wire at the right headlamp will be dark blue. That will need to be determined.

If everything checks good, I attached diagnostics for you to follow starting with pic 4.

Let me know what you find or if you have other questions.

Take care,

Joe

See pics below.

Aug 14, 2021 at 9:53 PM