We purchased this car from a charity auction for my kid who just got out of the service. when we got it the break lights were out. the service center we took it to gave us a $1,000.00 list of parts it needed to get fix plus a hefty $1,000.00 fee for their service. we purchased all the parts to fix it ourselves and saved $500.00 dollars on the parts and gained a million dollars worth of questions and other issues.
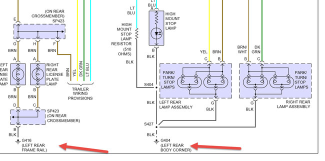
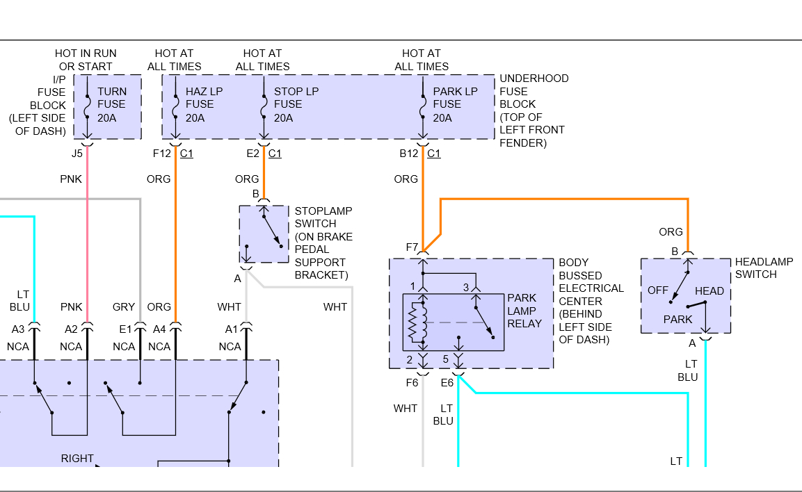
They told us we would need to replace the rear lighting control panels for to fix the issue. so we did this and once we did the whole blinker system in the car stopped working. needless to say, it appeared the old parts were looking brand new as well. I doubt they were even in need of replacement. anyway, we checked to see if they were getting power and they were. We replaced all the bulbs and they still did not work. front or back and no little blinking light on the dashboard as well. It appears the front right blinker casing may be burnt as there appears to be a small melted portion there. I have ordered a new one; however, I was wondering what else it might be. we are quickly sinking more money we do not have into this vehicle and do not want to get too deep into it.
All the small fuses seem to be good. any help is appreciated. My dad lives over 1,500 miles away and I (a single mom) do not know really much about this advanced stuff. I can watch a YouTube video and figure it out. Just need some direction.
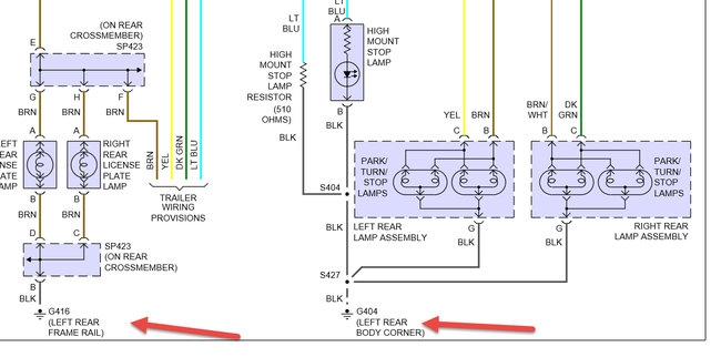
They told us we would need to replace the rear lighting control panels for to fix the issue. so we did this and once we did the whole blinker system in the car stopped working. needless to say, it appeared the old parts were looking brand new as well. I doubt they were even in need of replacement. anyway, we checked to see if they were getting power and they were. We replaced all the bulbs and they still did not work. front or back and no little blinking light on the dashboard as well. It appears the front right blinker casing may be burnt as there appears to be a small melted portion there. I have ordered a new one; however, I was wondering what else it might be. we are quickly sinking more money we do not have into this vehicle and do not want to get too deep into it.
All the small fuses seem to be good. any help is appreciated. My dad lives over 1,500 miles away and I (a single mom) do not know really much about this advanced stuff. I can watch a YouTube video and figure it out. Just need some direction.
Jul 6, 2017 at 11:30 AM

