Lighting and electrical

2005 CHEVROLET CLASSIC
120,000 MILES • 4 CYL • 2WD • AUTOMATIC
Avatar
MHB1983
  • MEMBER
  • 1 POST
My driver's side front and rear lights will not work. Running, turn, brake and high beams. No front and rear driver's side lights. Is there a fuse or a group of fuses/relays that control just a certain side of the car's lighting?
Jul 26, 2018 at 1:25 PM
Advertisement
Avatar
STRAILER
  • CERTIFIED EXPERT
  • 53,854 POSTS
Hello,

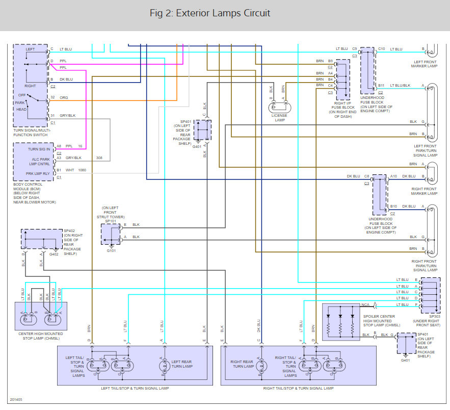
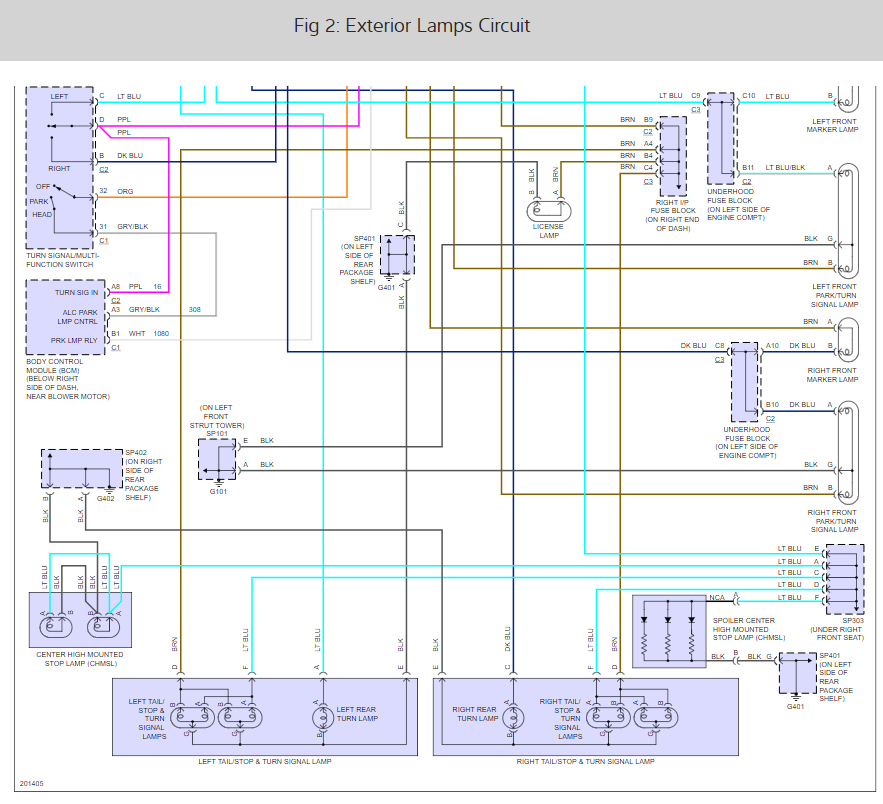
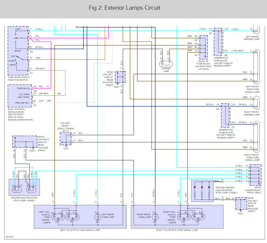
I would try cycling the emergency flasher switch multiple times to clean the contacts. Next there is an ACL relay that needs to be checked as well. Here is a guide and the running light wiring diagrams so we can test to see where you are losing power:

https://www.2carpros.com/articles/how-to-check-an-electrical-relay-and-wiring-control-circuit

Check out the diagrams (below). Let us know what happens and please upload pictures or videos of the problem.

Cheers, Ken
Jul 29, 2018 at 1:22 PM