What wires to connect for all of the external lights to function properly?

2004 CHEVROLET MALIBU
160,000 MILES • 3.6L • 6 CYL • 2WD • AUTOMATIC
Avatar
MYLINDA ASHWORTH BEASLEY
  • MEMBER
  • 5 POSTS
I have the car listed above LT, Z model that has had electrical problems since I purchased it almost 5 years ago. The previous owner had cut the original wire harness and installed pigtails to put in aftermarket projector halo headlights. The pigtails were not the same color wires as the original wires. they have since burned out. leaving me with original wire harness all wires cut. I removed headlights and tidied up all wires (some were about 2ft. Long) and now I need to know what wires to connect for all my external lights to function properly. And then I will move on to the rest of the wiring like the driver's seat is not connected it's not original. The trunk has a short to ground and the 3rd brake light is gone. I can't afford to hire someone, so I've tried to do most repairs myself. All the diagrams I've found seem to have different colored wires than the car. If anyone could help with information it would be greatly appreciated. I live 8 miles from the nearest store, so I need transportation. I'm ready to use it for target practice at this point. Lol
Feb 4, 2024 at 3:17 PM
Advertisement
Avatar
JACOBANDNICKOLAS
  • CERTIFIED EXPERT
  • 110,175 POSTS
Hi,

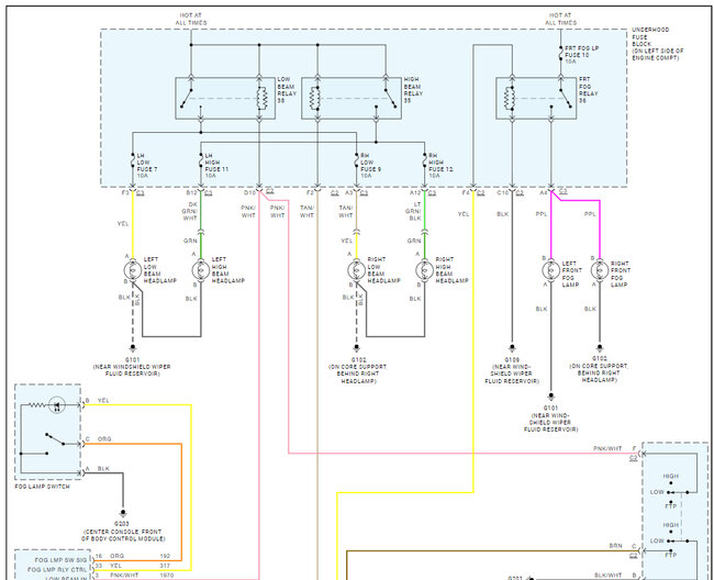
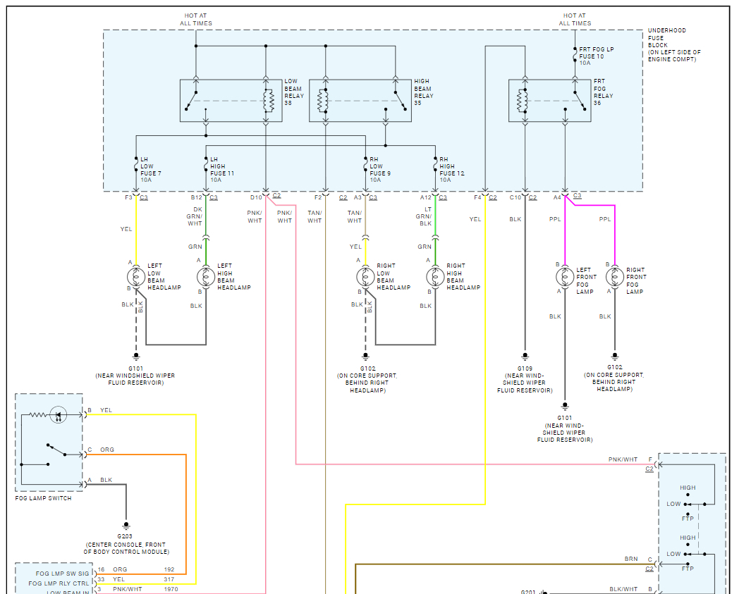
Don't use it for target practice. LOL As far as the headlamps are concerned, I attached the wiring schematic for the headlamp circuit.

Let me know what is happening and I'll do my best to help.

Take care,

Joe

See pics below. Note: The schematic was one page. I had to cut it in half to make it readable for you. I did overlap the two so you can follow from one to the next. Check out the images (below). Let us know how it goes
Feb 4, 2024 at 7:28 PM
Avatar
MYLINDA ASHWORTH BEASLEY
  • MEMBER
  • 5 POSTS
Thank you so much. I will attempt this after work since it is warm enough today and I will let you know how it goes. Thank you again
Feb 5, 2024 at 2:01 PM
Advertisement
Avatar
JACOBANDNICKOLAS
  • CERTIFIED EXPERT
  • 110,175 POSTS
Mylinda,

No problem whatsoever. Let me know what you find, and I'll do my best to help from my end.

Take care,

Joe
Feb 5, 2024 at 6:18 PM
Avatar
MYLINDA ASHWORTH BEASLEY
  • MEMBER
  • 5 POSTS
I attempted to follow the chart you sent. Unfortunately, it did not work for me. Could you dumb it down a bit for me? The signal lights are working now but the others have me frustrated. Possibly tell me what color goes to high, Low etc. My multimeter is broken. I know it's a lot to ask but my hands are tied.
Feb 7, 2024 at 3:22 AM
Avatar
JACOBANDNICKOLAS
  • CERTIFIED EXPERT
  • 110,175 POSTS
Hi,

No problem. First, every black wire in this circuit is a ground. So, they won't directly supply power.

Starting with the headlamps, the low beam power supply is provided by a yellow wire. So, when you have the low beam turned on, that wire should have power.

The high beam on both sides are powered by a green wire. Same thing here. When the high beam lights are on, those wires should have power.

Malinda, do you have a test light or anything to test for power? Also, the ground wires (black in color) will need to be checked for continuity to ground. If you have a test light, you could connect the alligator clip side to the battery positive and then probe the black wire with the lighted side. If there is continuity, the light will turn on.

Note that when you check for power (not ground), the test light will need to be connected to the battery-negative terminal.

Let me know if this helps. Also, let me know what you have available for testing. For example, do you have a test light or anything to test circuits?

Take care,

Joe
Feb 7, 2024 at 3:49 PM
Avatar
MYLINDA ASHWORTH BEASLEY
  • MEMBER
  • 5 POSTS
Awesome. I am going to do this now. It seems so simple. What about all the halos and other lights where do I connect them?
Feb 8, 2024 at 1:45 PM
Avatar
JACOBANDNICKOLAS
  • CERTIFIED EXPERT
  • 110,175 POSTS
Halos? I didn't think this vehicle came with them. As for the other lights, let's focus on one at a time. Often, if one problem is resolved, the others follow.

Let me know.

Joe
Feb 8, 2024 at 3:02 PM
Avatar
MYLINDA ASHWORTH BEASLEY
  • MEMBER
  • 5 POSTS
Yes, in the pictures this is what I'm working with.
Feb 9, 2024 at 9:30 AM
Avatar
JACOBANDNICKOLAS
  • CERTIFIED EXPERT
  • 110,175 POSTS
Mylinda,

Wow, is all I can say. That is a mess. LOL Someone changed the OEM parts. By any chance do you have the original light assemblies? I ask because without having the wiring schematic from the company that made the aftermarket lights, I have no way of knowing what is what.

Let me know. Also, I hope you understand.

Take care,

Joe
Feb 9, 2024 at 1:04 PM