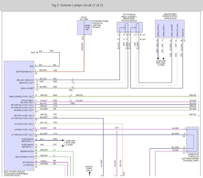
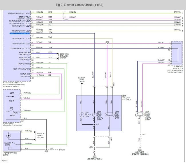
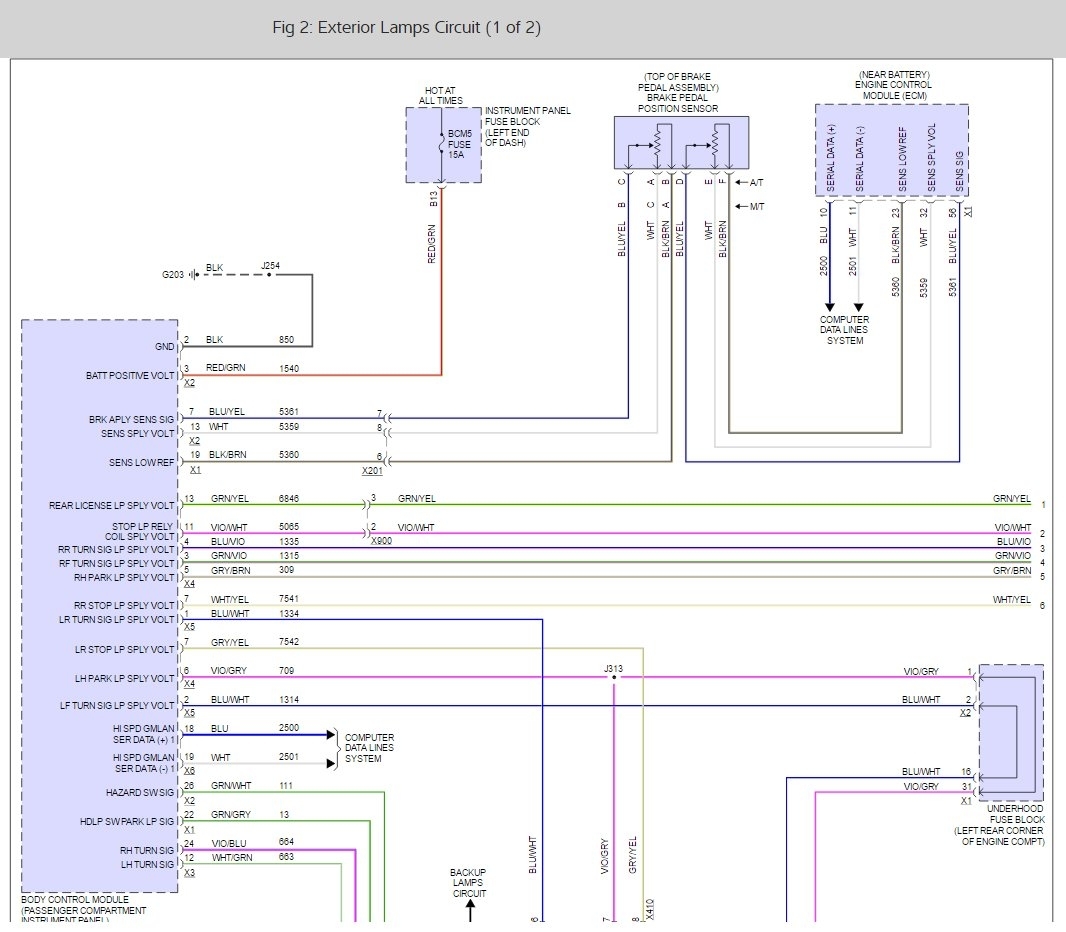
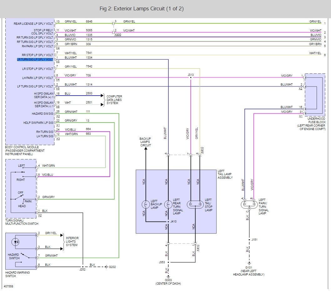
Everything was fine one morning, and when i got to school i realized that the back lights were not turning off. The car was off and so was the light switch, so there was no reason for them to be on. I had to manually unplug them so the battery would not discharge, and right now I just noticed that the turning lights blink really fast, faster than normal. I do not know if that means anything.
Any suggestions?
Any suggestions?
Apr 3, 2017 at 8:18 PM



