The left low beam and rear left sitting light do not work along with license plate lights?

2018 MITSUBISHI MIRAGE
80,000 MILES • 2WD • AUTOMATIC
Avatar
SHAUNECE JORDAN
  • MEMBER
  • 2 POSTS
Both Brakes- turning, reverse-hazards, and high beams all work. Checked engine and passenger compartment fuses and per tester all get the green light and had no visible break.

I read it might be a switch but didn't make sense as at least one low beam and high beam work at some point. The car turned on, so I think I ruled out the battery. Per above think the fuses are ruled out. I looked at the light in the front right light bulb is slightly blue tinted but appears intact and filament as well. Left headlight is clear and otherwise looks well. All lights behind a yellow cover seem to work so I didn't check those. Can't tell you what the left trunk or license light bulbs look like but excluding the license lights I think the bulbs are still good as when either turn signal are used the speed remains a slow pace indicating the light minus the reality should be working.
Sep 22, 2023 at 2:52 PM
Advertisement
Avatar
JACOBANDNICKOLAS
  • CERTIFIED EXPERT
  • 110,175 POSTS
Hi,

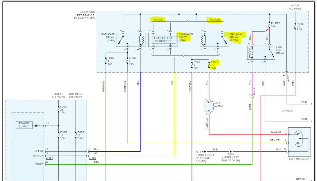
There is a headlamp relay for the low beam. It provides power to both the left and right lights. However, each bulb has a separate fuse. Fuse 1 in the under-hood fuse/relay box is for the left (driver's side) low beam. Check that fuse. When you check it, make sure there is power present to it and from it. In this case, turn the ignition key to the run position (engine off) and turn the low beam headlamps on to check for power at the fuse.

Here is a link you may find helpful:

https://www.2carpros.com/articles/how-to-check-a-car-fuse

Next, if the fuse has power, go to the headlamp and disconnect it. Check the red wire with a blue tracer for power with the lights requested on. If you have power, either the bulb is bad or there is no ground. But, if the high beam works, the ground should be present.

Let me know what you find.

Take care,

Joe

See pics below.
Sep 22, 2023 at 3:13 PM
Avatar
SHAUNECE JORDAN
  • MEMBER
  • 2 POSTS
Hi, thank you for your quick reply and I apologize about my delay. However, I did find out that the lights are dual filament lights. Which I did not know both lights were truly just out on the lower ends. The lights were replaced, and all has been well ever since. Thank you again for your support. Have a great day.
Oct 16, 2023 at 9:36 AM
Advertisement
Avatar
JACOBANDNICKOLAS
  • CERTIFIED EXPERT
  • 110,175 POSTS
Hi,

Thanks for the update. You have no idea how often that happens. LOL are the other rear lamps now working as well?

Let me know.

Joe
Oct 16, 2023 at 7:22 PM