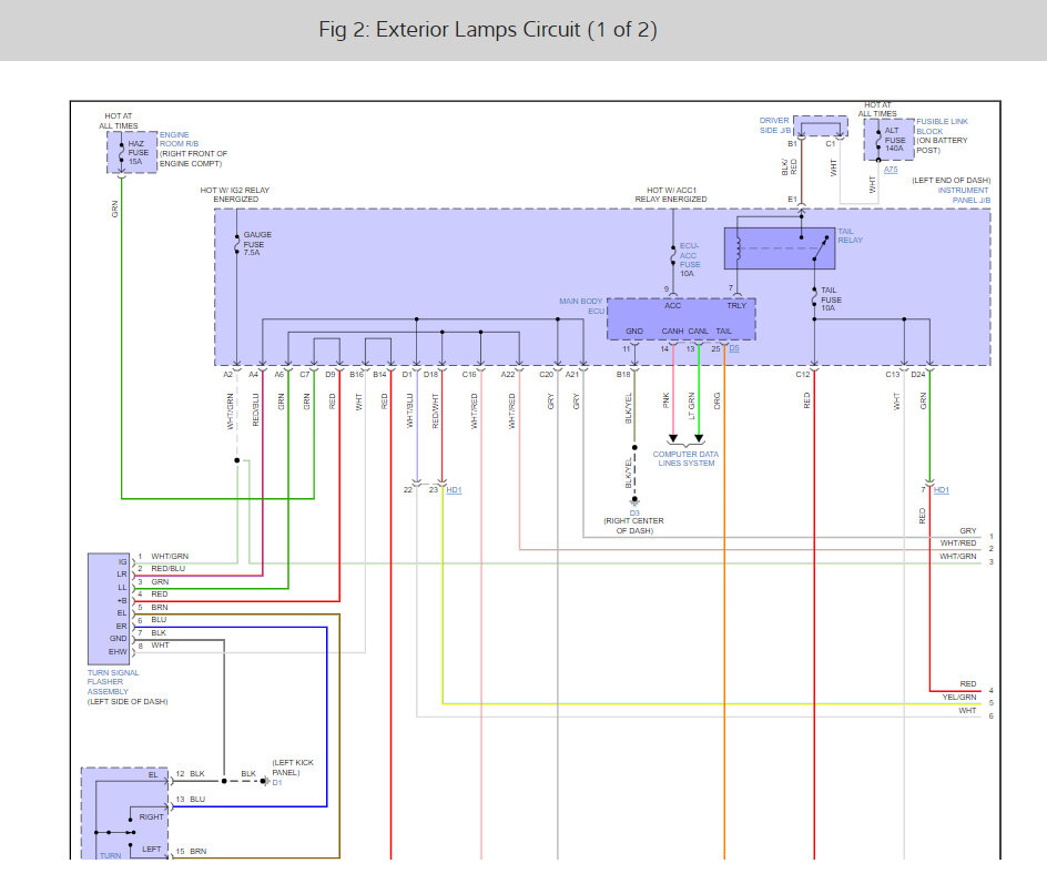
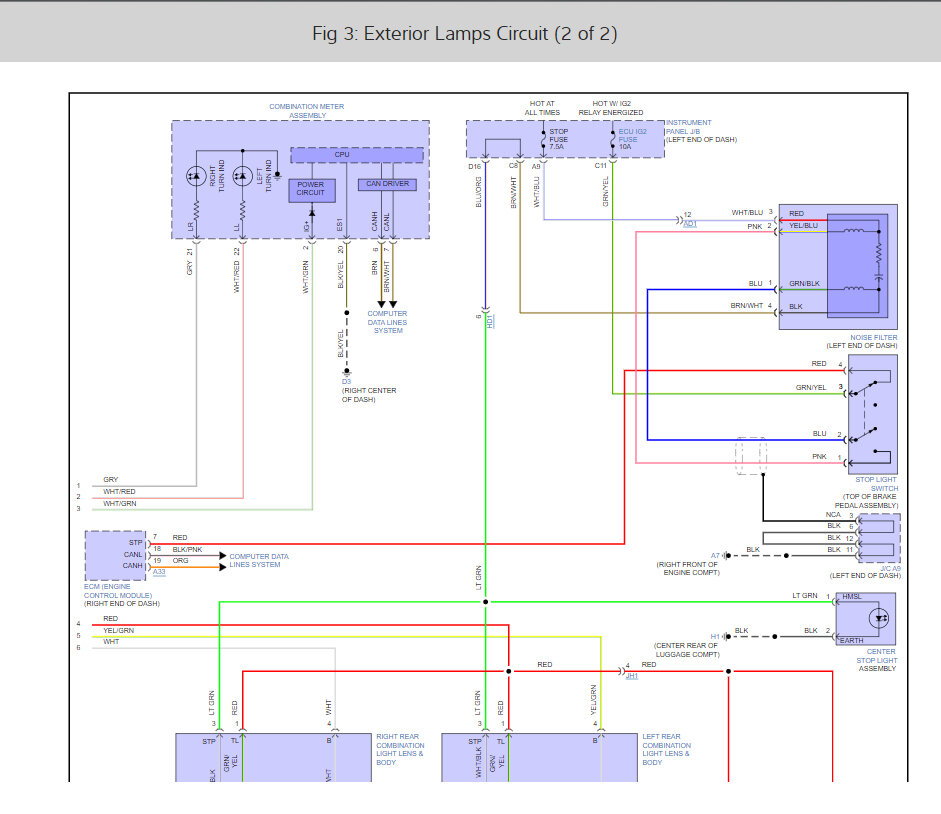
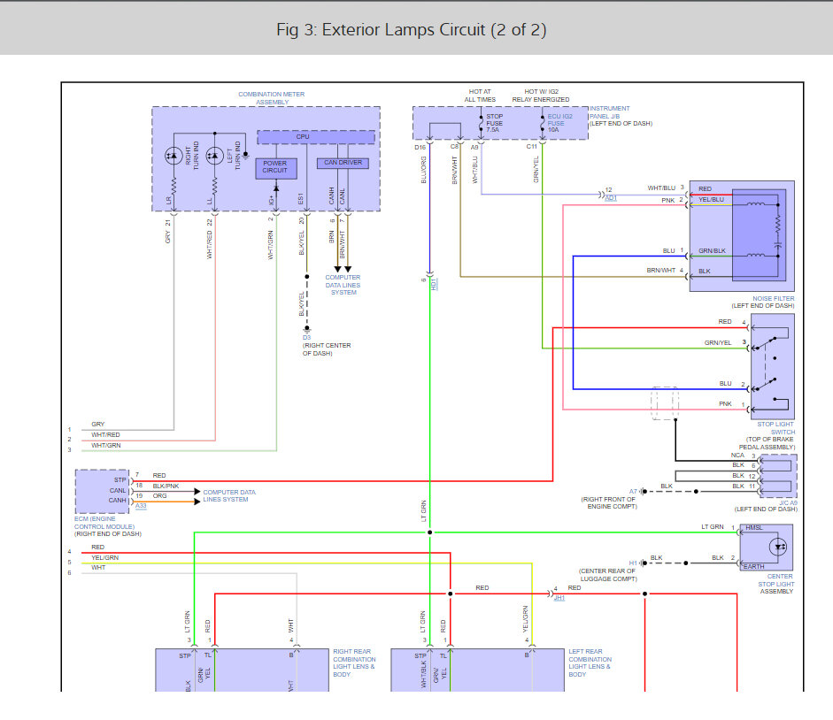
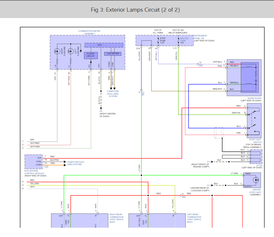
After my tires grabbed my wheel well liners on the highway, they were ripped out and run over. I pulled over to look for damage. What I found instead was that the car would no longer change gears unless I stuck something in the manual override transmission button (no idea what it's actually called). On top of this, the headlights no longer turn on at all, the dash lights stay on even after shutting the car completely off, and the tail lights also stay on even after shutting the car completely off. I have since disconnected the battery and left it in my garage. I just noticed; it was both of the front wheel well liners. The back two had no issue.
Dec 23, 2022 at 6:29 AM











