Lift-gate will not open

2013 FORD ESCAPE
80,000 MILES
Avatar
YARY
  • MEMBER
  • 1 POST
The lock we can hear when unlocked but it doesn't. We try from the inside of panel but it is like the second lock doesn't release.
Feb 4, 2019 at 12:09 PM
Advertisement
Avatar
STRAILER
  • CERTIFIED EXPERT
  • 53,854 POSTS
Hello,

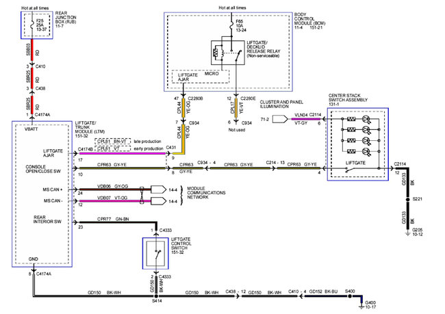
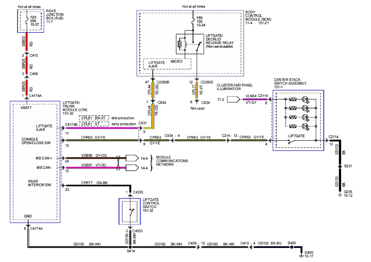
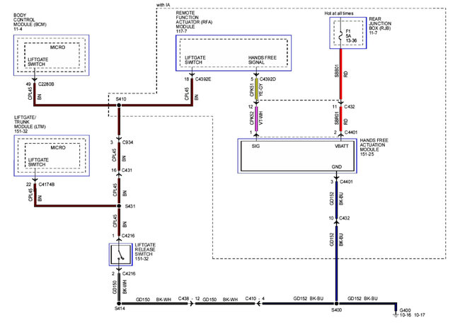
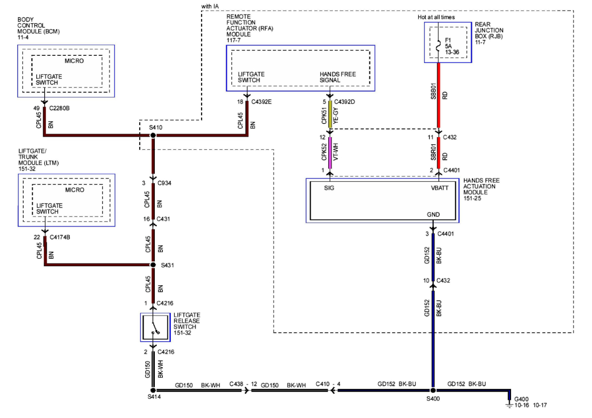
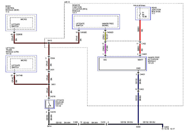
I would try working the switch while a helper pushes inward on the lift-gate. It sounds like the system is working but you may need to lube the latch. I have diagrams and instructions below on how to remove the inner panel to inspect and the latch wiring diagrams so you can see how the system works.

Check out the diagrams (below). Please let us know what you find. We are interested to see what it is.

Feb 6, 2019 at 2:00 PM