☰
Login
Join
×
Home
Answered Questions
Repair Topics
Repair & Service Guides
Popular Questions
Warning Lights
Trouble Codes
How It Works
Testing / Diagnostics
Symptoms
Videos
Login
Become a Member
Home
Chevrolet
HHR
Body
Liftgate
Relay
How to check the liftgate relay?
2008 CHEVROLET HHR
66,000 MILES • 4 CYL • 2WD • AUTOMATIC
KALKOBALL
MEMBER
1 POST
FOLLOW
Is there a way to check if #18 liftgate relay is good? I'm disabled and can't afford much. Thanks
Sep 11, 2023 at 2:21 AM
Advertisement
STRAILER
CERTIFIED EXPERT
53,855 POSTS
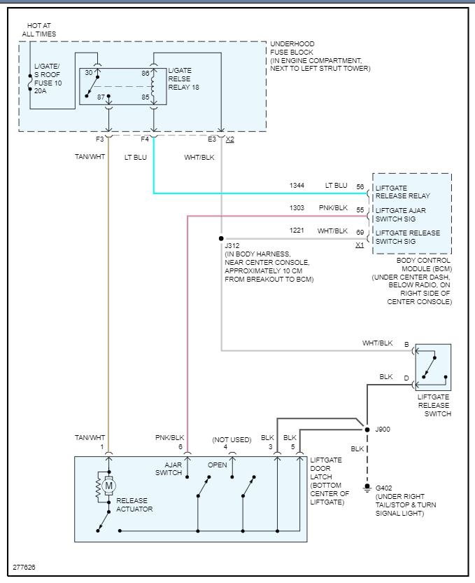
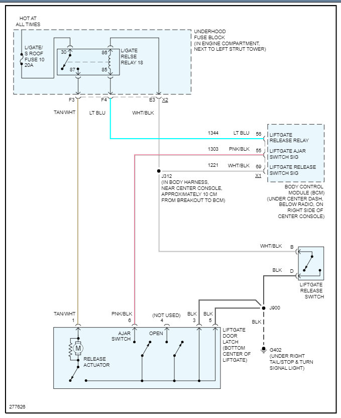
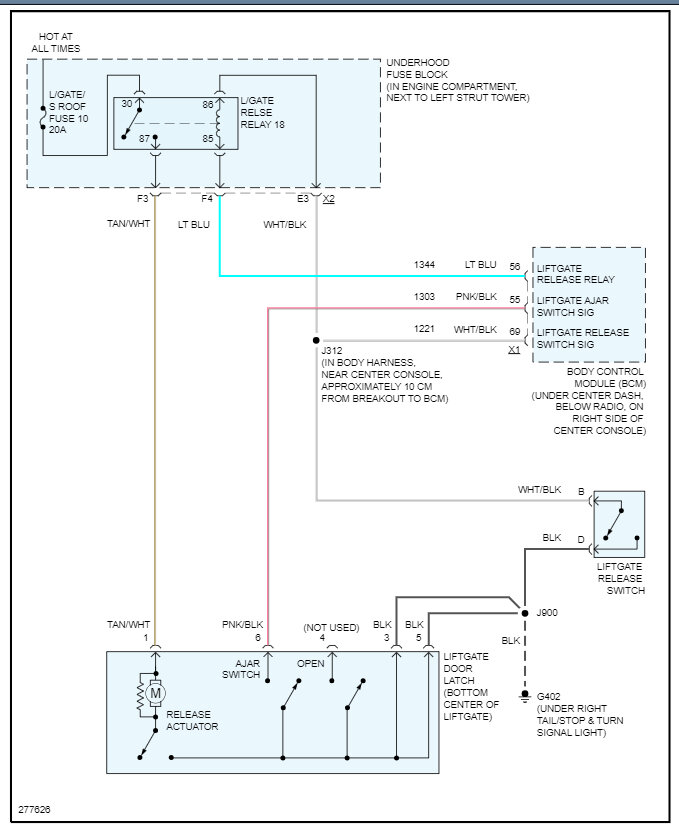
Yes, this guide can help:
https://www.2carpros.com/articles/how-to-check-an-electrical-relay-and-wiring-control-circuit
Here are the wiring diagrams to help with the test. Check out the images (below). Please let us know how it goes.
Image (Click to enlarge)
Sep 11, 2023 at 6:14 PM