Lift-gate issue

2014 GMC YUKON
150,000 MILES • 6.2L • V8 • 4WD • AUTOMATIC
Avatar
ROCKINPAPAW1957
  • MEMBER
  • 3 POSTS
This issue started about a year ago when the rear lift-gate handle switch quit working. I could still open and close the lift-gate with the overhead switch and key fob. Then I lost the function of the close button that’s on the bottom right side of the door panel when opened. But I could still close with the fob. Then about two weeks ago I lost all open and close controls everywhere. YouTube gave me a video on how to get it open. I’ve replaced the latch and motor assembly. That didn’t work. Of course I’ve checked all fuses and that’s all good. Yesterday I took the battery terminals loose on the vehicle and replaced a perfectly good fuse with a new one. Now I’m back to the key fob and overhead switch working but I’m not sure for how long. As you can imagine this is very frustrating. Any ideas would be appreciated
Aug 27, 2019 at 4:11 PM
Advertisement
Avatar
STRAILER
  • CERTIFIED EXPERT
  • 53,854 POSTS
Hello,

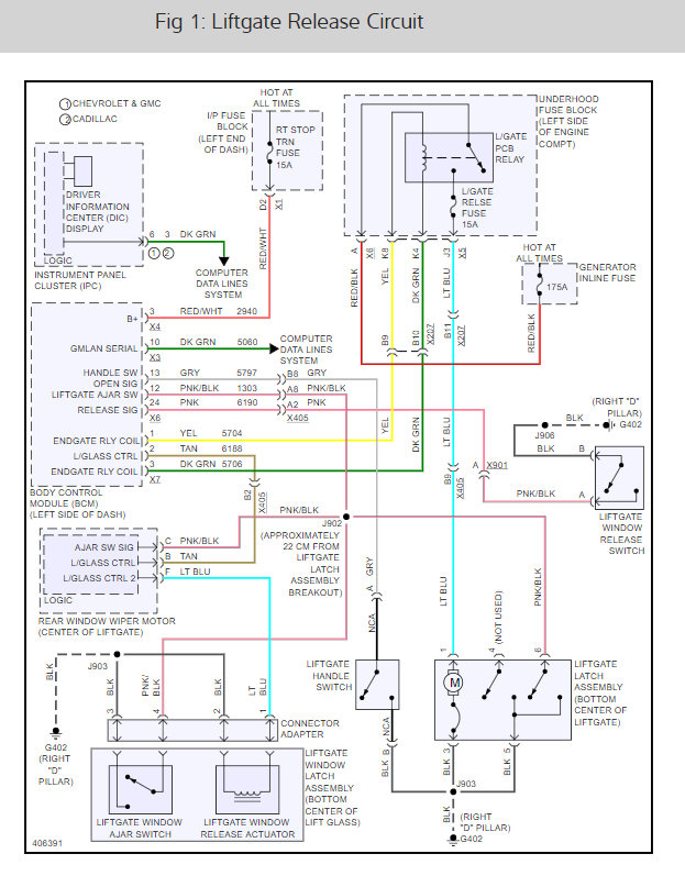
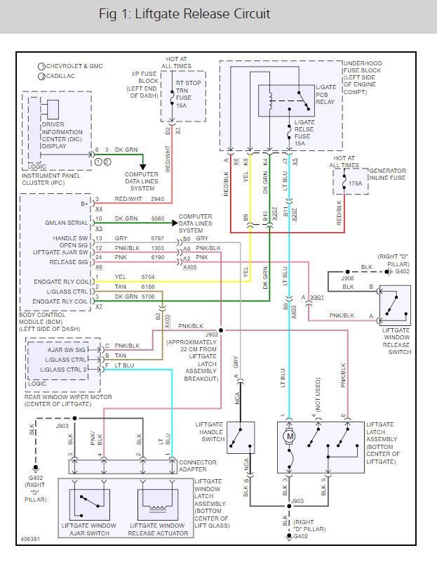
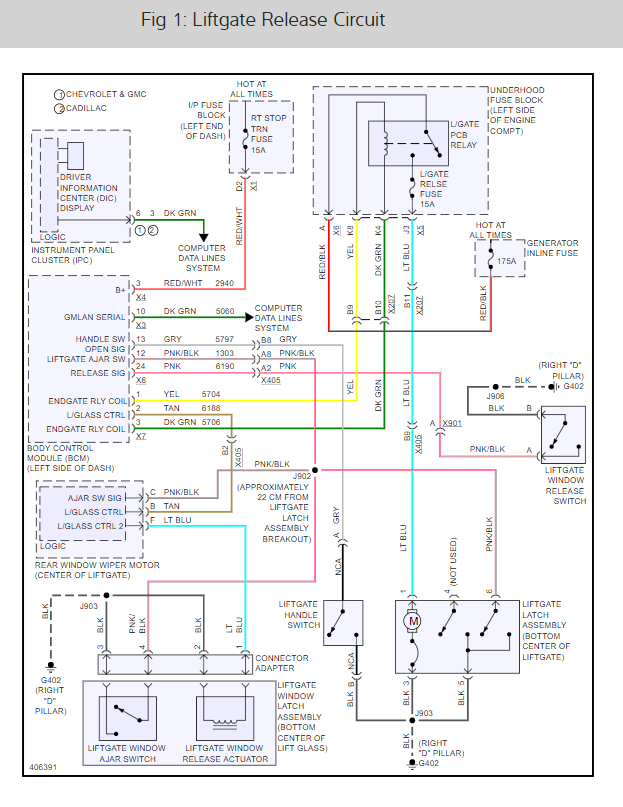
It sounds like the lift-gate control module has gone out here is the location and the instructions on how to replace it. It might need to be programmed or you can try a used unit to see if that works as well. I have also included the wring diagrams for the lift-gate so you can see how the system works. Check out the diagrams (below). Please let us know what you find. We are interested to see what it is.



Aug 29, 2019 at 11:36 AM
Avatar
ROCKINPAPAW1957
  • MEMBER
  • 3 POSTS
Okay, I’m told by the parts department that there are 2 lift-gate control modules on my vehicle. One is $240.00 and the other is $750.00. Not real thrilled with either one but definitely not both. Is there any way to trouble shoot these to determine which?
Aug 29, 2019 at 3:57 PM
Advertisement
Avatar
ROCKINPAPAW1957
  • MEMBER
  • 3 POSTS
The service guy is leaning toward part 10. Thoughts?
Aug 29, 2019 at 4:00 PM
Avatar
STRAILER
  • CERTIFIED EXPERT
  • 53,854 POSTS
Yep #10 is what I was thinking was wrong as well. The testing to see if the part is bad can be done by using a CAN scanner which will run about $40.00 on Amazon. here is a video of the job being done:

https://youtu.be/InIlnsjOVFA

Here is the CAN scanner:

https://www.amazon.com/gp/product/B007XE8C74/ref=as_li_qf_asin_il_tl?ie=UTF8&tag=2carprcom-20&creative=9325&linkCode=as2&creativeASIN=B007XE8C74&linkId=e817e15fb1f3c95db64b33e4847f302a

Please let us know what you find. We are interested to see what it is.
Aug 31, 2019 at 11:13 AM