Lift-gate fuse or fuses location

2006 JEEP COMMANDER
150,000 MILES • V8 • 4WD
Avatar
KENNY HENSLEY
  • MEMBER
  • 1 POST
My lift-gate light is on I want to find the fuse or fuses where are they exactly at when looking at the fuse box under the hood and else where?
Jan 1, 2019 at 1:13 AM
Advertisement
Avatar
JACOBANDNICKOLAS
  • CERTIFIED EXPERT
  • 110,175 POSTS
Hi and thanks for using 2CarPros.

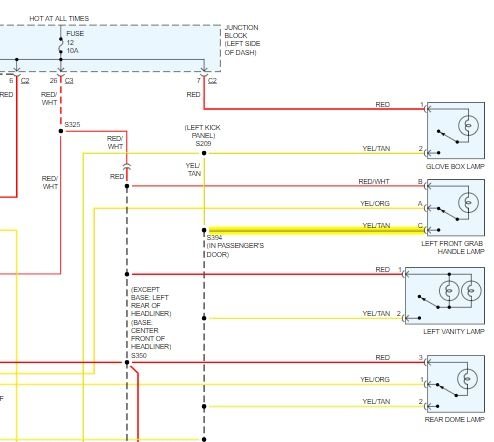
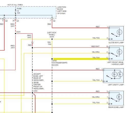
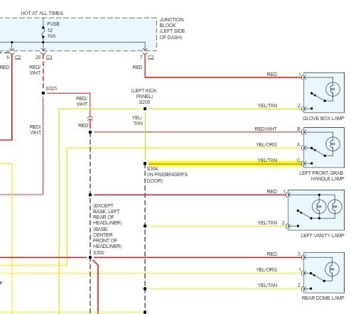
The fuse is number 12 on the left hand side fuse box in the vehicle. I attached both a schematic showing where the power comes from as well as a partial picture of the fuse box showing fuse 12 location.

Keep in mind, that fuse powers all internal convenience lighting. It is powered regardless of the ignition key position.

Let me know if this helps or if you have other questions.

Take care,
Joe
Jan 1, 2019 at 9:35 PM