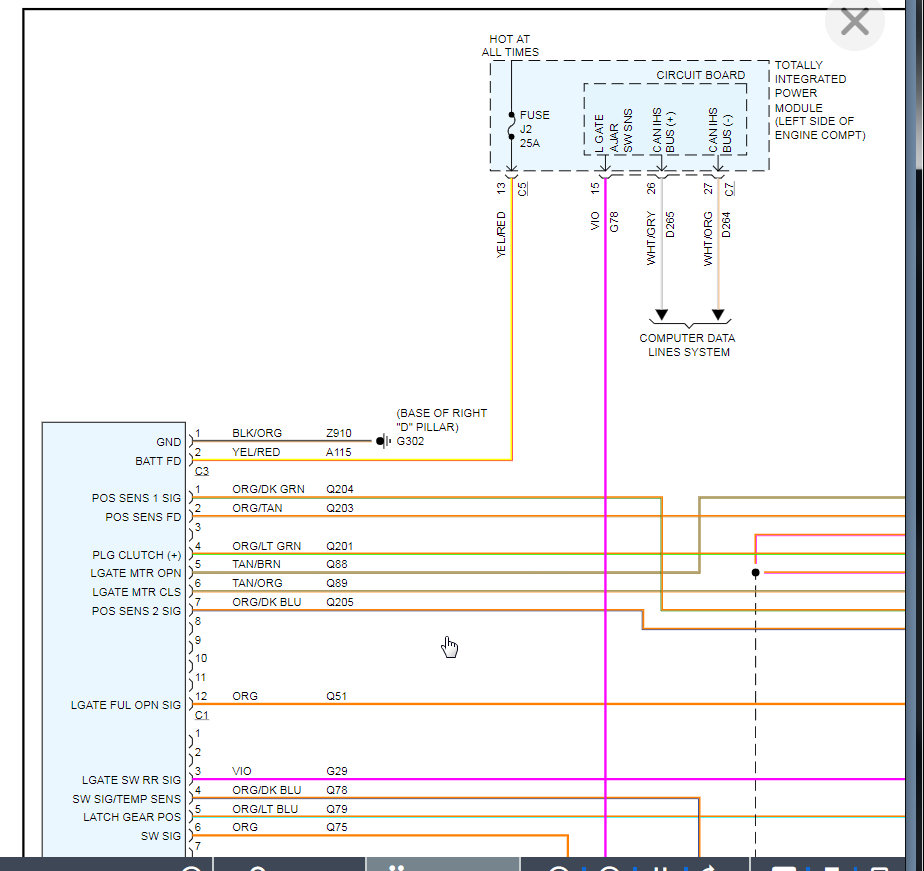
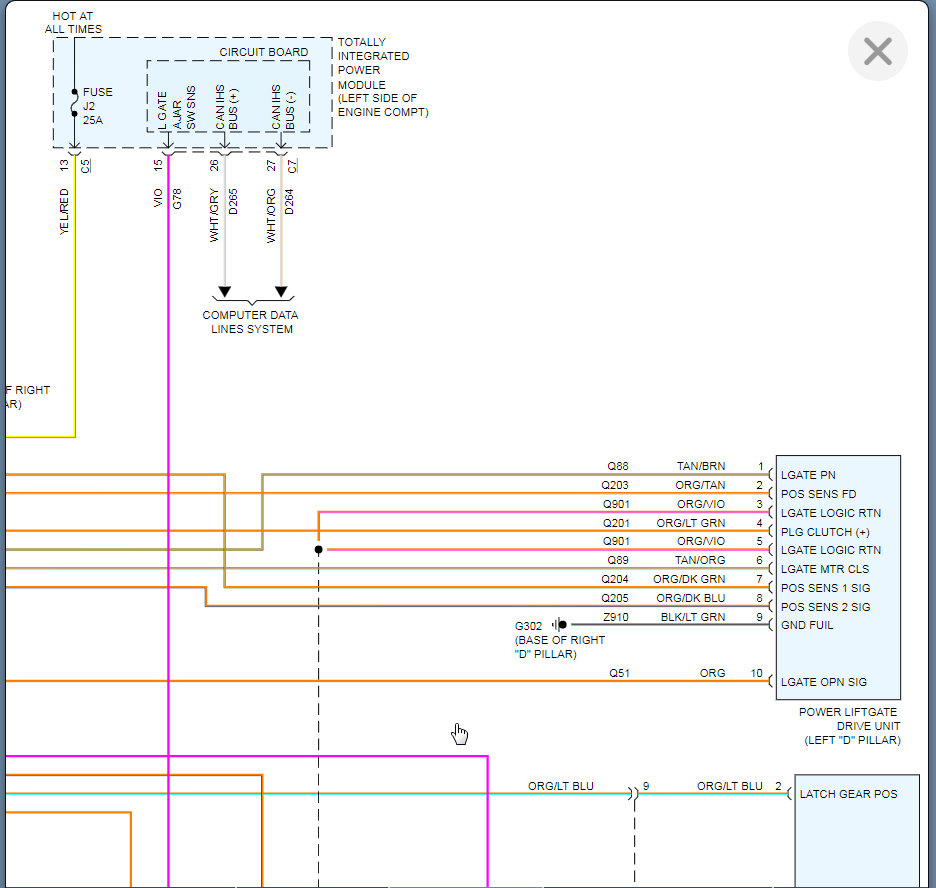
No response from key fob or from console buttons. lock doesn't seem to actuate, press key fob from outside no taillight flash or chime. I have opened it manually through the access panel and I did replace the latch mechanism with another used latch after finding switch on latch with high resistance. leaning now towards pinch sensors. did check lift-gate module in fuse box looked okay. any input helpful.
Oct 14, 2019 at 7:28 AM




