Lifters tick loud are they adjustable

1994 PONTIAC SUNBIRD
175,000 MILES • 2.0L • 4 CYL • 2WD • AUTOMATIC
Avatar
CRIZMO
  • MEMBER
  • 1 POST
Can I adjust lifters for noise ticking?
Dec 8, 2018 at 2:51 AM
Advertisement
Avatar
ASEMASTER6371
  • CERTIFIED EXPERT
  • 52,796 POSTS
Good morning,

You have hydraulic lifters and they are not adjustable at all.

This engine is equipped with hydraulic valve lifters, there is no provision for adjustment.

It sounds like one or more may have dirt in them from debris from the oil. I would suggest getting some sea foam for oil. Add it to the oil and let it run for about one hour at idle. Then change the oil/filter and add new. it may take some time to go away. If it does not, then good chance you will need to replace the lifters.

Roy

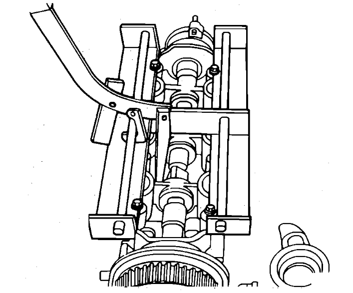
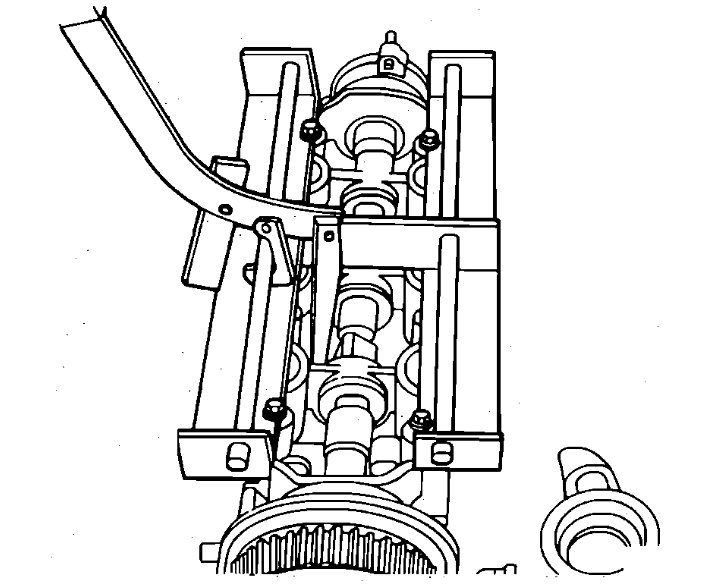
Procedure

. Disconnect battery ground cable.
2. Remove camshaft carrier cover.
3. Using tool No. J-33302-25 or equivalent, Fig. 8, compress valve springs and remove rocker arms. Place rocker arms in a suitable rack so they can be installed in the same location.
4. Remove hydraulic lash compensators and place them in a rack so they can be installed in the same location.
5. Reverse procedure to install. The preload of the hydraulic valve lash compensator is automatic and servicing of the compensator requires only care and cleanliness be exercised in the handling of these components.
Dec 8, 2018 at 6:59 AM