Lift gate not working

2014 GMC YUKON
60,000 MILES • 6.3L • V8 • 4WD • AUTOMATIC
Avatar
JCMYGATT
  • MEMBER
  • 2 POSTS
The rear lift gate will not open when the engine is off and the key is out. Neither the key fob,the gate switch button or the overhead dash switch.
Dec 7, 2019 at 1:33 PM
Advertisement
Avatar
STRAILER
  • CERTIFIED EXPERT
  • 53,854 POSTS
Hello,

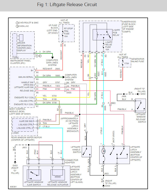
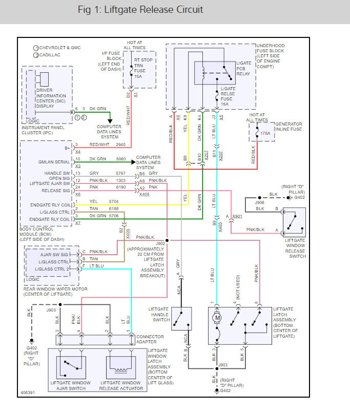
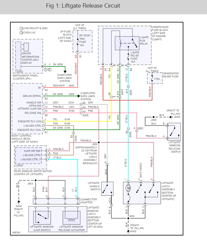
It sounds like the motor or module could be bad. To be sure lets run some simple tests, first let's check for power at the LGM and OBS DET fuses under the hood and inside the car. Here is a guide to help us and the fuse locations along with the lift-gate wiring diagrams so you can see how the system works:

https://www.2carpros.com/articles/how-to-check-a-car-fuse

Check out the diagrams (below). Please let us know what you find. We are interested to see what it is.

Dec 8, 2019 at 5:46 PM
Avatar
JCMYGATT
  • MEMBER
  • 2 POSTS
the life gate will open when the engine is running but not when the engine is shut down. where should i look to fix this problem?
Jan 24, 2020 at 3:24 PM
Advertisement
Avatar
STRAILER
  • CERTIFIED EXPERT
  • 53,854 POSTS
Okay, this sounds like an operational error which the BCM handled which could be going bad. To be sure lets do a CAN scan which is the future of automotive repair. you can get a CAN scanner from Amazon for about $40.00. here is a video to show you how:

https://youtu.be/InIlnsjOVFA

If confirmed here is how you can change out the BCM. Check out the diagrams (below). Please let us know what happens.
Jan 24, 2020 at 7:09 PM