Lift Gate not working

2013 GMC YUKON
45,000 MILES
Avatar
WAYNE DUPRE
  • MEMBER
  • 10 POSTS
Lift gate will not open with hand, remote or inside button.
Oct 14, 2016 at 6:02 PM
Advertisement
Avatar
CJ MEDEVAC
  • CERTIFIED EXPERT
  • 11,004 POSTS
Several sub-models/ engine sizes/ etc.

I need to sift through all of this to find the correct diagram for the system in "Prodemand"

easiest thing to get it right on my end is to enter in your VIN (sifting is immediate!)

Reckon you can send it to me?

These diagrams show all fuses/ relays/ stuff and their locations. easy stuff to check is found quickly, the computer/ electronic stuff may need a pro to diagnose.

Your turn

The Medic
Oct 14, 2016 at 7:13 PM
Avatar
WAYNE DUPRE
  • MEMBER
  • 10 POSTS
1GKS2MEF8DR210634. I disconnect battery for a minute and all is well. Just want to know what is causing it? Thanks
Oct 16, 2016 at 1:34 PM
Advertisement
Avatar
WAYNE DUPRE
  • MEMBER
  • 10 POSTS
Also brought to the GMC dealership and they called the factory and still could not solve the problem. That is why I am here.
Oct 17, 2016 at 7:42 AM
Avatar
STRAILER
  • CERTIFIED EXPERT
  • 53,854 POSTS
It sounds like the BCM is having a problem. That is why it needs to be reset, has it done it again?

Please let us know so it will help others.

Best, Ken
Oct 17, 2016 at 6:59 PM
Avatar
WAYNE DUPRE
  • MEMBER
  • 10 POSTS
It has done it about four times all together. Since last time I reset it about a month or so ago, No it still working.
Oct 19, 2016 at 8:58 AM
Avatar
STRAILER
  • CERTIFIED EXPERT
  • 53,854 POSTS
Yes, it sounds like a BCM problem. You may need to replace it.
Oct 19, 2016 at 9:50 AM
Avatar
AL514
  • CERTIFIED EXPERT
  • 5,465 POSTS
Have any of the Modules/PCM/ or any body control computers been replaced at all since this started happening? Or have they just been checking the wiring in the vehicle?
Oct 19, 2016 at 10:11 AM
Avatar
AL514
  • CERTIFIED EXPERT
  • 5,465 POSTS
And yes we need to know the sub model (ie, XL or not), engine size, 4 wheel drive or just rear wheel, please, this will aid us if in finding the right diagrams for this vehicle.
Oct 19, 2016 at 10:17 AM
Avatar
WAYNE DUPRE
  • MEMBER
  • 10 POSTS
Nothing has been replaced on the vehicle. 2013 Yukon Denali XL. 6.2 liter.
Oct 19, 2016 at 11:52 AM
Avatar
WAYNE DUPRE
  • MEMBER
  • 10 POSTS
All Wheel Drive
Oct 19, 2016 at 11:52 AM
Avatar
WAYNE DUPRE
  • MEMBER
  • 10 POSTS
The GM shop could not find the problem. I will bring it back and tell them what we talked about. Thanks for the help!
Oct 19, 2016 at 11:55 AM
Avatar
AL514
  • CERTIFIED EXPERT
  • 5,465 POSTS
do you want me too look into the wiring diagrams a bit more or are you okay for now? you can always come back anytime.
Oct 19, 2016 at 2:28 PM
Avatar
WAYNE DUPRE
  • MEMBER
  • 10 POSTS
I would very much like that.
Oct 19, 2016 at 2:39 PM
Avatar
AL514
  • CERTIFIED EXPERT
  • 5,465 POSTS
is this the Hybrid model? gas/ethanol?
Oct 19, 2016 at 2:51 PM
Avatar
WAYNE DUPRE
  • MEMBER
  • 10 POSTS
no it is not.
Oct 19, 2016 at 2:52 PM
Avatar
AL514
  • CERTIFIED EXPERT
  • 5,465 POSTS
Okay, I have to tell you up front this is a very complex system, it uses Data lines to communicate with the ECM and other control modules in the truck. Okay, so is the Lift Gate Window release switch working, the rear window wiper motor, or any lights on the dash on for any of this systems?

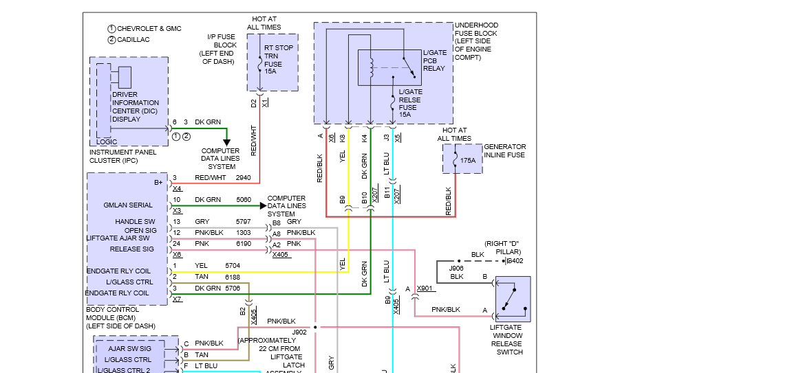
There also is a 175 amp inline fuse that protects the tailgate relay coming from the alternator. The relay for the lift gate is located in a fuse panel under the hood, here is a diagram of that also.

The rear wiper and window release switch get power from the same junction. That is why I ask.
Oct 19, 2016 at 3:06 PM
Avatar
AL514
  • CERTIFIED EXPERT
  • 5,465 POSTS
There is also a Power Lift Gate Module (which may be the problem) , this controls all the lift gate functions from the interior control switch. yes its confusing, Its located somewhere in the left hand side of the cargo area. There are two wires that power this module, you can actually check them for power at their fuses if you would like. They are hot at all times. Here are those two fuses. Ones under the hood, the other is in the Ignition fuse panel, under the left hand side of the dash. LGM fuse and OBS fuse.
Oct 19, 2016 at 3:18 PM
Avatar
AL514
  • CERTIFIED EXPERT
  • 5,465 POSTS
Here is a diagram of the control module for the lift gate, you can see all the switches and actuators go right to it. Just trying to show you what you're dealing with. This module may be the problem, but you have to make sure there is power to those two wires and a good ground first.
Oct 19, 2016 at 3:21 PM
Avatar
WAYNE DUPRE
  • MEMBER
  • 10 POSTS
I am leaning towards the ECM controller, but will check power to the two fuses. The back wiper never game me no problems even with the gate not functioning .
Oct 25, 2016 at 9:18 AM
Avatar
STRAILER
  • CERTIFIED EXPERT
  • 53,854 POSTS
Please let us know what happen Wayne.

Best, Ken
Oct 25, 2016 at 10:24 AM
Avatar
AL514
  • CERTIFIED EXPERT
  • 5,465 POSTS
If you can locate the module in the rear of the truck for the lift-gate, we can actually see if its commanding power to the lift-gate while you push one of the control buttons, But since it works very temporarily when you unhook the battery, it seems more like a module is not functioning correctly. We can give you instructions on testing the circuits to the lift-gate motor but this will take a lot of time and taking apart some of the tailgate to get to the motor itself. You would have to test for power coming to the motor while commanding it open or closed from one of its switches. It is tough to diagnose because of the amount of data wires(CAN BUS Lines), these are actual computer circuits and send binary code on them. Gets confusing, even for us with the amount of this technology integrated into these newer vehicles.
Oct 25, 2016 at 3:15 PM
Avatar
KITCHEN RICK
  • MEMBER
  • 3 POSTS
I have a 2013 Cadillac Escalade. The 2 buttons on the lift gate will not open the lift gate glass or the lift gate.

Nor will the lift gate close with the button on the inside of the rear lift gate.

They NOW work from the remote fob and the lift gate also works from the inside headliner switch. BUT only after i disconnected the battery then reconnected it again.

BEFORE i did the battery trick i could not get the lift gate to open at all from anyone of the 3 switches. But i could get the glass to open with the remote fob.

I also found out number 44 fuse has no power to fuse at all even with the key on or truck running. It seems all the other fuses have power to them. And that 15-amp fuse is good.

What should I look for next so I can get the buttons on my lift gate to start working again? And so, my lift gate does not fail to open at all again! This was very difficult to deal with for over 2 weeks till i tried the disconnecting battery trick.

Any help will be greatly appreciated,

Rick
Feb 5, 2022 at 8:55 PM
Avatar
KITCHEN RICK
  • MEMBER
  • 3 POSTS
My vin number is 1GYS4CEF1DR129081
All-wheel drive
Standard length
6.2 V8
Flex fuel
Feb 5, 2022 at 9:01 PM
Avatar
SQM
  • CERTIFIED EXPERT
  • 6,383 POSTS
Hello,

Thank you for your question.
Since this is a different vehicle from the original thread, kindly open a new thread.
Simply enter your question by going to this link:

https://www.2carpros.com/questions/new

This will put it in front of all the experts.
Thank you.
Feb 5, 2022 at 9:05 PM
Avatar
LOWRY89
  • MEMBER
  • 2 POSTS
Are you sure you didn’t accidentally push the button on your key fob to open the hatch window? If you do and the window is open, which you can’t tell just from looking at it you have to try to lift it, the lift gate will not open up. Took me forever to figure this out.
Jun 10, 2023 at 8:31 PM