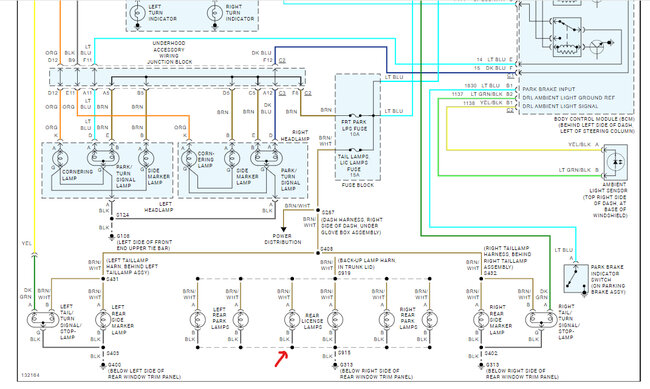
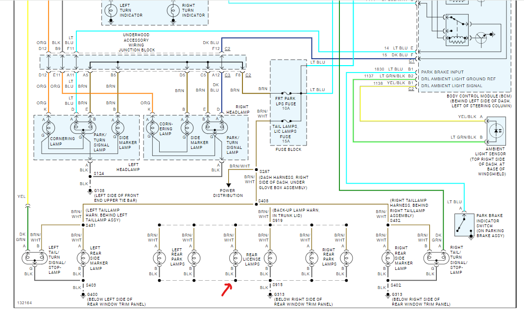
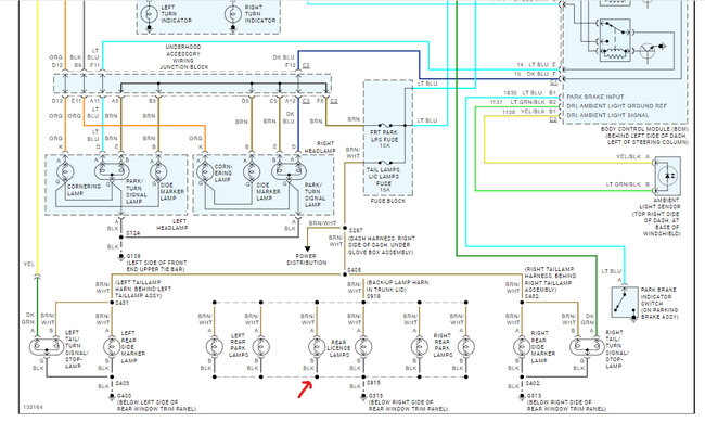
So, when I turn the lights on the lps don't work. I was working on the trunk that doesn't open and I told my son to push the trunk release button in the glove box and when he did the license plate lights turned on. So, I told him to turn the lights on and then the license plate lights stopped working. so, in recap the license plate lights turn on when you push the trunk release button inside but not when you turn on the head lights. any suggestions would be helpful. thank you
Sep 12, 2024 at 4:31 PM
