Where is the license plate light fuse located?

2017 TOYOTA TACOMA
100 MILES • 2.7L • 4 CYL • 2WD • AUTOMATIC
Avatar
ANTONIO12345
  • MEMBER
  • 2 POSTS
License plate light fuse location.
Dec 29, 2023 at 10:37 PM
Advertisement
Avatar
AL514
  • CERTIFIED EXPERT
  • 5,465 POSTS
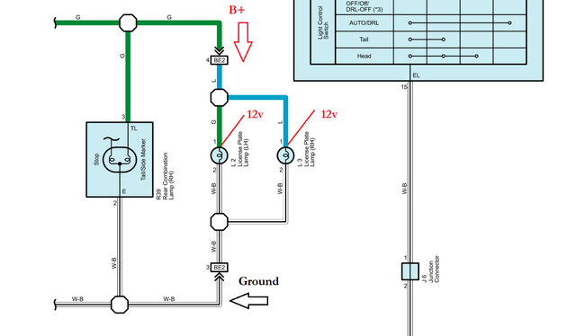
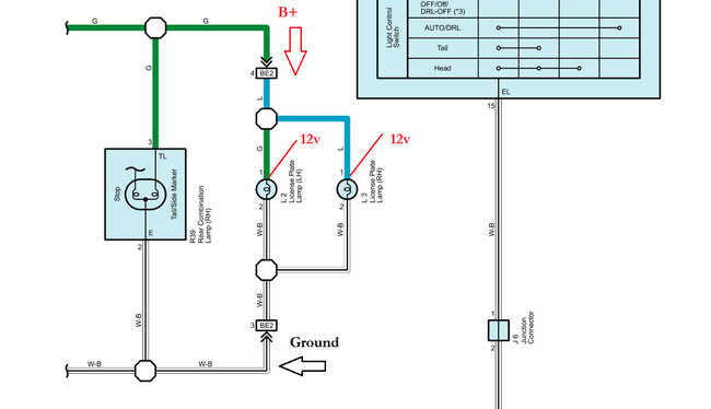
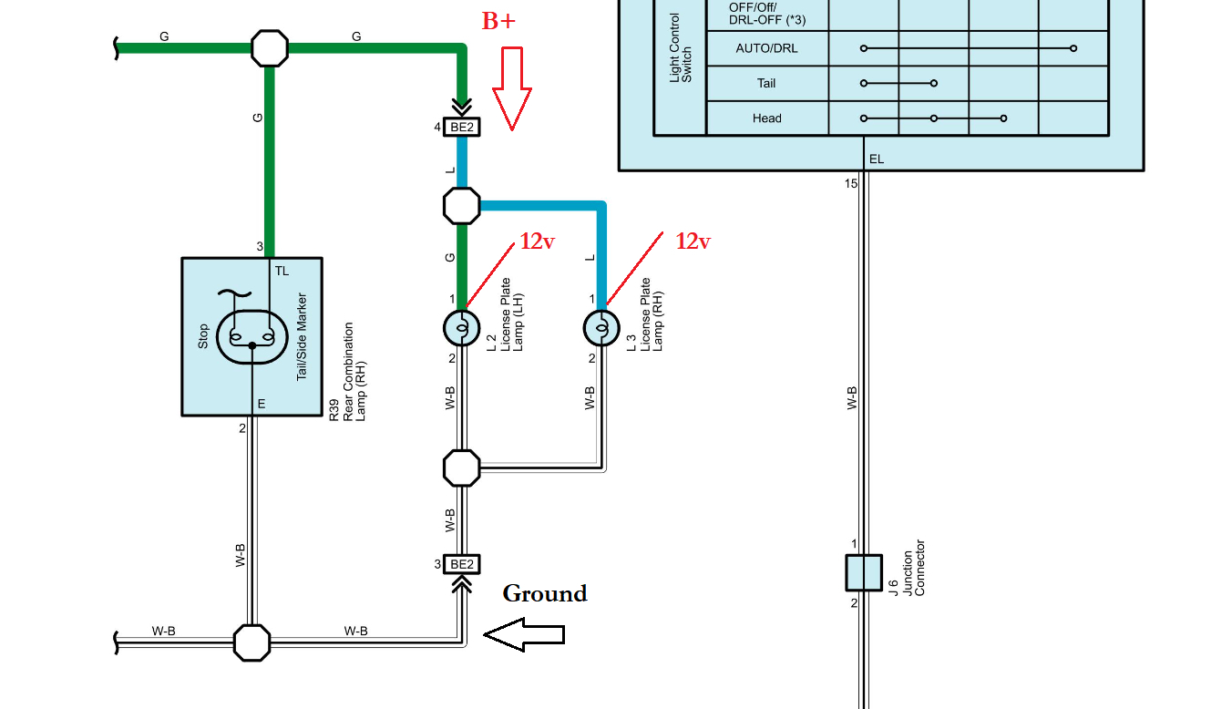
Hello, do your taillamps work for each rear set as well as the tail side marker? They are on the same circuit as the Right and Left License plate lamps, so you should check for power at each License plate bulb location first, if there is power there (12v) it might be a bad Ground for the License plate lamps, they both Ground on the Left rear Frame Rail. I'll post a diagram for you. The ground looks to be a white wire with a black stripe.

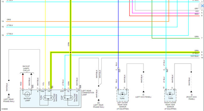
Here are the aftermarket and Toyota OEM diagrams for the Tail/License plate lamps:

https://www.2carpros.com/articles/how-to-use-a-test-light-circuit-tester

https://www.2carpros.com/articles/how-to-use-a-voltmeter
Dec 30, 2023 at 11:33 AM