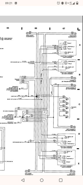
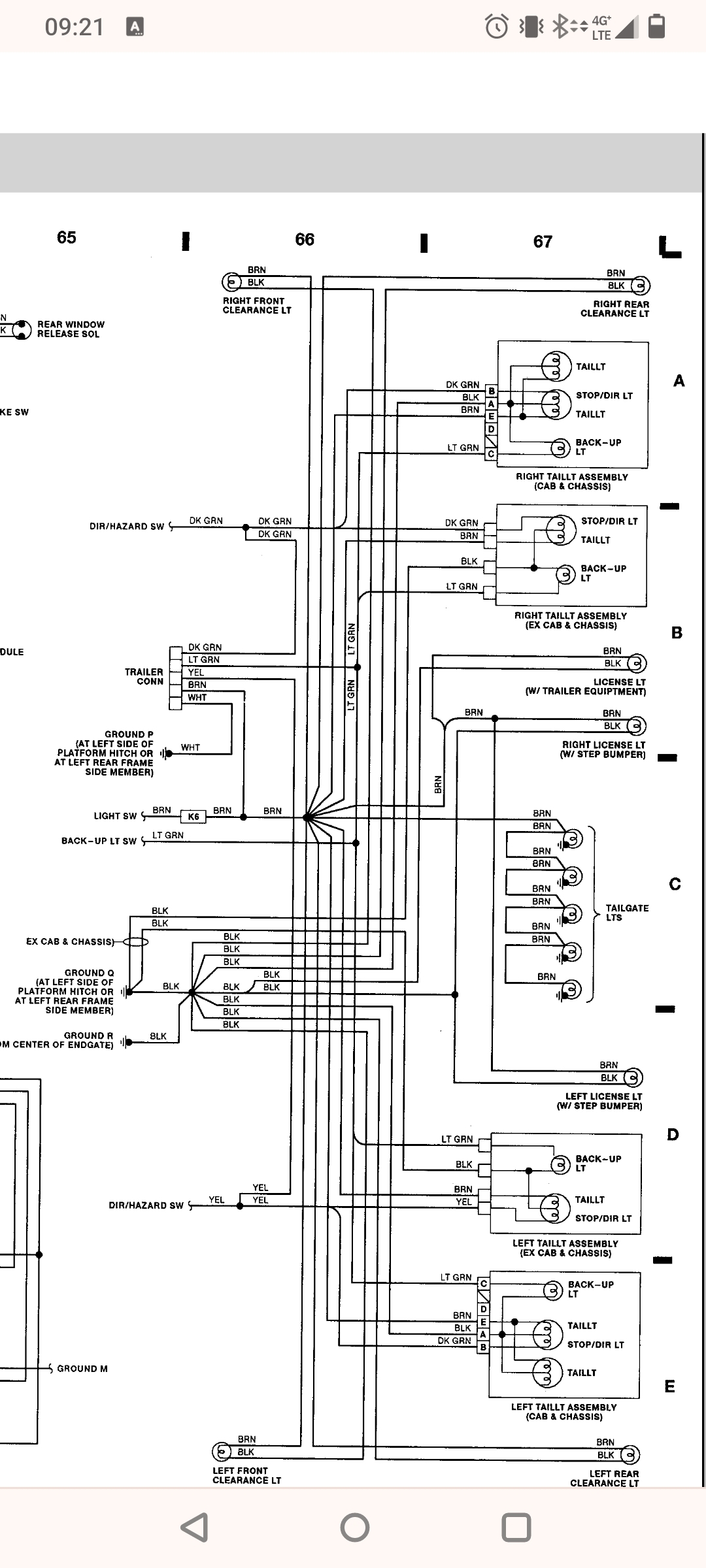
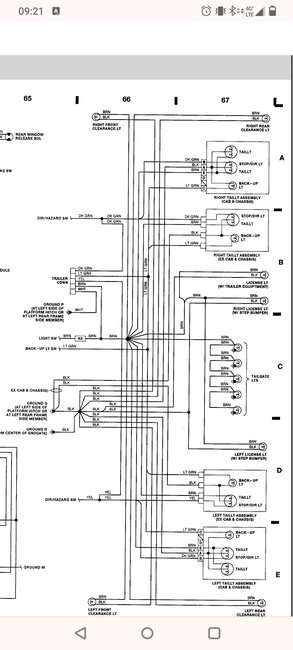
The wire to my license plate light bulbs is broken. It looks like someone tried to splice them using butt connectors but know I can’t tell what they connect to.
Jun 17, 2024 at 12:59 AM
