License plate light bulb not working?

2008 CHEVROLET IMPALA
147,725 MILES • V6 • AUTOMATIC
Avatar
BIGNESSAROMO
  • MEMBER
  • 1 POST
I bought a new wiring receptacle, a new bulb and still not working? Can anybody help
May 5, 2021 at 6:11 PM
Advertisement
Avatar
ASEMASTER6371
  • CERTIFIED EXPERT
  • 52,796 POSTS
Good evening,

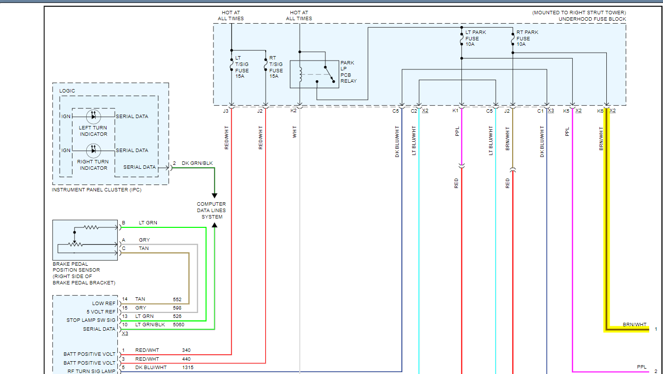
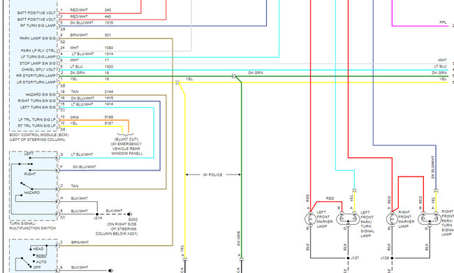
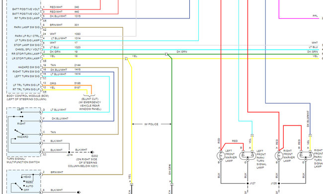
I attached a wiring diagram for you to view.

https://www.2carpros.com/articles/no-tail-lights-exterior-running-lights-tail-lights-out

Check the brown/white wire for power with the headlights on.

https://www.2carpros.com/articles/how-to-check-wiring

https://www.2carpros.com/articles/how-to-check-wiring

Roy
May 5, 2021 at 7:01 PM