Turn signals not working

2017 FORD ESCAPE
36,000 MILES • 1.5L • 4 CYL • 4WD • AUTOMATIC
Avatar
DPBUCHANAN
  • MEMBER
  • 1 POST
With key out of ignition. Car was parked for about 2 hours when it was noted to me that the left side turn lamps, front and rear, were on.
Steps taken: Turned off DRL Started it up, right side turn signals and hazard flashers work fine. Left side flashes fast however all outside lamps are lit. Turned off, left turn lamps still on. Disconnect battery, wait several minutes, reconnected, same lights on.
Dec 8, 2019 at 4:20 PM
Advertisement
Avatar
BMDOUBLE
  • CERTIFIED EXPERT
  • 1,139 POSTS
The body control module controls the turn signal operation. There is a short to power either internal to the module, or possibly in the wire harness or aftermarket alarm (if equipped).
Dec 9, 2019 at 2:40 PM
Avatar
ASEMASTER6371
  • CERTIFIED EXPERT
  • 52,796 POSTS
Good morning,

The body control module controls the turn signals based on input from the turn signal switch itself.

When you turn off the key, the only function that should work is the 4 way flashers. That does indicate that there is a fault in the BCM itself.

I attached the location and the procedure for the replacement. You will need the Ford IDS scan tool to program the module.

Roy

The BCM will have to be replaced and programmed.
Removal

NOTE: If installing a new BCM , verify at least 2 of the vehicle keys are available prior to carrying out this procedure.

NOTE: If installing a new module, it is necessary to upload the module configuration information to the scan tool prior to removing the module. This information must be downloaded into the new module after installation.

Upload the module configuration information from the BCM into the scan tool by following the scan tool on-screen instructions.
Refer to: Module Configuration - System Operation and Component Description (418-01 Module Configuration, Description and Operation) .
Remove the 2 instrument panel insulator retainers and the instrument panel insulator.
image
Position the front door weather-strip aside and remove the instrument side trim panel.
imageOpen In New TabZoom/Print






Detach the clips and remove the RH instrument panel lower finish panel.
image






Remove the RH cover.
imageOpen In New TabZoom/Print






Remove the RH push pin.
image






Remove the bolt, release the clips and remove the RH floor console finish panel.
Torque : 22 lb.in (2.5 Nm)
imageOpen In New TabZoom/Print






Open the glove box door.
image







Remove the screws and the glove compartment.
Disconnect the electrical connector.
Torque : 18 lb.in (2 Nm)
imageOpen In New TabZoom/Print






Disconnect the BCM electrical connectors and remove the BCM .
image






Installation

NOTE: The BCM still communicates with the scan tool with the ignition off. Use the previous scan tool session or start a scan tool session using the part number or tear tag number on the PCM . The tear tag number can be found by double-clicking the VIN in the top left corner of PTS after OASIS has been run for the VIN.

NOTE: Low vehicle battery state-of-charge can affect proper module programming. Battery state-of-charge can be monitored on the scan tool. A red battery icon indicates low vehicle battery state-of-charge. Over-voltage may also affect module programming.

Make sure the battery is fully charged before starting the installation procedure. Do not have a battery charger connected to the vehicle charging system during the installation procedure. Make sure the battery is fully charged before starting the installation procedure. Do not have a battery charger connected to the vehicle charging system during the installation procedure.
To install, reverse the removal procedure.
NOTE: Carry out the remaining steps only if installing a new BCM .

NOTE: You will not be able to confirm that transport mode has been deactivated until module programming has been completed.

Deactivate transport mode in the BCM .
Refer to: Transport and Factory Mode Deactivation (419-10 Multifunction Electronic Modules, General Procedures) .
Carry out the PMI procedure for the BCM .
Turn the ignition OFF and leave it OFF until Step 8.
For vehicles without push button start, remove the key from the ignition.
Using the scan tool, select Tool Box/Module Programming/Programmable Parameters/Car Configuration Parameter(s).
Nov 26, 2020 at 9:05 AM
Advertisement
Avatar
STEVE GASPO
  • MEMBER
  • 1 POST
Right rear blinker won't work. New bulb and fuse put in. Lights up when lights are turned on but not with 4-way flasher. New to this site. Could it be a relay? But doesn't the relay work both sides of the blinkers on the same relay? Please help
Nov 26, 2020 at 9:08 AM (Merged)
Avatar
KASEKENNY
  • CERTIFIED EXPERT
  • 18,907 POSTS
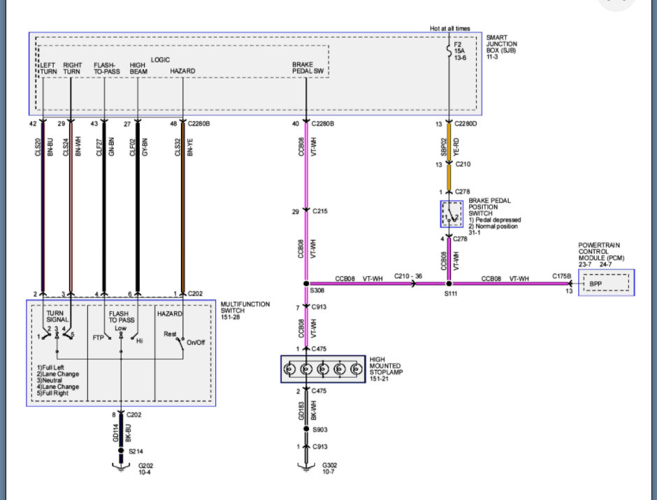
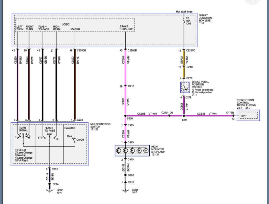
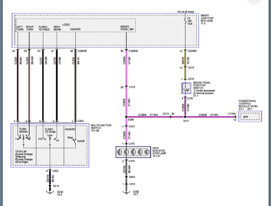
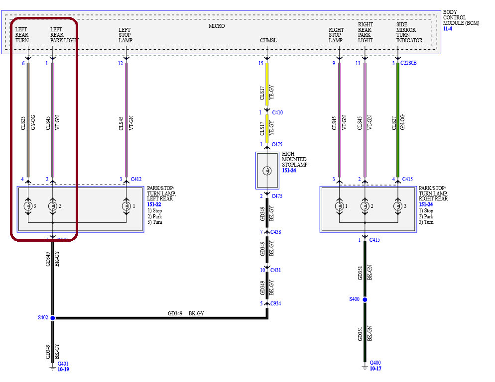
You actually don't have a flasher for this vehicle. You have what is called a smart junction box. As you can see the SJB controls the operation of this so if the flashers are the only thing not working but the bulb does the SJB is most likely the issue.

I attached the info that you need but I would suggest just testing voltage from the switch to the SJB when you turn the flashers on and just make sure the switch is sending the input to turn them on. If it is then the SJB is not sending the signal to operate that side. You can assume it is since you have the other side operating.
Nov 26, 2020 at 9:08 AM (Merged)
Avatar
JISHEE
  • MEMBER
  • 1 POST
It's not just the turn signals that don't work--the flashers and interior dome light also do not work. We replaced the 25A fuse for turn signals and dome lights listed for this area with no change. We replaced the column switches with no change. All other lights are working properly as do the windows, door locks, radio, etc. We're looking now for a short or grounding problem. Would appreciate helpful feedback.
Nov 26, 2020 at 9:09 AM (Merged)
Avatar
JACOBANDNICKOLAS
  • CERTIFIED EXPERT
  • 110,175 POSTS
Hello,

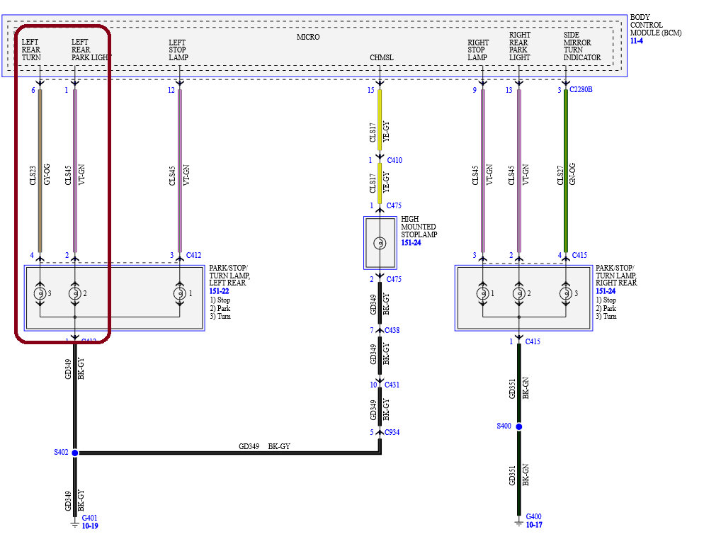
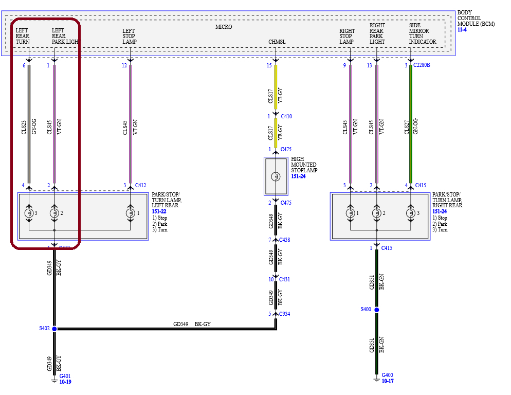
There is a fuse #2 and #3 that need to checked for power. Here is a guide to help us get started and the blinker wiring diagrams so you can see how the system works.

https://www.2carpros.com/articles/how-to-use-a-test-light-circuit-tester

If you have power it sounds like the smart junction box has gone bad.

Check out the diagrams (Below). Please let us know what you find. We are interested to see what it is. Cheers
Nov 26, 2020 at 9:09 AM (Merged)
Avatar
GILBERTO CORONADO
  • MEMBER
  • 1 POST
Thank you for this post, I had the same problem and had to get a new smart junction box cost me $360.00 all fixed! I love this site.
Nov 26, 2020 at 9:09 AM (Merged)
Avatar
RACHAL JOSSEY
  • MEMBER
  • 1 POST
The turn signals, the blower on the AC/heater, and a couple other things like the cigarette lighter only work sometimes. The will cut on and off sometimes or not work at all. They do not work more than they do. Any advice as to where to start. I have tried looking up the electrical diagrams but have not had much luck.
Nov 26, 2020 at 9:09 AM (Merged)
Avatar
STRAILER
  • CERTIFIED EXPERT
  • 53,854 POSTS
Hello,

There is an accessory relay that goes bad in these cars which will cause the problem you have described.

Here is its location and a guide to help confirm the failure.

https://www.2carpros.com/articles/how-to-check-an-electrical-relay-and-wiring-control-circuit

(Accessory Relay) In central junction box.

Here are some diagrams to help locate the relay (below)


Please let us know what happens, we are interested to see what it is.

Cheers, Ken
Nov 26, 2020 at 9:09 AM (Merged)
Avatar
TJASKA
  • MEMBER
  • 2 POSTS
My turning signal on the left side does not work I checked the fuse that is fine.
The light in the dashboard goes on but does not flash.
As I put on the hazard lights it does flash inside but that is all.
I also checked the flasher fuse that is fine too.
What am I missing.
Nov 26, 2020 at 9:09 AM (Merged)
Avatar
JIS001
  • CERTIFIED EXPERT
  • 3,412 POSTS
Either your flasher has gone bad or you have a bad turn signal switch. Wiggle the turn signal switch around and see if that will make it flash.

this guide can help

https://www.2carpros.com/articles/turn-signals-not-working-blinker
Nov 26, 2020 at 9:09 AM (Merged)
Avatar
TJASKA
  • MEMBER
  • 2 POSTS
Thank you for replying, Did that and it still won't work.
This means I have to change the switch?
Nov 26, 2020 at 9:09 AM (Merged)
Avatar
JIS001
  • CERTIFIED EXPERT
  • 3,412 POSTS
If you replaced the flasher and it is doing the same thing then yes, I would recommend a turn signal switch. Have a replaced a couple for the same problem.
Nov 26, 2020 at 9:09 AM (Merged)
Avatar
ALSHEPARD5
  • MEMBER
  • 1 POST
I have a 2001 Ford Escape. When the headlights are on the left turn signal light on the dash is illuminated. The left turn signal does not work at all when the headlights are on. When the lights are off and the left turn signal is used the clock and dash lights flash with the turn signal. Both of the front turn signals flash along with the brake lights in the back when the left turn signal is used and the headlights are off. The right turn signal is working fine.
Nov 26, 2020 at 9:09 AM (Merged)
Avatar
HMAC300
  • CERTIFIED EXPERT
  • 48,601 POSTS
check for either a bad bulb with the filaments touching each other or a bad ground on both front turn signals
Nov 26, 2020 at 9:09 AM (Merged)
Avatar
MARLENIA
  • MEMBER
  • 1 POST
Noises problem
2001 Ford Escape Four Wheel Drive Automatic

the alarm went off out of the blue...the remote control on my key change hasn't worked in months..i had to take some fuses out just to stop the noise..now i have no turn signals or a horn..but it's better than the annoying horn and flashing lights can you help me
Nov 26, 2020 at 9:09 AM (Merged)
Avatar
BILLYMAC
  • CERTIFIED EXPERT
  • 2,204 POSTS
Hi
disconnect neg ,batt cable for ten mins. while you have it disconeted replace the fuses. lock your doors.
now reconnect cable. unlock passenger door with key . unlock drivers door with key. this should reset the alarm system...



good luck. billymac
Nov 26, 2020 at 9:09 AM (Merged)
Avatar
PENNMATTHEWS
  • MEMBER
  • 4 POSTS
I have an Escape also, to shut off the alarm lock the driver door with the key and the door shut. This shuts it off, mine will go off if I am too fast opening the door after unlocking it.

I do not have a key FOB to activate or deactivate the alarm and I learned this real quick. The owners manual also covers this.
Nov 26, 2020 at 9:09 AM (Merged)