Left turn signal does not work?

2001 TOYOTA AVALON
130,000 MILES • 3.0L • 6 CYL • 2WD • AUTOMATIC
Avatar
BLADE751
  • MEMBER
  • 12 POSTS
my car listed above XLS model, turn signal stop working on the rear driver side but the right rear, and both front signals work, i checked the bulb socket with a meter and no voltage is present. could my flasher be bad?
Sep 19, 2023 at 6:44 PM
Advertisement
Avatar
STRAILER
  • CERTIFIED EXPERT
  • 53,855 POSTS
Yep, I have seen this problem before, so you have a light failure sensor that needs to be replaced. Here is the location so you can fix it. Check out the images (below). Please let us know how it goes.
Sep 21, 2023 at 10:18 AM
Avatar
BLADE751
  • MEMBER
  • 12 POSTS
Hello Ken L, thanks for the response i plan to work on the car over the weekend, i will let you know how i made out. thanks again.
Sep 21, 2023 at 4:46 PM
Advertisement
Avatar
STRAILER
  • CERTIFIED EXPERT
  • 53,855 POSTS
You are welcome please let me know.
Sep 23, 2023 at 10:42 AM
Avatar
BLADE751
  • MEMBER
  • 12 POSTS
Hello Ken L, i located the sensor and priced it, wow it is very pricey, is there any way i can bypass it? If not, i saw some used ones on Ebay i may have to take a chance on a used one.
Sep 24, 2023 at 9:53 AM
Avatar
STRAILER
  • CERTIFIED EXPERT
  • 53,855 POSTS
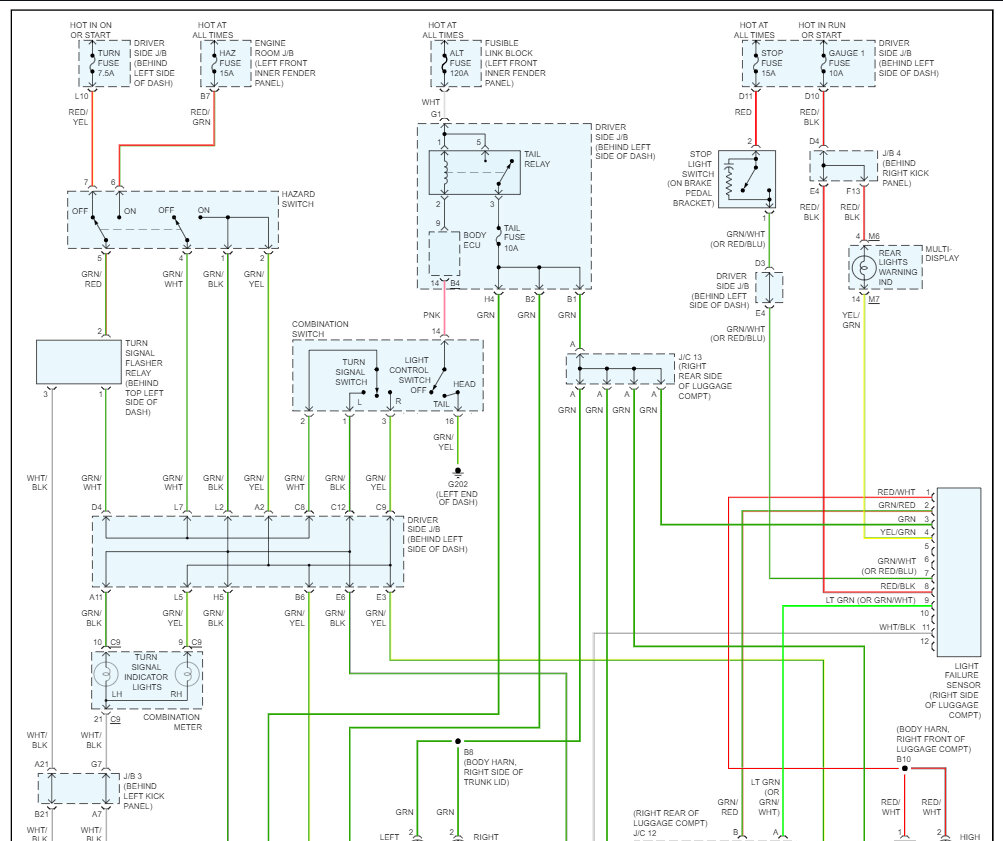
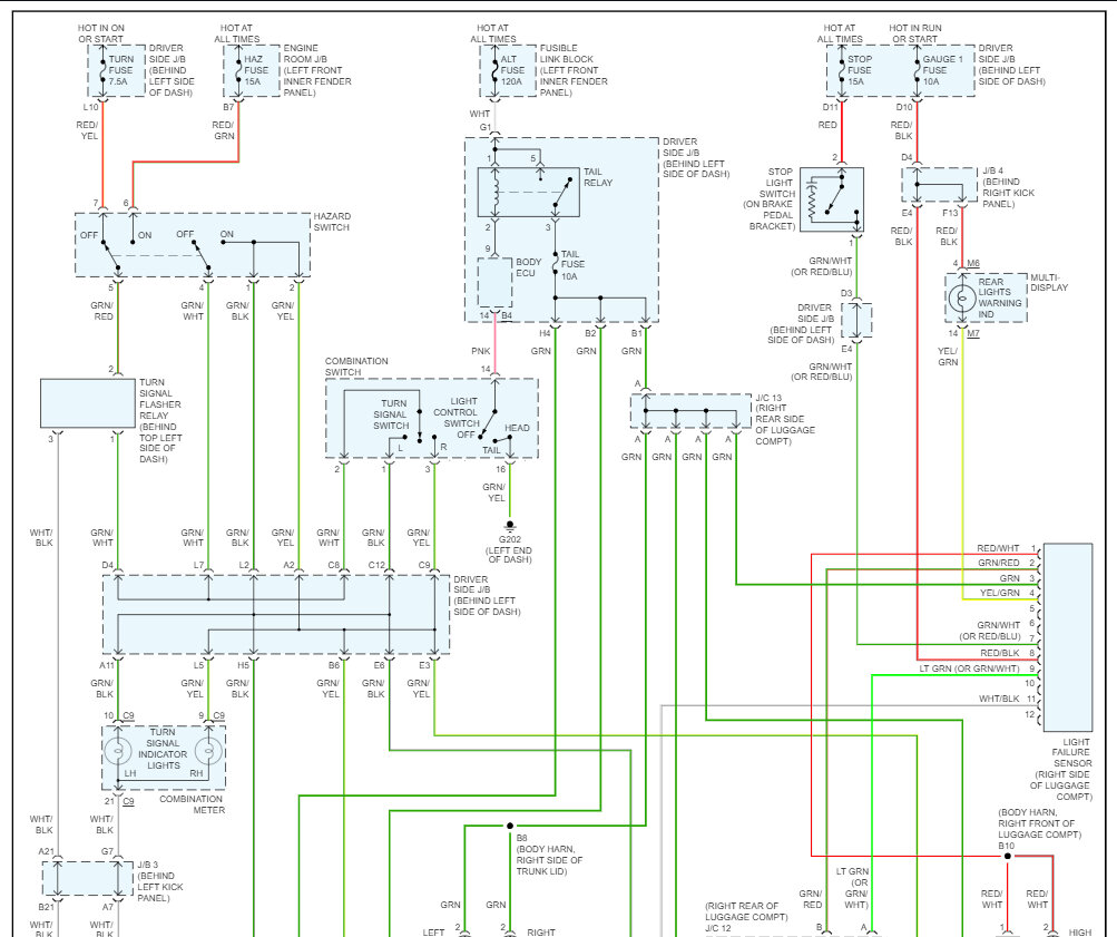
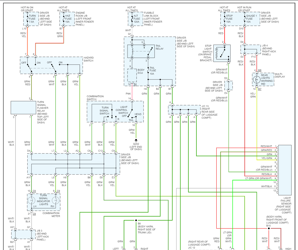
Yep, we have had good luck with Ebay parts so far. It does look like you can bypass the sensor, here are the wiring diagrams so you can see how to connect the wires directly. Just leave the bulb out warning light disconnected. Check out the images (Below). Please let us know how it goes
Sep 25, 2023 at 7:36 AM
Avatar
BLADE751
  • MEMBER
  • 12 POSTS
i received your reply but i did not get the wiring diagrams.
Sep 25, 2023 at 9:22 AM
Avatar
STRAILER
  • CERTIFIED EXPERT
  • 53,855 POSTS
Oops, I added them to the post above. Let me know how it goes.
Sep 25, 2023 at 12:28 PM
Avatar
BLADE751
  • MEMBER
  • 12 POSTS
Hello Ken L, today i received a used sensor from Ebay and i installed it but it did not work. My left rear turn signal still doesn't work so before i try to bypass the sensor can anything else be causing the problem?
Sep 30, 2023 at 9:28 PM
Avatar
STRAILER
  • CERTIFIED EXPERT
  • 53,855 POSTS
Yes, the switch can cause the issue, sorry the sensor didn't work we just had this problem in the shop, and it fixed it, you can use the test light to check the switch output on the grn/blk wire to confirm the failure.

https://www.2carpros.com/articles/how-to-use-a-test-light-circuit-tester

Please let us know how it goes.
Oct 2, 2023 at 10:33 AM