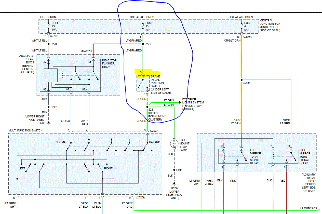
The left turn signal has stopped working in the front but you can hear it ticking really fast. Then eventually both turn signals stop and I have no brakes. It blows fuse number thirteen. Now, every fuse I put in blows. I have no signals and no brakes. I do tilt the wheel down and my wife tilts the wheel up. Please advise. I am afraid there is going to be an accident.
Nov 29, 2016 at 5:27 PM

