Hi,
Did you check the fuse for the left turn signal lights? It is located in the fuse panel under the left side of the dash. If you haven't already, first make sure the fuse itself is good. If it is, then confirm there is power to and from it. Here is a link you may find helpful:
https://www.2carpros.com/articles/how-to-check-a-car-fuse
I looked through the schematics, and it appears that the power supply for the signals/hazard will be a light blue. Locate the light blue wire at the light socket and see if there is power to it. Here is a link you may find helpful:
https://www.2carpros.com/articles/how-to-check-wiring
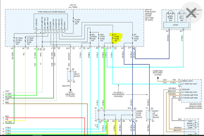
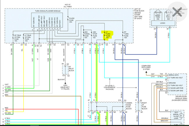
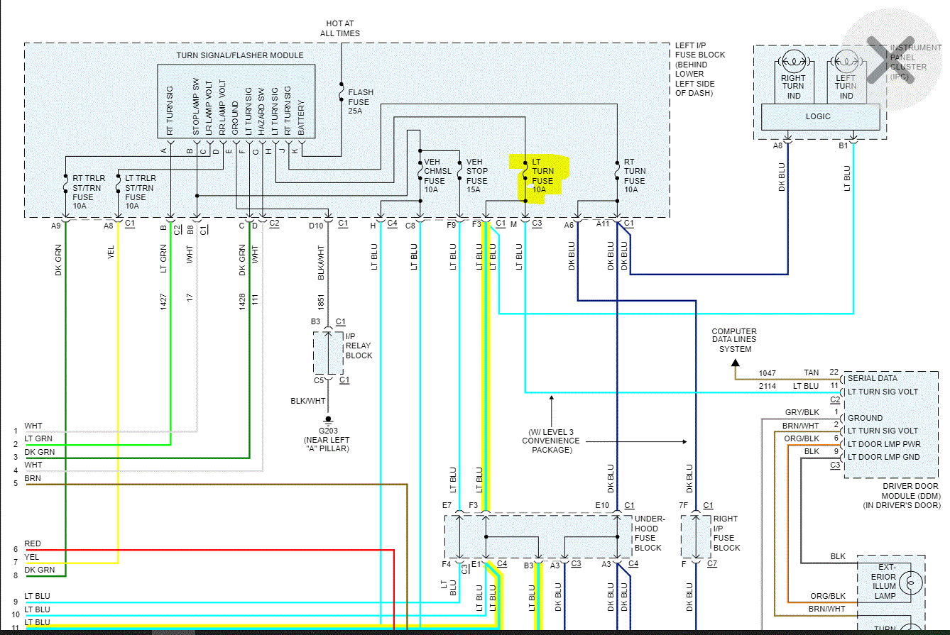
If you look at pics 1-3, they are from the schematic. They show the wire I am referring to as well as the fuse. Make sure the fuse is doing its job and then check for power at the light blue wires.
Pic 4 shows the fuse location under the dash.
Let me know what you find or if you have questions.
Take care,
Joe
See pics below.
Images (Click to enlarge)
Jun 3, 2022 at 10:10 PM