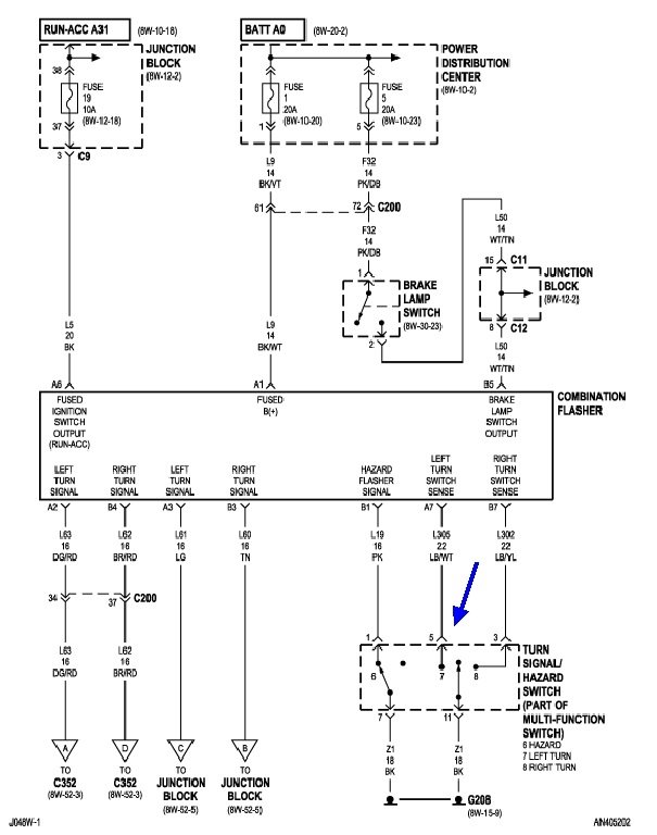
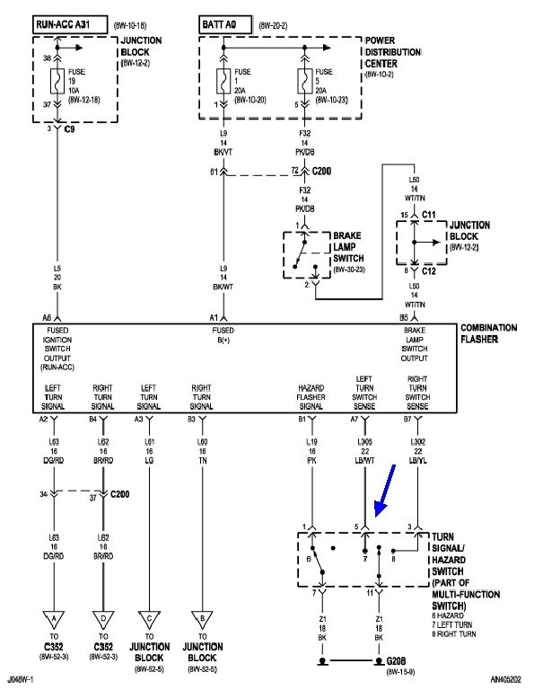
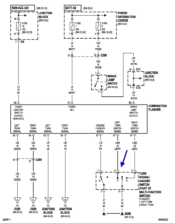
Actually, you could be right. In the past, one simple, reliable thermal flasher was used for left and right signals, and a different thermal flasher was used for the hazard flashers. Today, the engineers use a special electronic flasher that has three different inputs from the signal switch. The desired circuit, left, right, or both, is selected by the electronic flasher, not the signal switch as before. The advantage of this circuit is it makes the signal switch extremely simple and inexpensive, and the flasher can tell you when a bulb is burned out.
The fastest way to diagnose this is to plug in a different flasher assembly, but that means you have to buy a new one or run to the salvage yard. A better alternative is to find the light blue/white wire and ground it. If the left signal turns on, the flasher is okay.
The flasher is usually hard to get to, but if you can, you can remove it, stick a small-diameter wire in terminal "A7", then plug the flasher back in. Use a jumper wire to ground that wire in the socket. Don't use a real fat wire as it can spread the terminal causing other problems later. Note that there's a mistake on the fifth diagram. They show two "B7"s and no "A7". If you use the wrong terminal, the right signals will flash.
You should be able to get to the plug on the multifunction switch without removing it. If it turns out to be defective, I'll post the instructions for replacing it.
Images (Click to enlarge)
Dec 17, 2020 at 1:55 PM