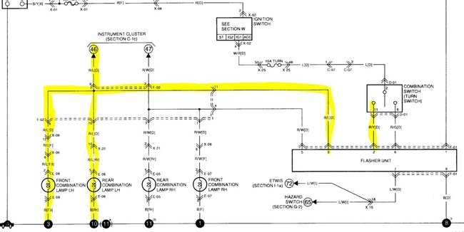
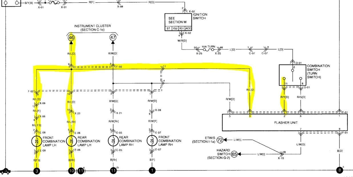
Hi my name is Jeffery Lewis. i am reaching out for help to try and figure out what my car’s problem is so I can take it for an inspection. My left turn signal doesn’t work most of the time. Then occasionally it does but not very often. When i hit the left turn signal i can hear the flashers clicking but no green arrow on the instrument clusters also neither the front or the back light blinks. Bulbs are good i put brand new ones in there also to double check. I also don’t know where the flasher relay is on my listed above 4 gear automatic Any help would be greatly appreciated. Thanks to anyone that can help.
Dec 4, 2019 at 7:20 AM
