Left turn signal not working properly after installing LEDs

2013 NISSAN ROGUE
121,000 MILES • 4 CYL • 2WD • AUTOMATIC
Avatar
JAEDENC30
  • MEMBER
  • 1 POST
I installed LED lights on my car and they started to hyper flash. so, I got LEDs that have built in resistors and when I put them in the car, they the left turn signal stopped working but when I put the original halogen bulb in on the left side, I can see that there is a little power being applied to it. Also, if I were to run the car on battery the right turn signal blinks how it’s supposed to until I turn the car then it starts to hyper flash.
Apr 11, 2022 at 4:40 PM
Advertisement
Avatar
KASEKENNY
  • CERTIFIED EXPERT
  • 18,907 POSTS
Unfortunately, this is a common issue on these vehicles that have a BCM that controls the lighting function.

Even though you changed the LEDs to ones with resistors it still is not the resistance/voltage the BCM needs to see so the lights are not functioning correctly.

Here is a guide that talks about this issue, but it doesn't talk specifically about LED installation which is what you are dealing with:

https://www.2carpros.com/articles/turn-signals-blink-rapidly

I do not know what resistance you need to have for the BCM to function properly but basically this is what the issue is.

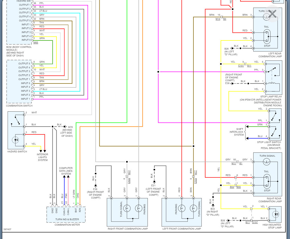
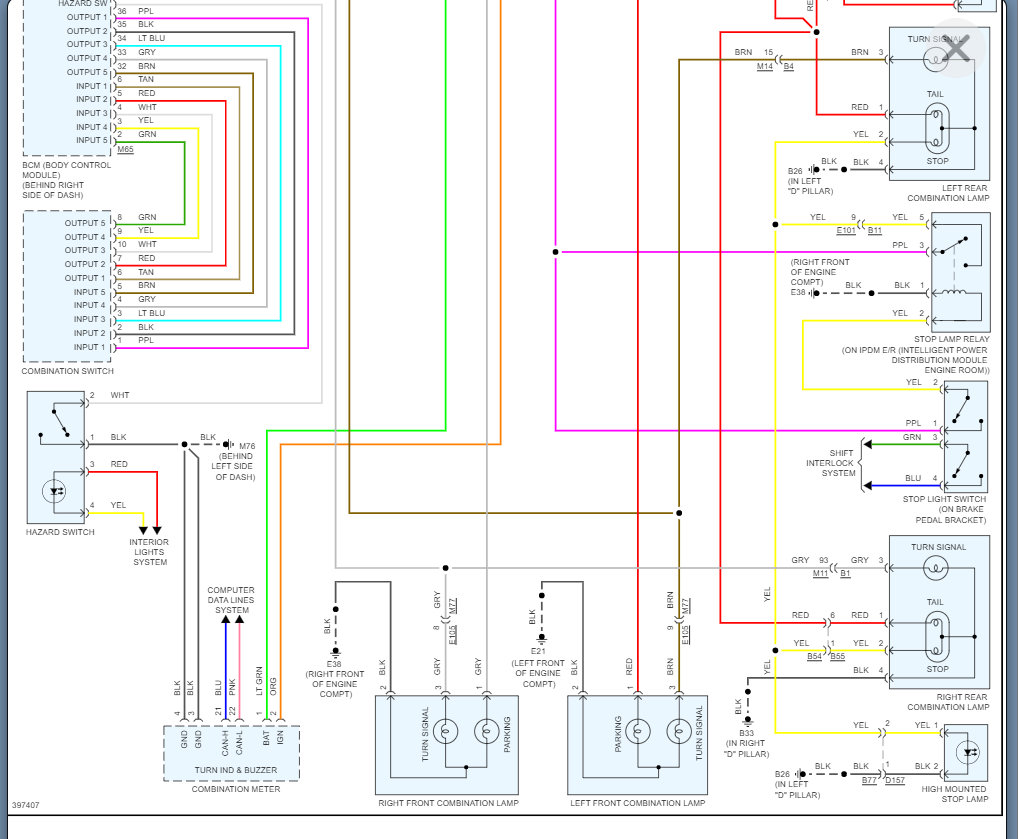
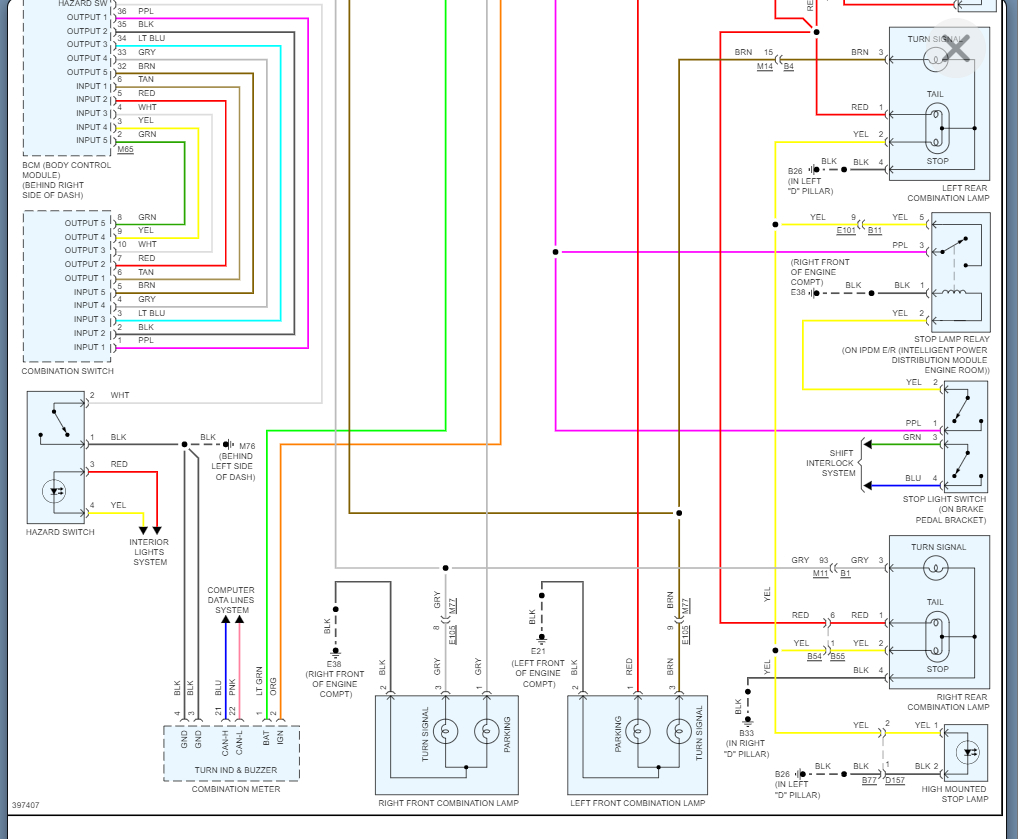
I am attaching a wiring diagram below but what is happening is when your BCM is operating the lights it expects a certain voltage to be returned and when you install the LEDs even with the resistors, the BCM is not getting the correct voltage, so it doesn't know what is happening and it causes these various issues.

What I would suggest is contacting the manufacturer of the lights and if they say they fit your specific vehicle, see if they have a work around to solve what you are seeing.

Please let me know what questions you have, and I am happy to work through it with you.

Thanks
Apr 12, 2022 at 7:15 PM