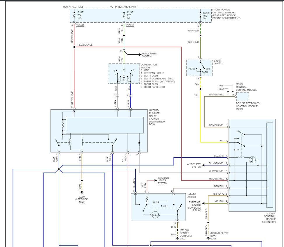
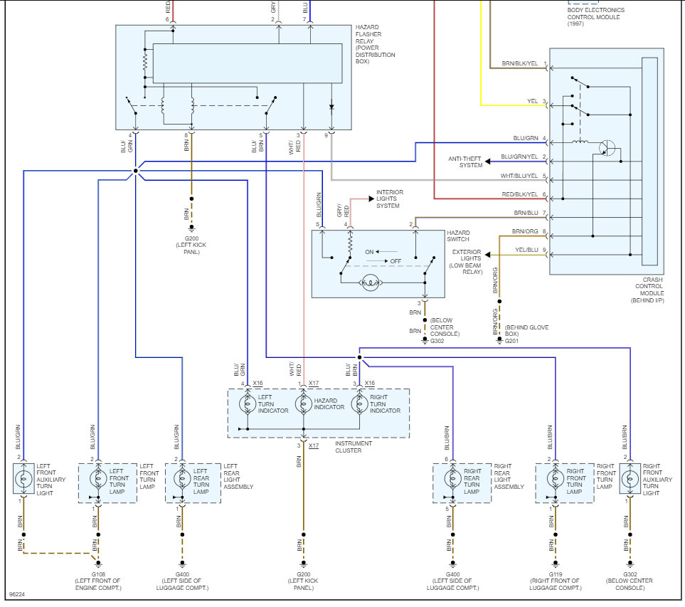
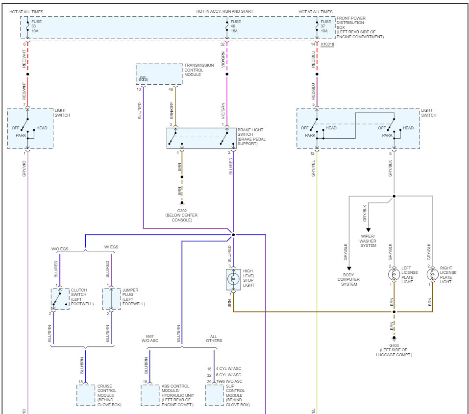
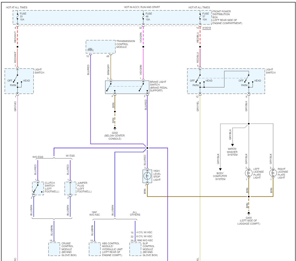
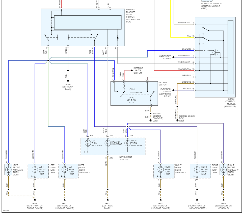
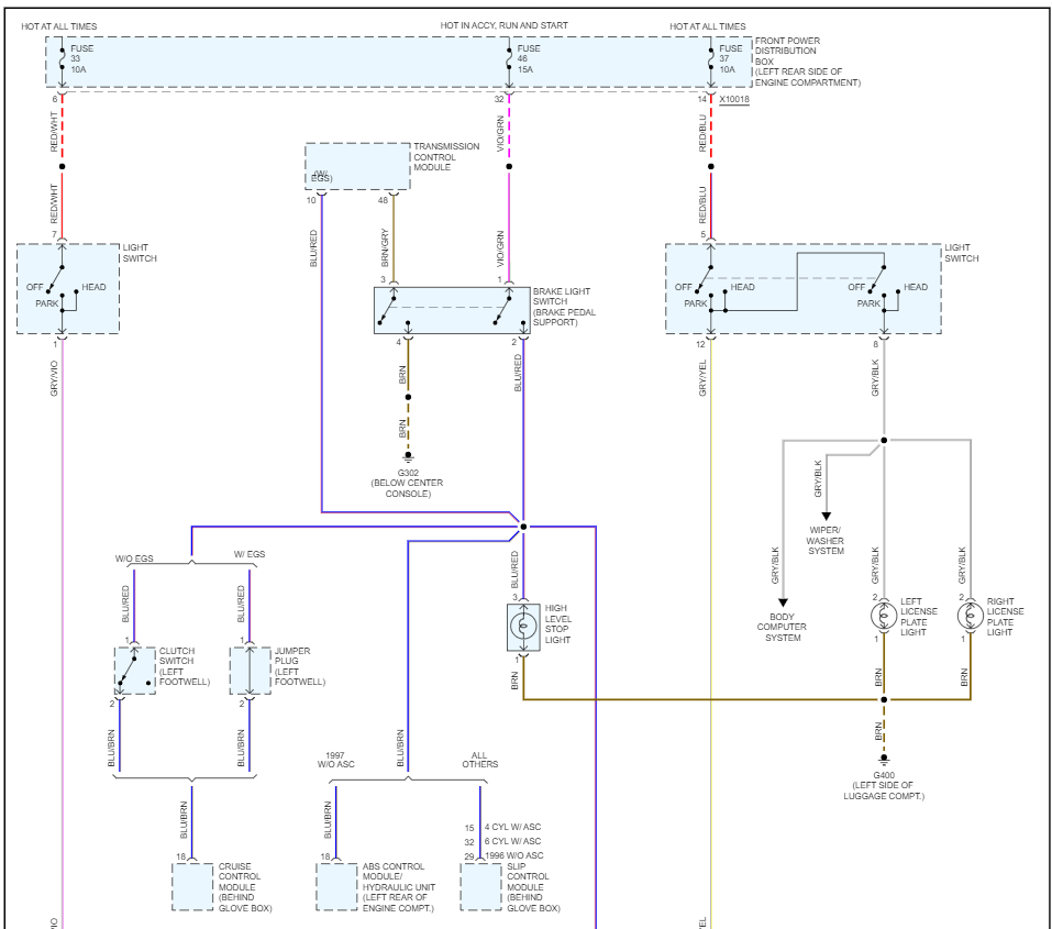
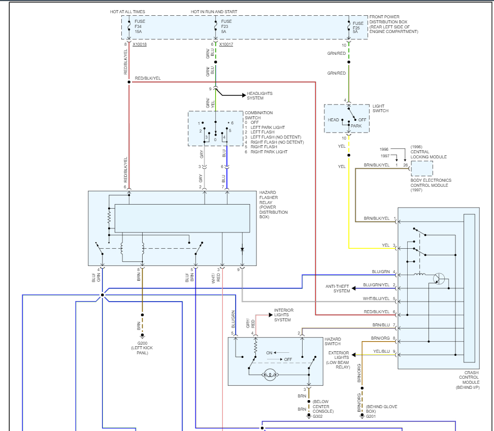
Front/rear left side parking lights and front left corner lights don't work. All fuses tested. swapped fuses 33 and 37 (left and right-side parking lights for) no change. Is there a separate relay for parking lights? American market car. Could headlight switch be the culprit? Flasher's work. Bulbs all checked and good.
Jun 1, 2023 at 11:31 AM



