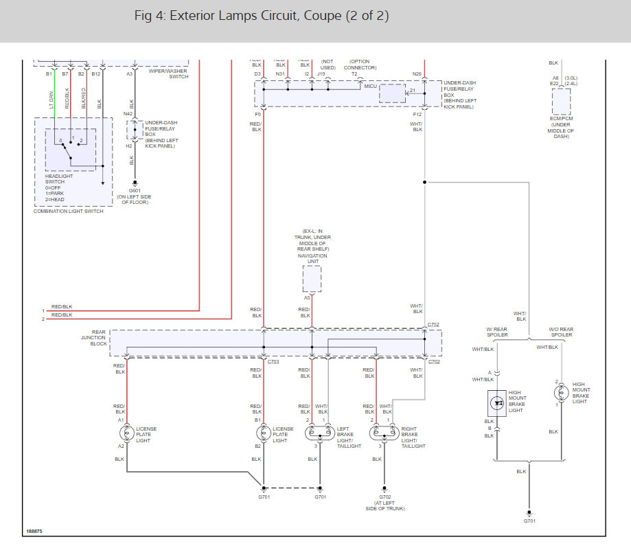
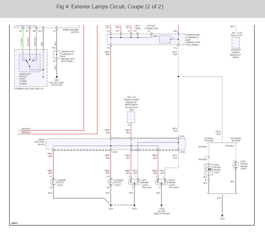
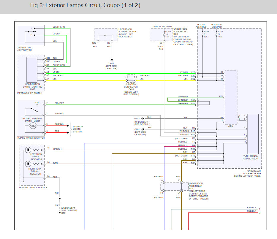
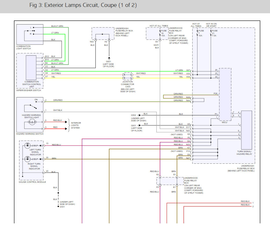
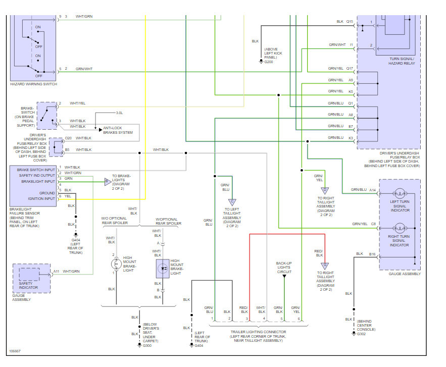
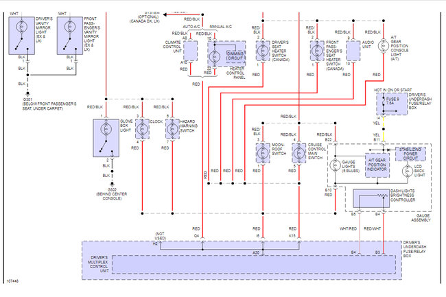
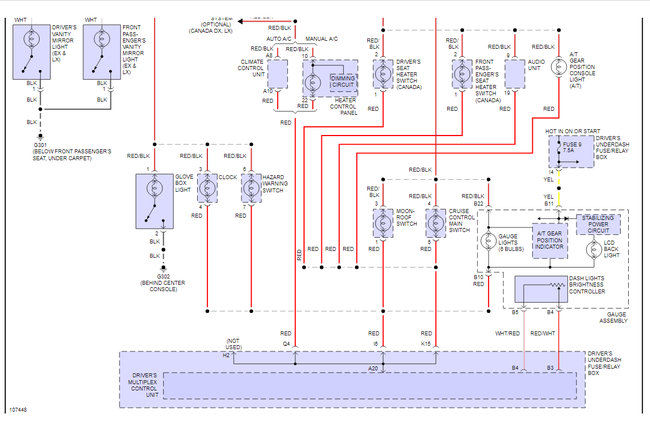
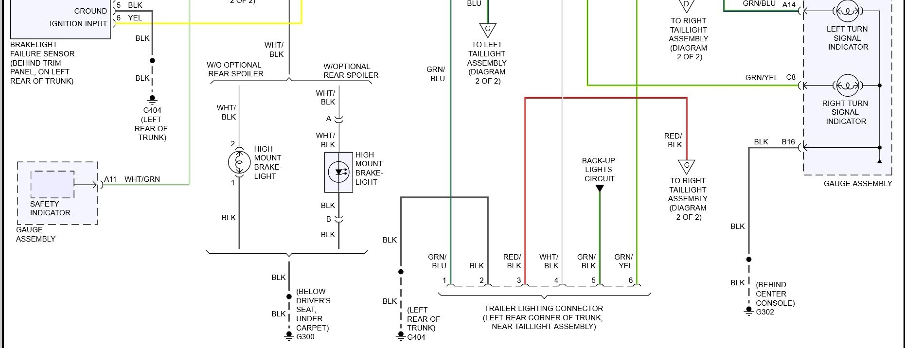
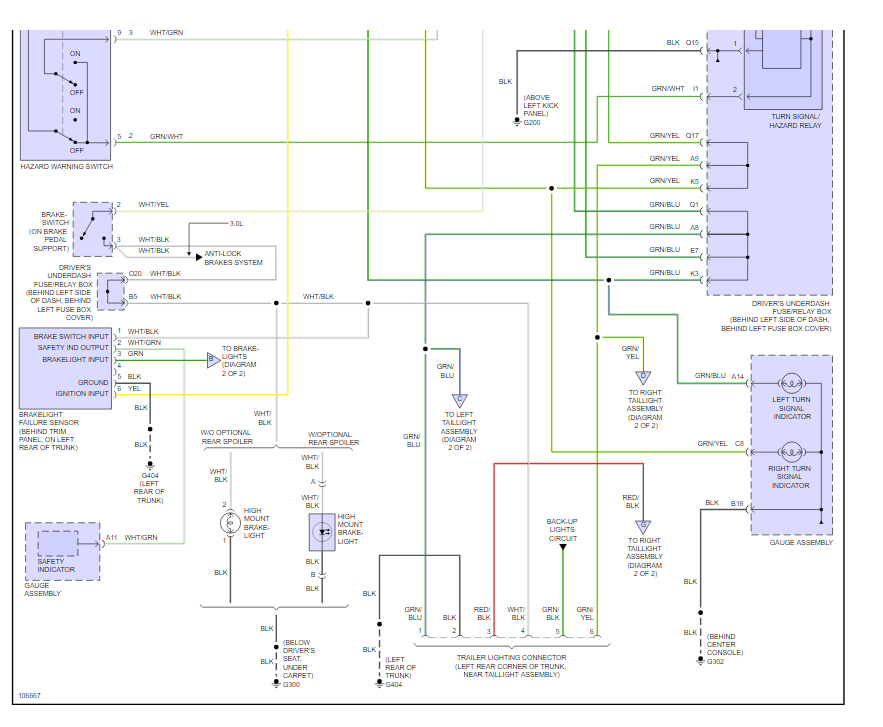
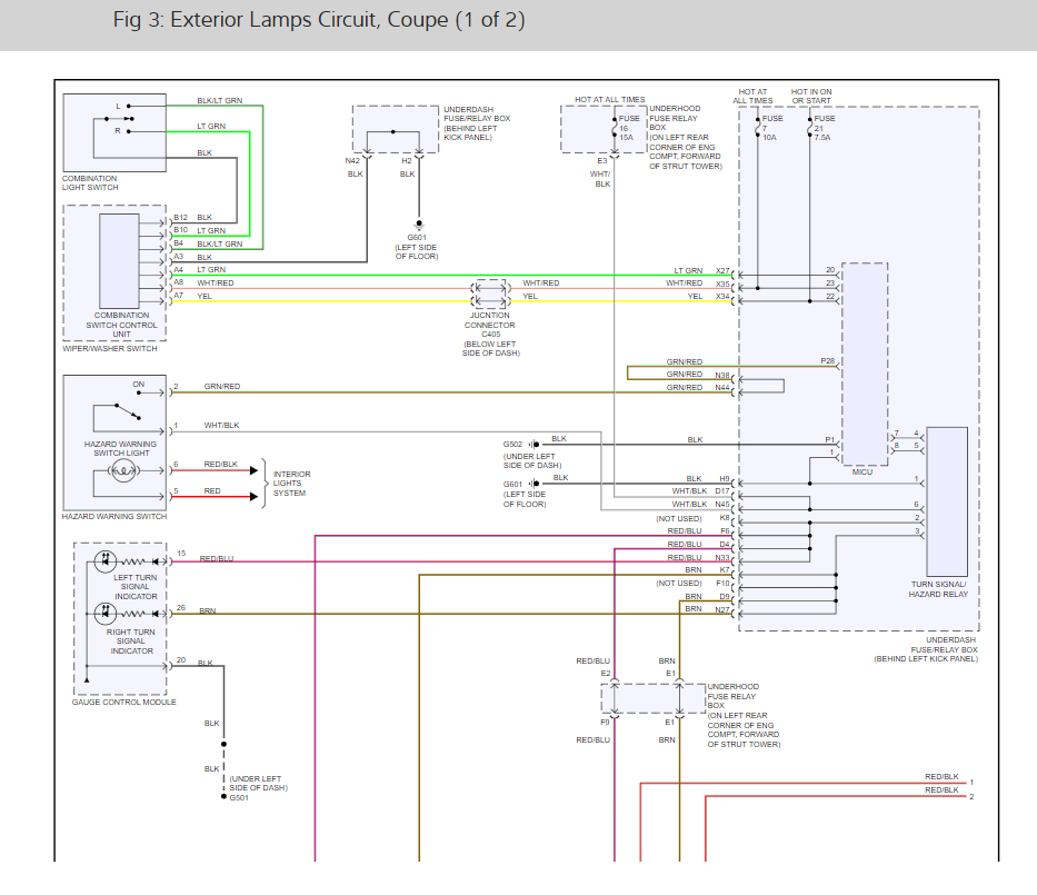
Yesterday I was at a turn and switched on my left signals. They were working normal but then suddenly stopped working. No clicking sound, no indicator on the dash as well.
Few things I checked:
1) Bulbs are fine, the indicator lights come on when i lock/unlock the car
2) All the fuses are fine.
3) Hazard switch only glows the right side signals front and back but the entire left side is not working.
4) Right side lights works like they should.
After doing my own research, I think the flasher relay could be bad but not sure at all. If someone thinks that relay is bad then please for everyone's knowledge explain the difference between a turn switch fault vs flasher relay fault vs blown fuse.
Thank you
Few things I checked:
1) Bulbs are fine, the indicator lights come on when i lock/unlock the car
2) All the fuses are fine.
3) Hazard switch only glows the right side signals front and back but the entire left side is not working.
4) Right side lights works like they should.
After doing my own research, I think the flasher relay could be bad but not sure at all. If someone thinks that relay is bad then please for everyone's knowledge explain the difference between a turn switch fault vs flasher relay fault vs blown fuse.
Thank you
Sep 24, 2019 at 8:08 AM



































