Left/right turn signal activate both turn signals

2008 MAZDA 6
185,000 MILES • 2WD • AUTOMATIC
Avatar
JDRATHE
  • MEMBER
  • 4 POSTS
Turn signal activates both directions, but the opposite side is much weaker.
So, I turn on the left turn signal, both the left and right flash, but the right is much dimmer. The indicator arrows do the same. If I turn on the right signal the same thing happens. left also activates but is much dimmer.
Sep 30, 2020 at 12:17 PM
Advertisement
Avatar
JACOBANDNICKOLAS
  • CERTIFIED EXPERT
  • 110,175 POSTS
My first thought is there is a weak ground, but considering all lights have their own ground, that is unlikely. The next thing is the wiring between the switch and the body control module. The wires are very close together and may have shorted together. I attached a pic below. What I would suggest is to check for power at the switch wiring. See if there is power out of the black/white wire when you turn the left on and the white/red when turning left.

Try that and let me know what you find.

Joe
Sep 30, 2020 at 5:22 PM
Avatar
JDRATHE
  • MEMBER
  • 4 POSTS
Using a test light, I got no power from either of those wires. I probed the wires as the switch and at the BCM. Same result.
Oct 2, 2020 at 8:43 AM
Advertisement
Avatar
JDRATHE
  • MEMBER
  • 4 POSTS
I find that when I probe those wires while the turn signal is not engaged in either direction, the blinker comes on. Still, both directions flash.
Oct 2, 2020 at 8:49 AM
Avatar
STEVE W.
  • CERTIFIED EXPERT
  • 15,113 POSTS
There is no power to those wires, they provide a ground to either the left or right input for the body control module. If you use the test light connected to a good ground and probe the wires at the BCM with the turn and hazard switches disconnected, the White with black stripe should turn on the left signals. Probe the white with red wire the right turn signal should come on. Then probing the blue wire with orange stripe turns on the hazard lights.
However I think you have a ground issue, looking at the wiring the left and right fronts share a ground, and the rears both share a ground, it's possible a bad bulb or poor ground is causing this.
This car is stock correct no LED conversion bulbs or anything like that? I have seen those cause issues like this when the diodes fail.
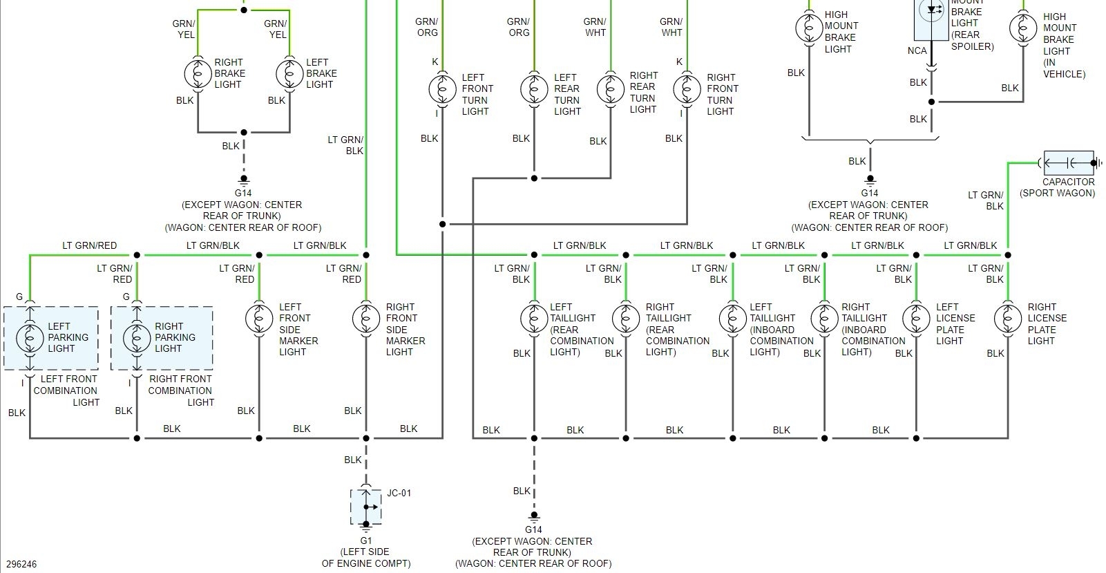
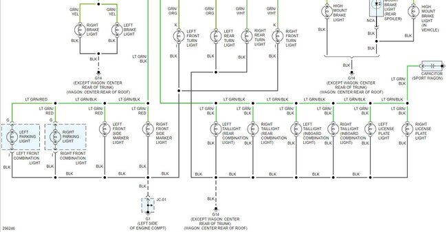
Checking if it's a ground is simple. Go to either corner and run a jumper wire from the black wire on the light to a good ground. If the lights return to normal remove one or the other to see which circuit is feeding back through the BCM. I added the wiring in 3 parts, splice them together and you have the full diagram.
Oct 3, 2020 at 10:51 AM
Avatar
JDRATHE
  • MEMBER
  • 4 POSTS
I grounded out all 4 turn signal bulbs, and the behavior of the turn signals does not change. I am about to replace the BCM. Does it make sense to do that?
Oct 5, 2020 at 11:03 AM
Avatar
STEVE W.
  • CERTIFIED EXPERT
  • 15,113 POSTS
I would probably go to the BCM connection that feeds the lights and try isolating the light feeds one at a time just to be sure as that takes some time but not money to do. That way you know that it's in the BCM. Easy way to do that would be to simply unplug the BCM connection to the lights, then use a fused jumper wire to probe one, then check the light itself, say you tried the right rear first, is only that light on? If yes then try the the Left rear, is that the only one coming on. Then the other two. If they come on by themselves then it has to be the BCM. If however you try the Left front and you get the right front on dim at the same time, you have a wiring issue somewhere in the harness. It's a bit more to test but then you can be sure where the issue is.
If they all test good then I would go for the BCM. Be sure which BCM you have and need, there is one with and one without the alarm system in it.
Oct 5, 2020 at 1:26 PM