Left rear vent window will not open

2003 LINCOLN NAVIGATOR
142,000 MILES
Avatar
MEGAN FROGGATT
  • MEMBER
  • 1 POST
The rear left vent window on my SUV will not open. The rear right vent window opens, but the left window does not even sound as if there is any power going to it at all. What could be wrong? Is there a way to open them manually? Help! Any and all information will be appreciated!
Apr 11, 2017 at 2:41 AM
Advertisement
Avatar
HMAC300
  • CERTIFIED EXPERT
  • 48,601 POSTS
if they are power windows no way to open manually. try slamming door then try to open window if it works the motor is bad. if not it will need scanning for codes to see if module is bad.
Apr 11, 2017 at 6:03 AM
Avatar
STRAILER
  • CERTIFIED EXPERT
  • 53,855 POSTS
Hello,

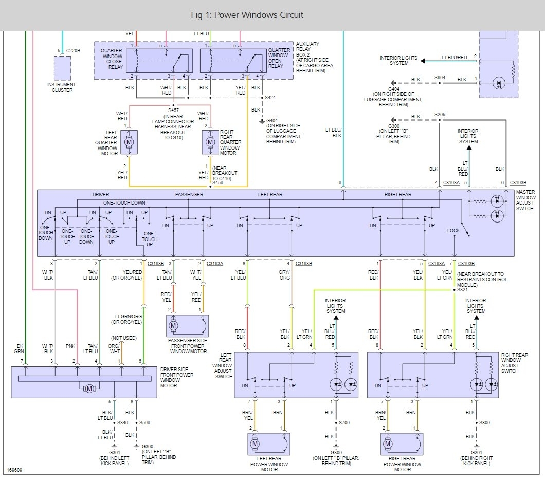
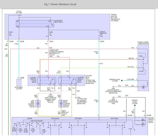
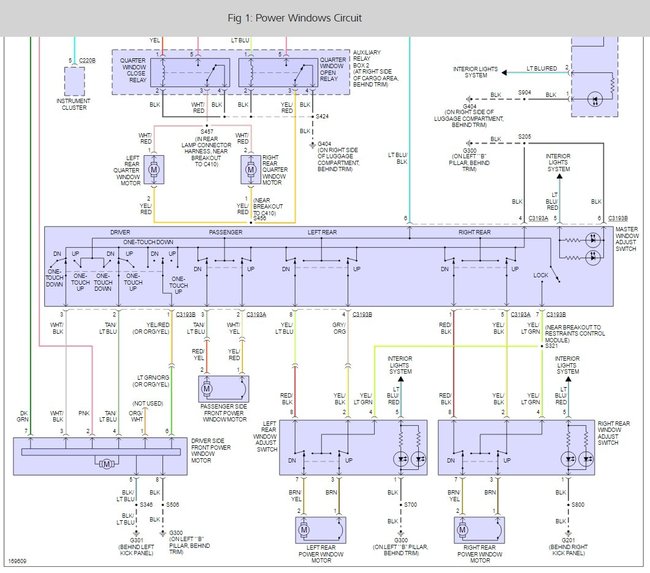
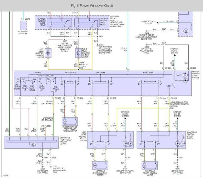
Since the one window still works (I assume) I would think it is the motor that has gone out. Two double check test for power at the motor to confirm. Here are some diagrams and a guide to help you get the problem fixed.

https://www.2carpros.com/articles/how-to-use-a-test-light-circuit-tester

Please let me know if you need anything else to get the problem fixed.

Best, Ken

Apr 11, 2017 at 4:12 PM
Advertisement