Left rear signal light not working properly

2004 CHEVROLET COLORADO
165,000 MILES
Avatar
ARTHUR RILEY
  • MEMBER
  • 1 POST
when i apply the break the left signal indicator on dash lights up. when driving an i apply brake with left signal on it like it grounds and the signal blinks fast, but dim. can you tell me what causes this?
Jul 14, 2019 at 5:37 PM
Advertisement
Avatar
JACOBANDNICKOLAS
  • CERTIFIED EXPERT
  • 110,175 POSTS
Welcome to 2CarPros.

I have to be honest with you. I feel what you said about the ground is the issue. Electric will always find the easiest way out, so if there is no ground for that light, it will back feed power through the signal wire (turn the signal light on in the vehicle) and find a ground elsewhere.

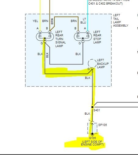
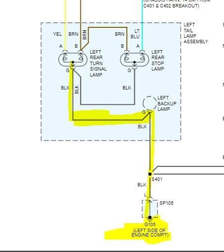
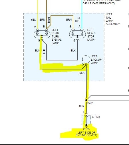
What I want you to do is really simple. The ground for all of the signal, back up, brakes, and license plate lights are at the same place. Since the problem doesn't exist with the right side, I have a feeling one of the splices in the circuit may be at fault. The ground for the tail lights is actually under the hood, and there are few different places it is spliced.

If you look at picture 1, I cut a portion of the wiring schematic for the left rear light so you can see it. What I want you to try is this. Locate the black wire that comes from the rear of the tail light and create a new ground for it. See if that fixes the problem. You just need a good ground to complete the circuit. It doesn't have to be the same as the others. Just splice into the ground wire and provide a new ground on the frame or body of the vehicle.

Let me know what you find or if you have other questions.

Joe
Jul 14, 2019 at 9:19 PM