left rear brake light not working

2014 BUICK REGAL
48,000 MILES
Avatar
RWALLS
  • MEMBER
  • 1 POST
The right rear brake light works fine, but the left rear is not working. I have changed the bulb, with no help. I put the bulb from the right to the left and all bulbs work. The left rear brake light just won't come on. Turn signals and all other functions work, just no left rear brake light. I don't know what else to check. Do you have any ideas??
Jul 16, 2019 at 1:29 PM
Advertisement
Avatar
ASEMASTER6371
  • CERTIFIED EXPERT
  • 52,796 POSTS
Good afternoon,

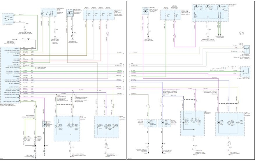
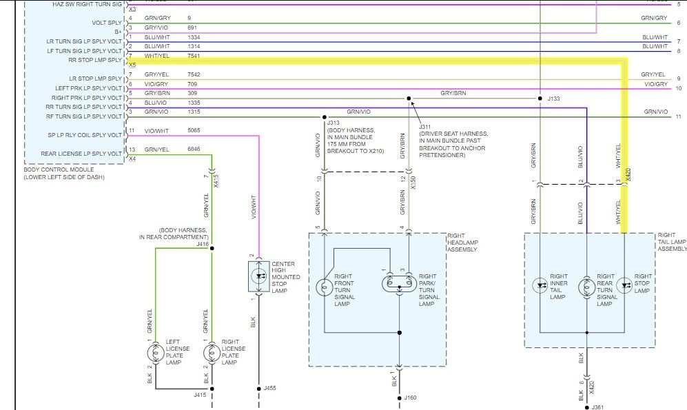
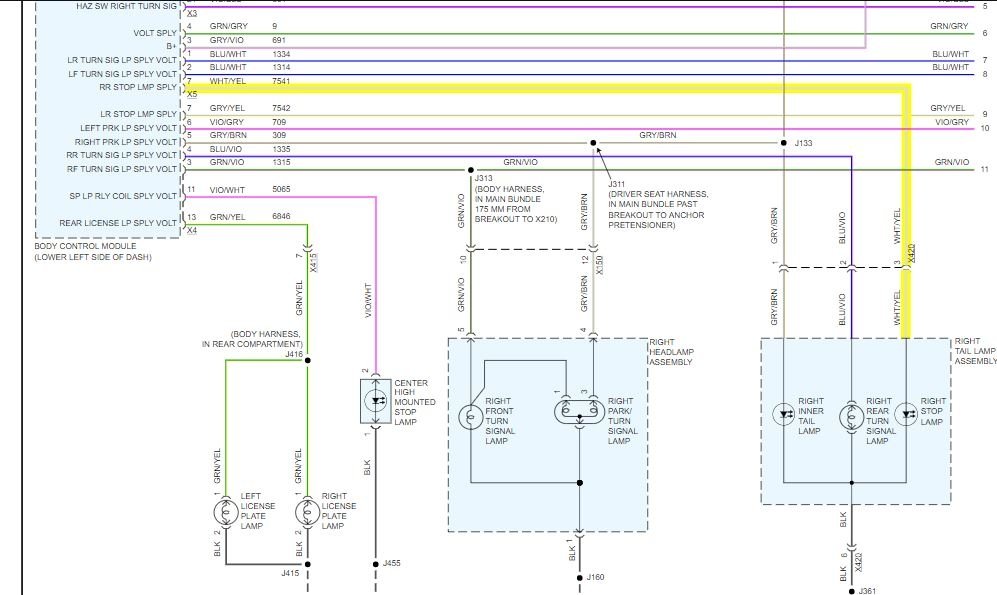
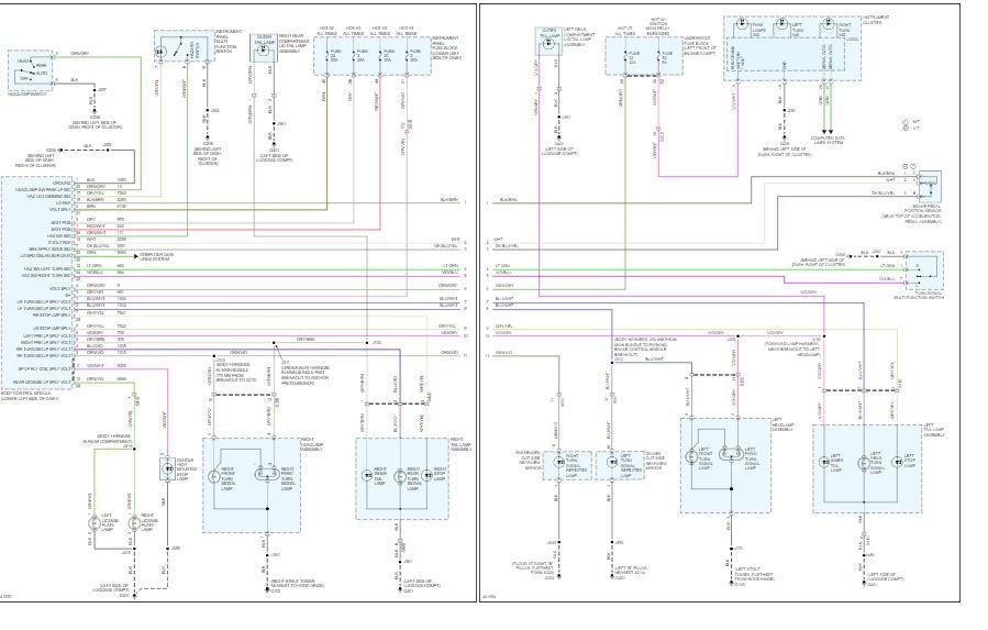
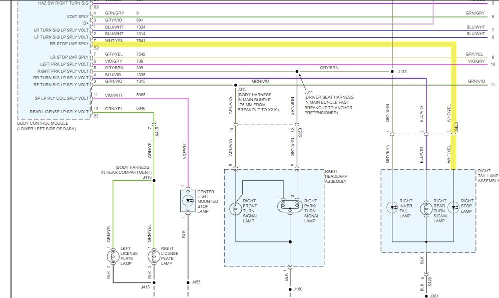
Can you check for voltage to the socket for the right rear to see if a signal is coming from the harness?

Check for power to the highlighted wire in the diagram.


Roy
Jul 16, 2019 at 2:53 PM