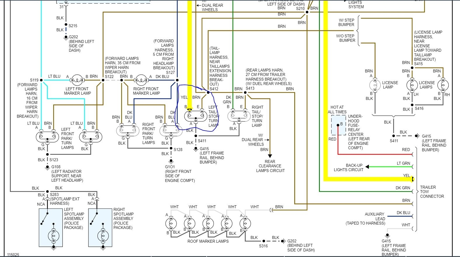
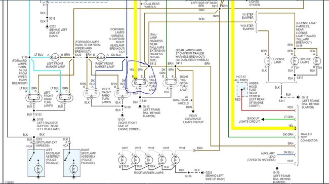
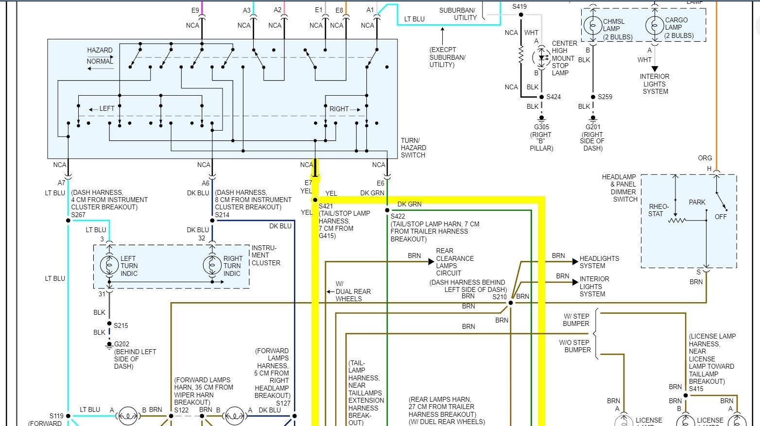
Left rear brake and turn signal not working

1999 CHEVROLET SUBURBAN
195,000 MILES • V8 • AUTOMATIC
Avatar
JOANNA RIVAS
  • MEMBER
  • 1 POST
When I turn on the left blinker, inside flashes fast, front left signal is flashing faster than usual. Both the brake lights and turn signal on back left side do not work. The bulbs were checked, and they are fine.
Feb 10, 2022 at 5:32 PM
Advertisement
Avatar
ASEMASTER6371
  • CERTIFIED EXPERT
  • 52,796 POSTS
Good morning,

I would replace the bulb as a start. It can look good but still be bad.

https://www.2carpros.com/articles/turn-signal-bulb-replacement

I would also check for power to the socket while someone pushes on the brake pedal to see if power is being delivered to the socket.

https://www.2carpros.com/articles/how-to-check-wiring

Roy
Feb 11, 2022 at 3:26 AM