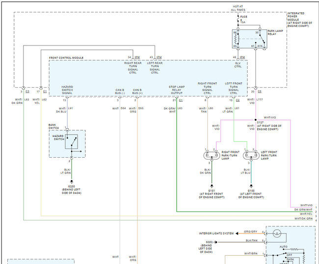
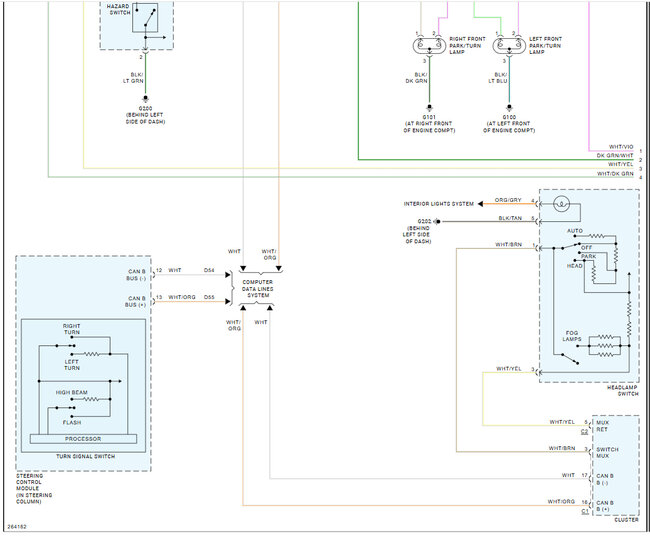
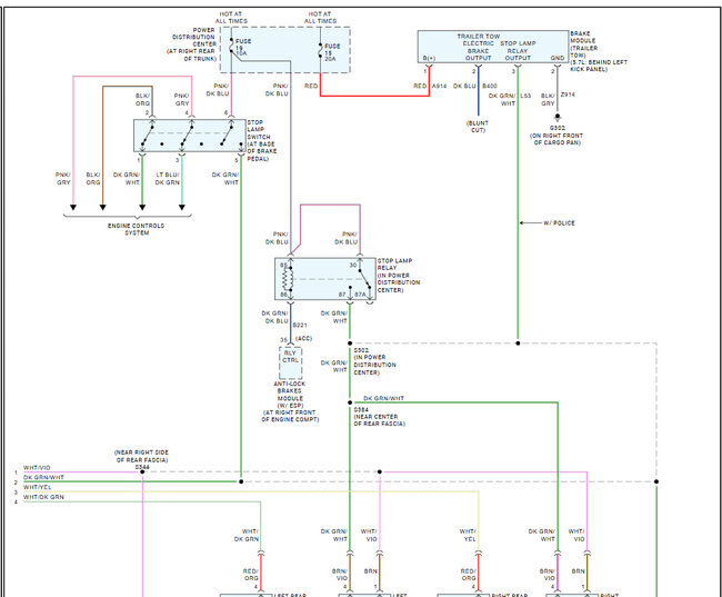
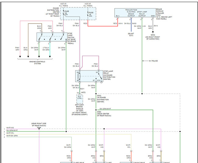
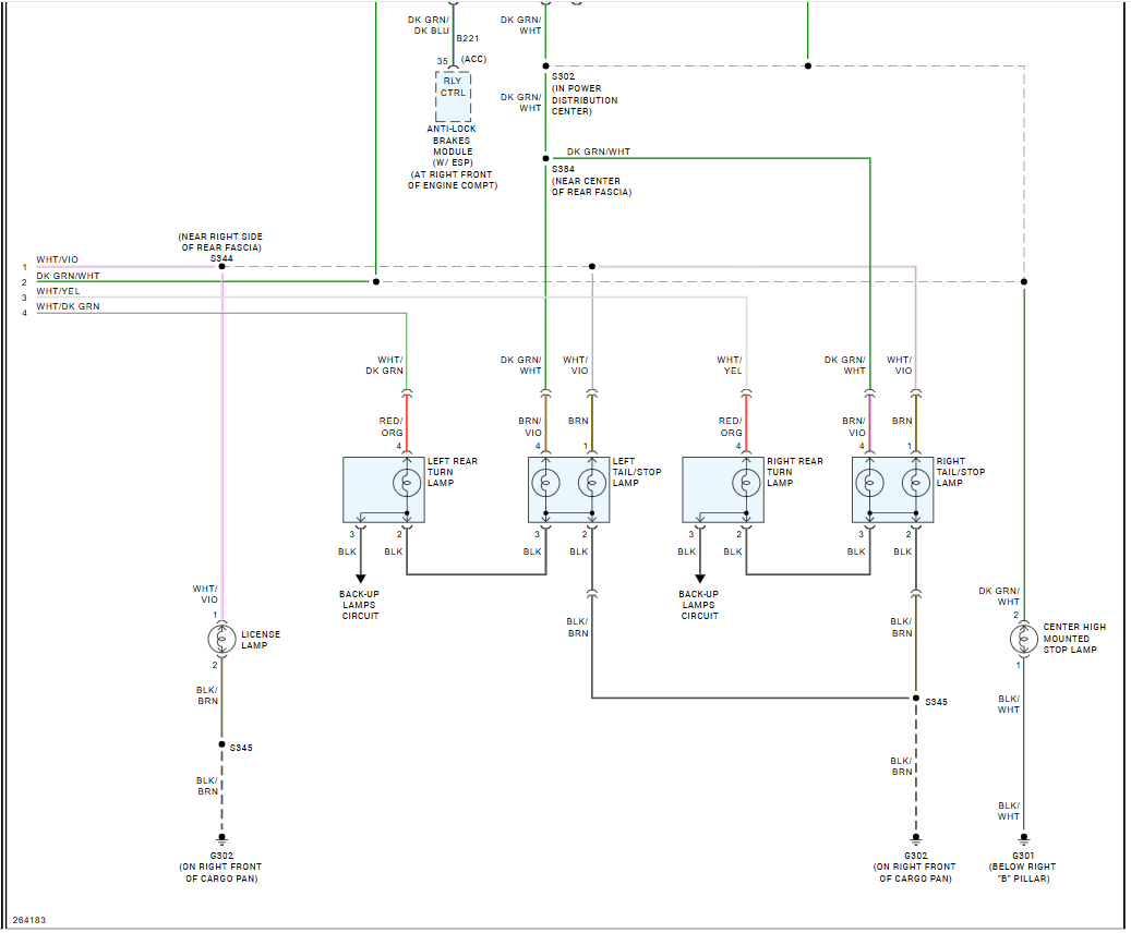
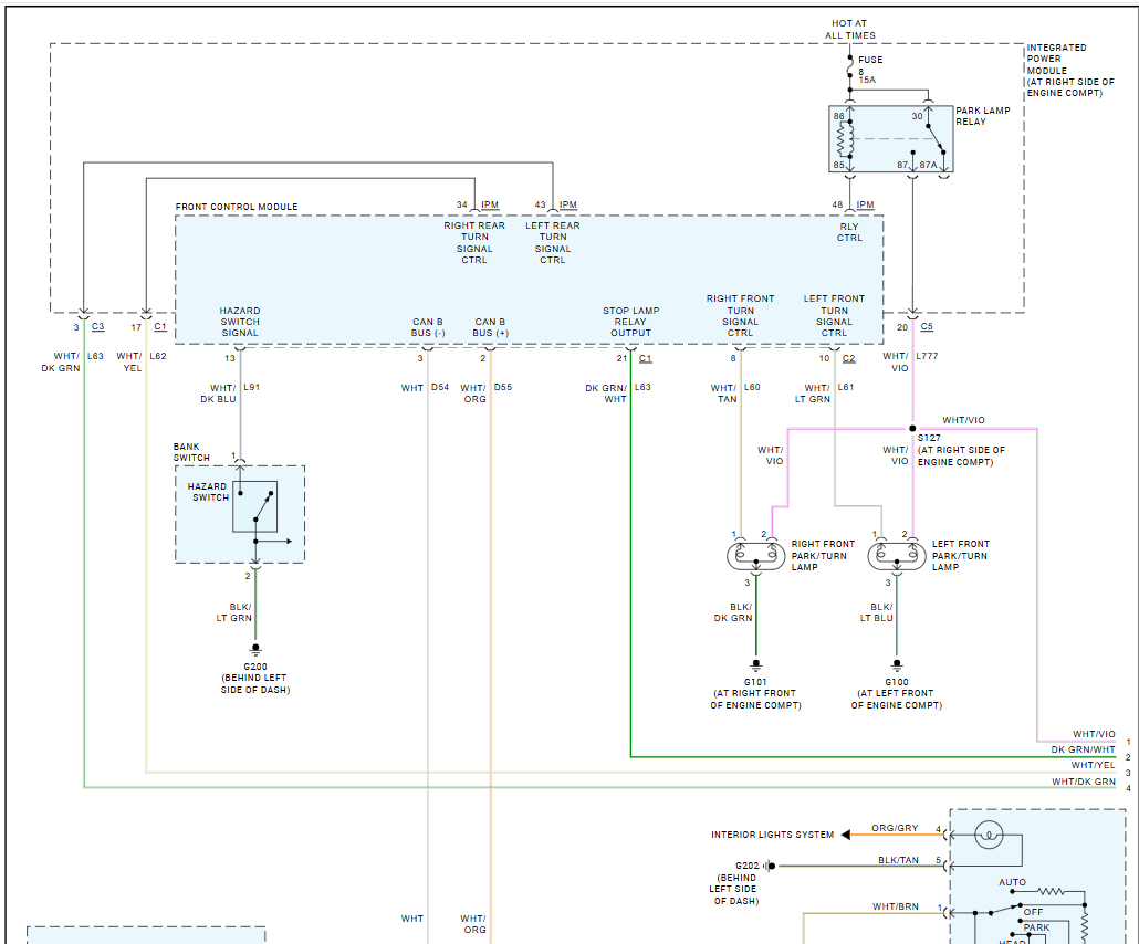
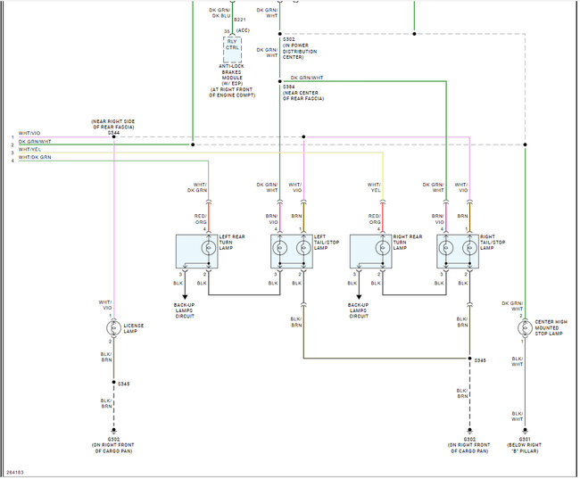
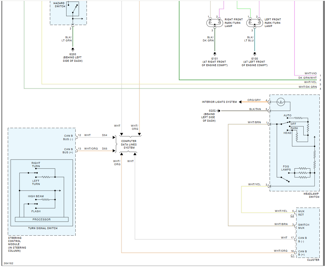
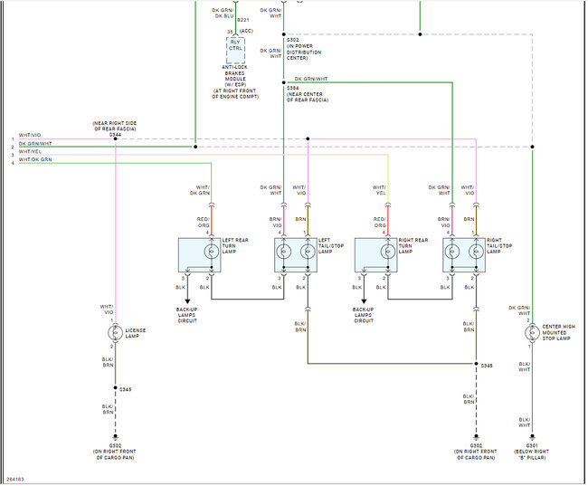
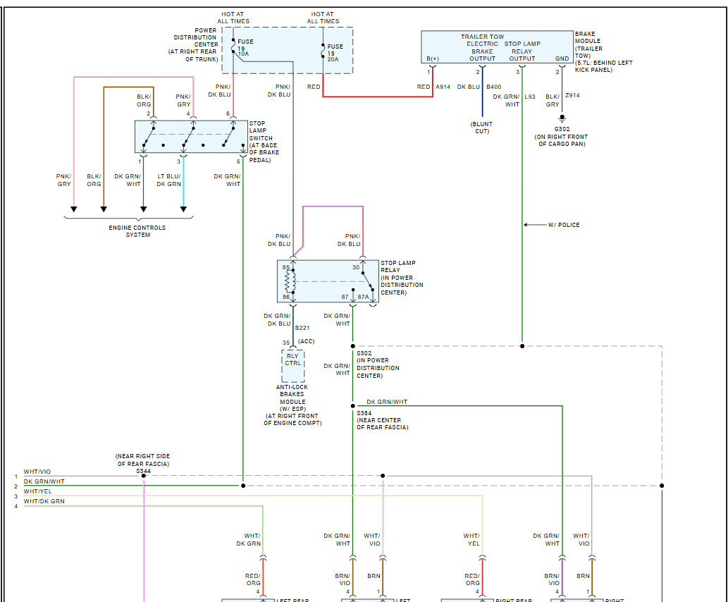
When the left blinker is engaged, the front flashes rapidly and the read doesn't light. I replaced the rear 3 bulb wiring harness and it fixed the problem for 24 hours and now it is back. I was going to check the BCM next but don't know where it is. Any other tips? Things to check?
Aug 10, 2025 at 7:41 AM




