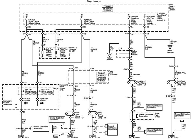
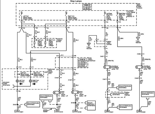
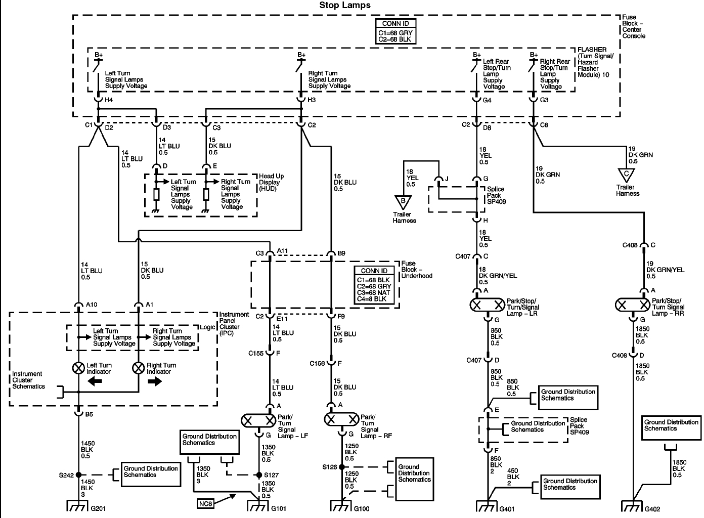
no brake light on left side

2003 BUICK RENDEZVOUS
120,000 MILES • 4WD • AUTOMATIC
Avatar
LEWIS0825
  • MEMBER
  • 1 POST
Left brake light out. Right turn signal and the left one blinks too.
Nov 13, 2017 at 3:30 PM
Advertisement
Avatar
STEVE W.
  • CERTIFIED EXPERT
  • 15,113 POSTS
If both turn signals work but the Left brake lamp is out check the hazard lamp module in the fuse block in the center console. The stop and turn use the same filament in that bulb but are fed through the module based on which item is active.
Nov 15, 2017 at 7:48 PM