The left brake does not work when light is on?

2001 JEEP GRAND CHEROKEE
85,000 MILES • 4.7L • V8 • 4WD • AUTOMATIC
Avatar
PHISCO65
  • MEMBER
  • 3 POSTS
Without the lights on, all taillights, brake lights, turn signals and reverse lights work perfectly. With the lights on, the left brake light doesn’t work while all other lights work perfectly.
Nov 10, 2022 at 2:41 PM
Advertisement
Avatar
STRAILER
  • CERTIFIED EXPERT
  • 53,854 POSTS
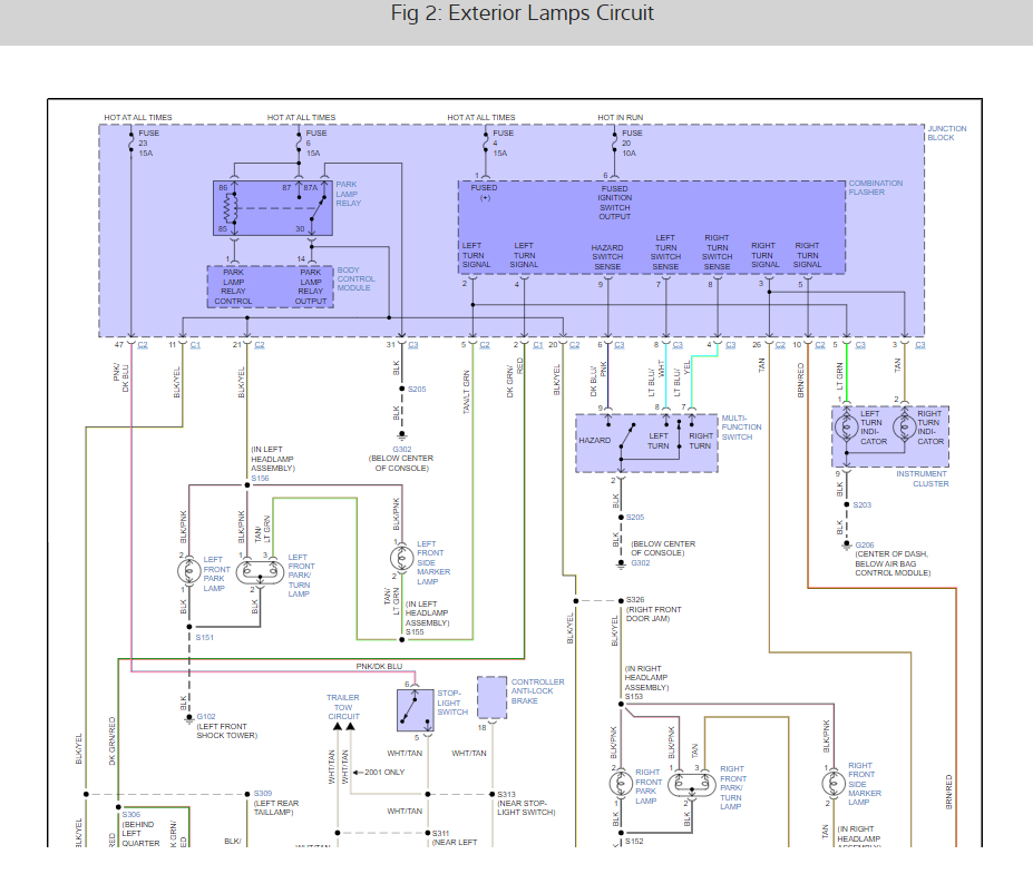
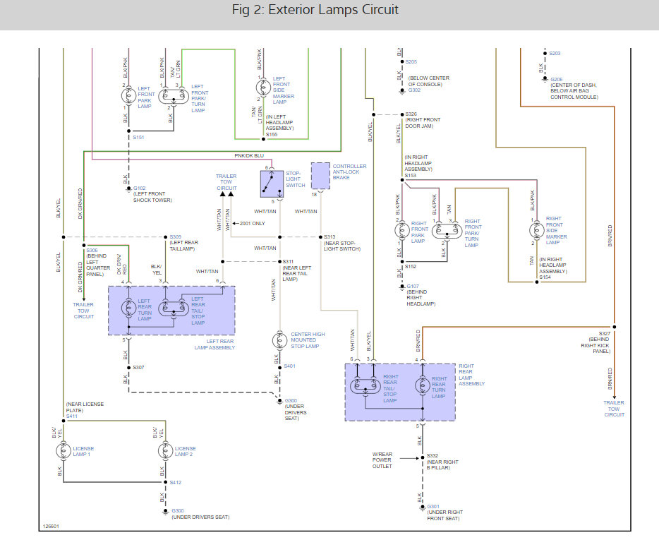
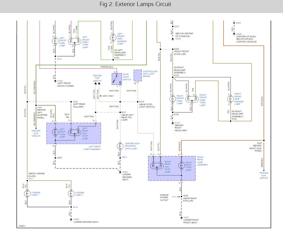
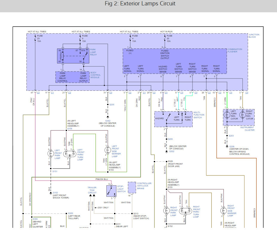
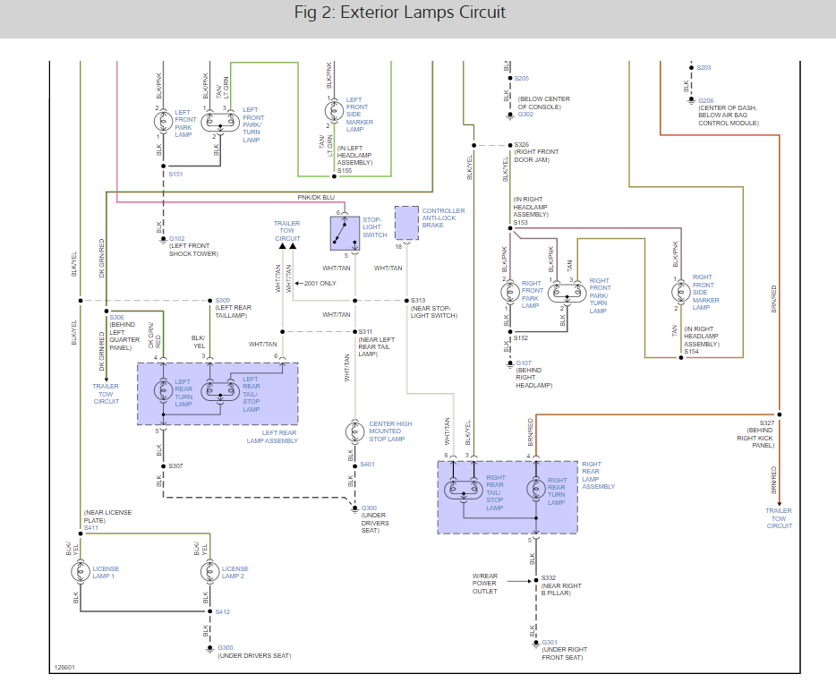
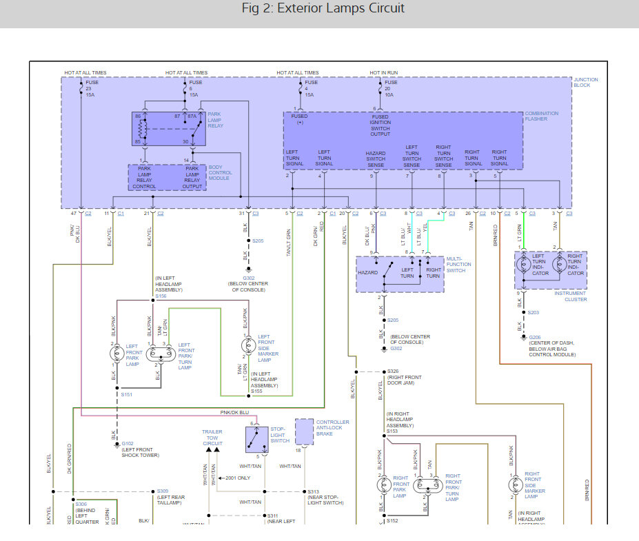
It sounds like you have a bad ground, but we should start by checking the fuses # 6, 20, 23 and 4. here is a guide to help with that, also I have found the brake light wiring diagrams so you can see how the system works.

https://www.2carpros.com/articles/how-to-check-a-car-fuse

This guide can help as well:

https://www.2carpros.com/articles/brake-lights-not-working

Check out the images (below). Please let us know what you find. We are interested to see what it is.
Nov 11, 2022 at 9:27 AM
Avatar
PHISCO65
  • MEMBER
  • 3 POSTS
Thanks for the detailed response. I pulled and checked the 4 suggested fuses with a multi-meter, and they are all good.

I noticed in the wiring diagram that the license plate light is included in this circuit. I checked those and the one on the left is burned out. This is on the same side as the brake light with which I’m having issues. I haven’t replaced it yet but will do so later today. Do you think that might have something do with the failure?
Nov 12, 2022 at 12:55 PM
Advertisement
Avatar
PHISCO65
  • MEMBER
  • 3 POSTS
I found the issue. When I went to replace the burned out left-side license plate bulb, I found the entire socket and housing to be wet and dirty. I cleaned and dried everything and replaced the bulb. Checked voltages and functionality before buttoning everything up.

All rear lights are now functioning normally. Thanks for sending the wiring diagram. It was very helpful in pointing me at the solution.
Nov 13, 2022 at 8:50 AM
Avatar
STRAILER
  • CERTIFIED EXPERT
  • 53,854 POSTS
Good to hear, please use 2CarPros anytime we are here to help.
Nov 14, 2022 at 9:59 AM