Left blinker

1999 GMC SONOMA
118,000 MILES • 2.1L • 4 CYL • RWD • AUTOMATIC
Avatar
SETTERGRENH
  • MEMBER
  • 80 POSTS
During the day my left blinker works, but at night it does not. It flashes once the stays on dim. That causes the left brake light not to work.The brake light works during the day but not at night. I have changed the socket too. Please help tired of getting pulled over!
Jul 18, 2017 at 3:18 PM
Advertisement
Avatar
STRAILER
  • CERTIFIED EXPERT
  • 53,855 POSTS
Hello,

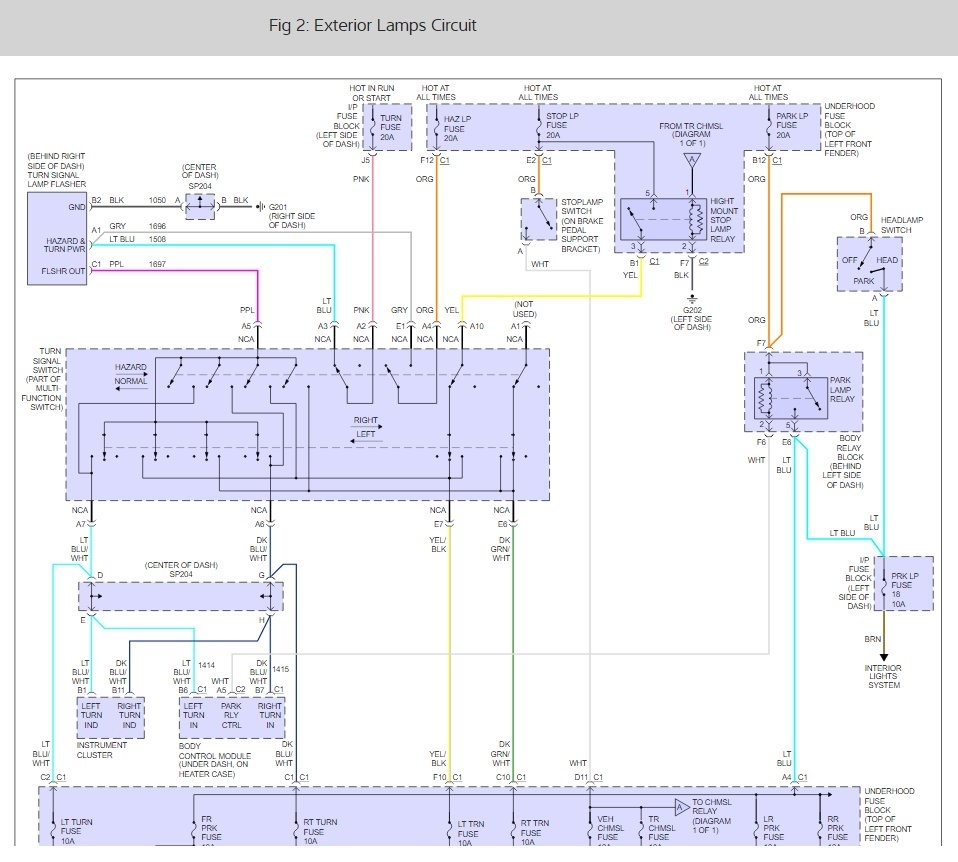
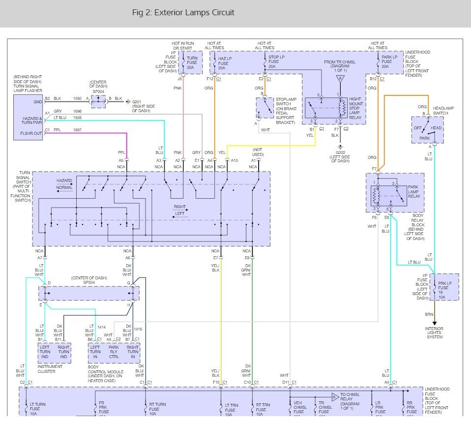
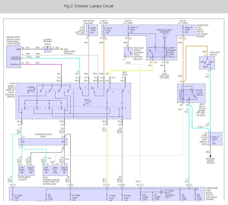
It sounds like you have a bad ground which is back feeding into the lighting circuits. Here are a couple of guides and some wiring diagrams (Below) that should help us get the problem fixed.

https://www.2carpros.com/articles/no-tail-lights-exterior-running-lights-tail-lights-out

and

https://www.2carpros.com/articles/turn-signals-not-working-blinker

and

https://www.2carpros.com/articles/how-to-use-a-test-light-circuit-tester

Please run some tests and get back to us we are interested to see what it is.

Cheers, Ken
Jul 19, 2017 at 12:11 PM