Lean code on bank 1 and bank 2?

2002 CHEVROLET SILVERADO
150,000 MILES • 5.3L • V6 • 2WD • AUTOMATIC
Avatar
TONY BRISENDINE
  • MEMBER
  • 5 POSTS
Long start smells of gas while starting with lean codes on both banks. Runs rough sometimes. I was having a misfire on cylinder 1 but after a full tune-up misfire resolved right now I’m getting lean code bank 1 and 2

I have installed a new fuel pump also.
Jul 21, 2024 at 10:13 PM
Advertisement
Avatar
STRAILER
  • CERTIFIED EXPERT
  • 53,854 POSTS
You will get lean codes with the engine misfiring; did you clear the codes after the tune up? Also, how did the spark plugs look? This engine has a fuel pressure regulator which I would remove the vacuum line from, if gas is present the regulator is bad, here is the location so you can check it out.

Even though you have a new fuel pump it could be defective. I would do a pressure test by following this guide.

https://www.2carpros.com/articles/how-to-check-fuel-system-pressure-and-regulator

You can rent the gauge at the auto parts store for cheap or free. If you have low fuel pressure you will smell gas when the engine is hard starting.

Measure with the Key On Engine Off with the fuel pump commanded ON.

Vin (V,T,U)
Fuel Pressure (gasoline) .................... 55-62 psi

Vin (Z)
Fuel Pressure (ethanol) .................... 48-54 psi

These specifications are taken from the Fuel System Diagnosis. For complete testing of fuel pressures and volume see Fuel System Diagnosis, See: Computers and Control Systems > Testing and Inspection

This guide can help as well

https://www.2carpros.com/articles/repair-lean-mixture-codes-p0171-or-p0174-on-some-manufacturers

Check out the images (below). Let us know how it goes.

Jul 22, 2024 at 10:26 AM
Avatar
TONY BRISENDINE
  • MEMBER
  • 5 POSTS
The fuel pressure regulator is attached to the back of my spider fuel injector just below throttle body, right? I have replaced the throttle body gasket both oval shaped one and the one that seals the top housing of the spider injector compartment, could I have a vacuum leak in that area?

Short TFT -1.0 -0.8
Long TFT 24.2
ShortTFT2 5.5
Long TFT 2 25%
Map 5.51
Rpm 700 idle warmed up
CL
MAF 0.73/ min

I have a cheap obd2 code reader and it gives me some stats.
Jul 22, 2024 at 6:55 PM
Advertisement
Avatar
STRAILER
  • CERTIFIED EXPERT
  • 53,854 POSTS
This engine does not use the spider fuel injector? Please look at the image I posted. With these numbers you could have a vacuum leak. I would use a smoke machine to check for a leak.
Jul 23, 2024 at 9:14 AM
Avatar
TONY BRISENDINE
  • MEMBER
  • 5 POSTS
This is the fuel injection system I have on my truck I think the picture is of updated version but it’s the same physical setup.
Jul 23, 2024 at 12:50 PM
Avatar
STRAILER
  • CERTIFIED EXPERT
  • 53,854 POSTS
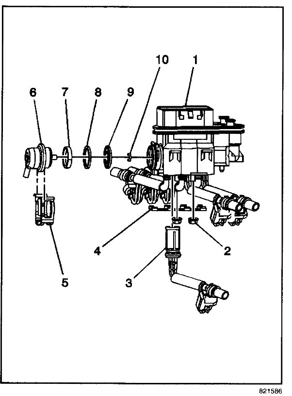
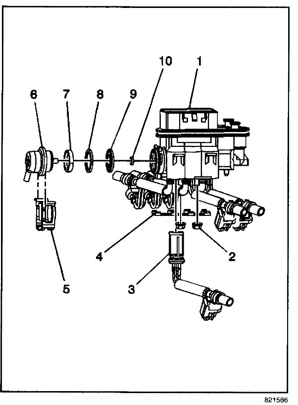
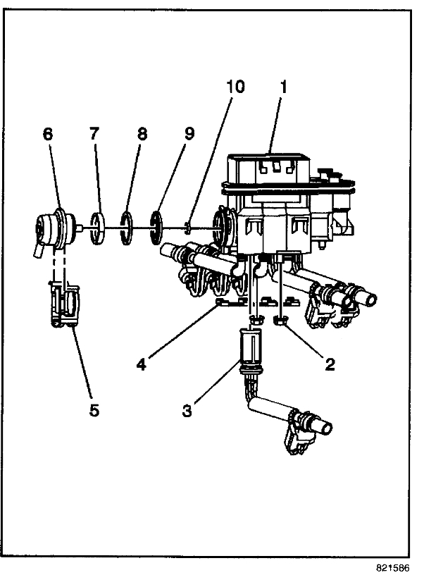
This injector is for the v6 engine. Can you confirm the engine size?
Jul 24, 2024 at 9:18 AM
Avatar
TONY BRISENDINE
  • MEMBER
  • 5 POSTS
4.3 v6.
Jul 24, 2024 at 1:59 PM
Avatar
TONY BRISENDINE
  • MEMBER
  • 5 POSTS
Could a small head gasket leak be causing this problem? I am losing coolant very slowly but the exhaust from back pipe seems to be ok has a little pu pu pu pu sound to it.
Jul 24, 2024 at 7:26 PM
Avatar
STRAILER
  • CERTIFIED EXPERT
  • 53,854 POSTS
That sound can be caused by low compression. But the fuel pressure regulator can still be bad, which they are known for in these engines. Here is how you check the 4.3-liter engine. Check out the images (below). Let us know how it goes.
Jul 25, 2024 at 9:30 AM