Leaking weep hole/water pump

1993 TOYOTA CAMRY
175,000 MILES • 2.2L • 4 CYL • 2WD • AUTOMATIC
Avatar
DREW SATTERFIELD
  • MEMBER
  • 1 POST
Hi there, my wife was driving the car on the highway and looked up and the car was steaming. she slowed down and seen the car was in low said radio was too loud. I got it back home but on the way home it would heat up and then a minute or 2 later would go back down. refilled all coolant got air out of lines and then it started leaking out of this small pre fab'd hole in the front of the water pump bracket it leaks now every time i turn the car off and then when i pull the radiator cap off is this the weep hole and would you suggest full water pump replace or perhaps maybe just the seal?
Mar 5, 2020 at 9:38 AM
Advertisement
Avatar
SCGRANTURISMO
  • CERTIFIED EXPERT
  • 4,897 POSTS
Hello,

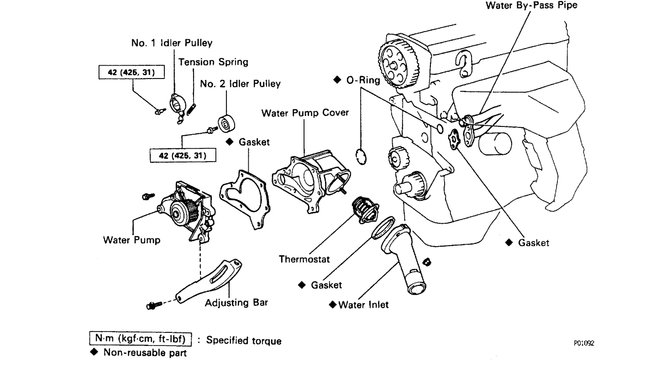
You need to replace the water pump. The weep hole is there because when the bearing starts to fail it let's coolant leak from around the shaft. The weep hole lets the coolant leak out before it reaches the bearing and causing the bearing to seize up and shredding the serpentine belt. In the diagrams down below I have included the instructions for the removal and installation of the water pump for your vehicle as well as the Original Equipment Manufacturer[OEM] part number for your reference. Please go through these guides and get back to us with how everything turns out.

Thanks,
Alex
2CarPros
Mar 5, 2020 at 10:37 AM