Leaking steering gear box removal

2003 CHEVROLET SILVERADO
160,000 MILES • 4.8L • V8 • 4WD • AUTOMATIC
Avatar
  • MEMBER
  • 1 POST
I replaced the power steering pump because was leaking six months ago and now the steering gear box is leaking.
How I removed the steering gear box in four wheel drive?
Sep 28, 2019 at 11:25 PM
Advertisement
Avatar
ASEMASTER6371
  • CERTIFIED EXPERT
  • 52,796 POSTS
Good morning.

Not easy on the 4 wheel drive.

I also attached a youtube video for you to view. It is the same as yours just a different model.

Roy

https://www.youtube.com/watch?v=KKeFqHLuRQ0

POWER STEERING GEAR REPLACEMENT - 2 (NON-RACK AND PINION)

REMOVAL PROCEDURE

TOOLS REQUIRED
- J 6632-01 Pitman Arm Puller
- J 24319-B Universal Steering Linkage Puller
- J 29107-A Pitman Arm Puller

1. Place a drain pan under the vehicle.
2. Remove the engine protection shield, if equipped.
3. For vehicles equipped with a 6.6L Diesel, remove the left charge air cooler hose.
4. Remove the power steering hoses from the steering gear.

NOTE: Refer to Power Steering Hose Disconnected Notice in Service Precautions.

5. Cap the ends of the hoses and the power steering gear in order to prevent any entrance of dirt.
6. Disconnect the intermediate shaft from the steering gear.


imageOpen In New TabZoom/Print

7. Remove the pitman arm to relay rod nut.


imageOpen In New TabZoom/Print

8. Disconnect the pitman arm from the relay rod using J 24319-B.


imageOpen In New TabZoom/Print

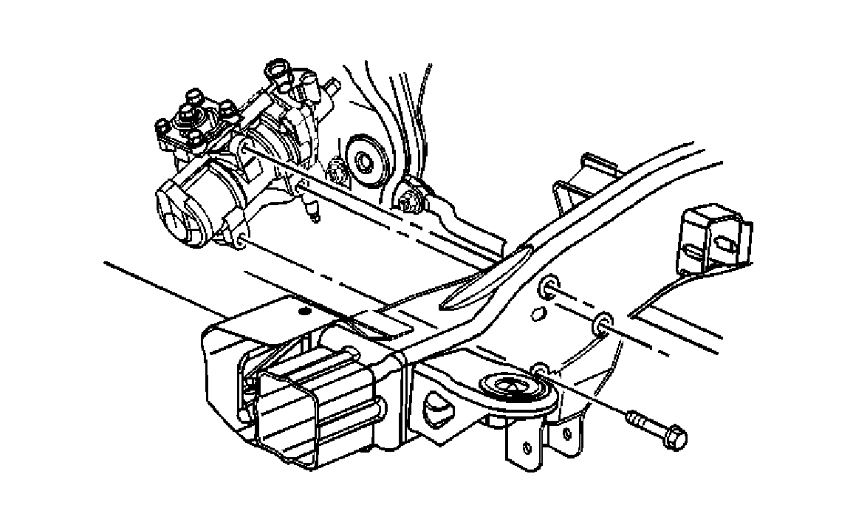
9. Remove the bolts retaining the steering gear to the frame.
10. Remove the steering gear from the vehicle.


imageOpen In New TabZoom/Print

11. Remove the pitman arm to the power steering gear retaining nut.


imageOpen In New TabZoom/Print

12. Remove the pitman arm from the power steering gear using J 6632-01 or J 29107-A.
Sep 29, 2019 at 5:13 AM