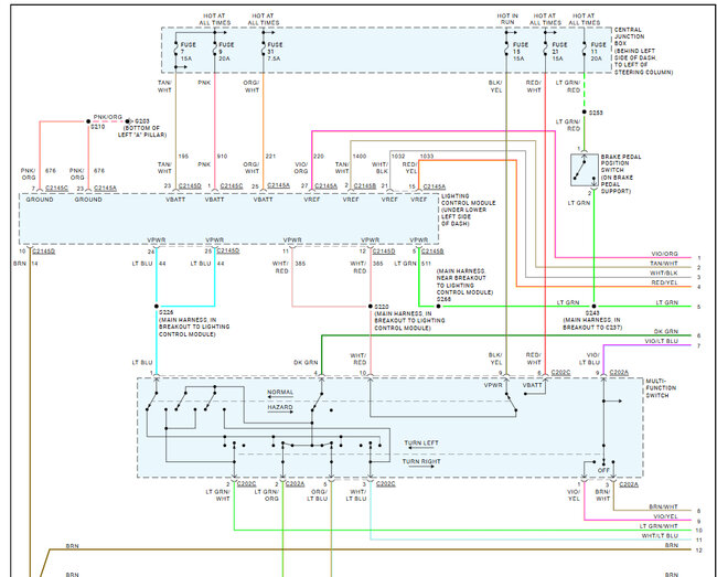
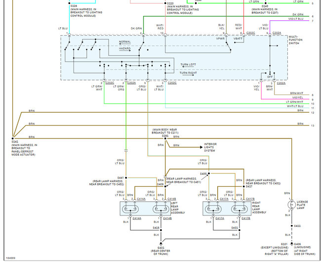
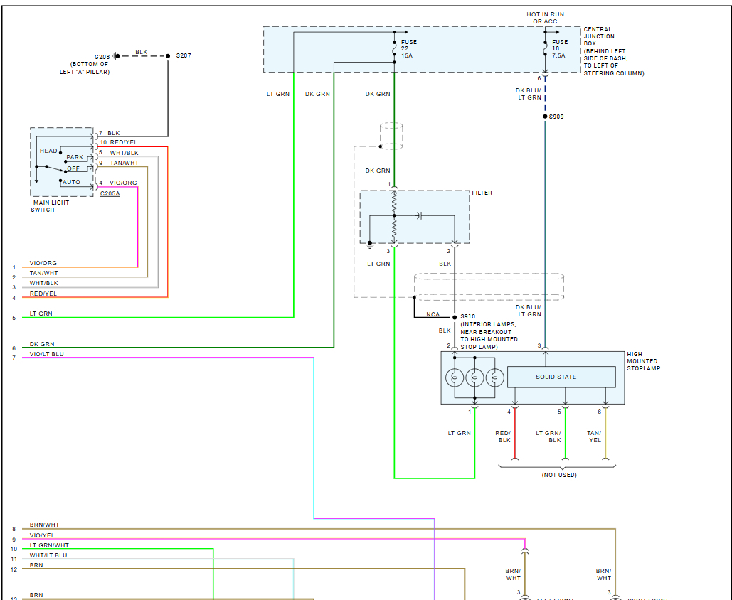
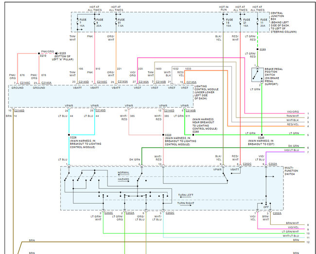
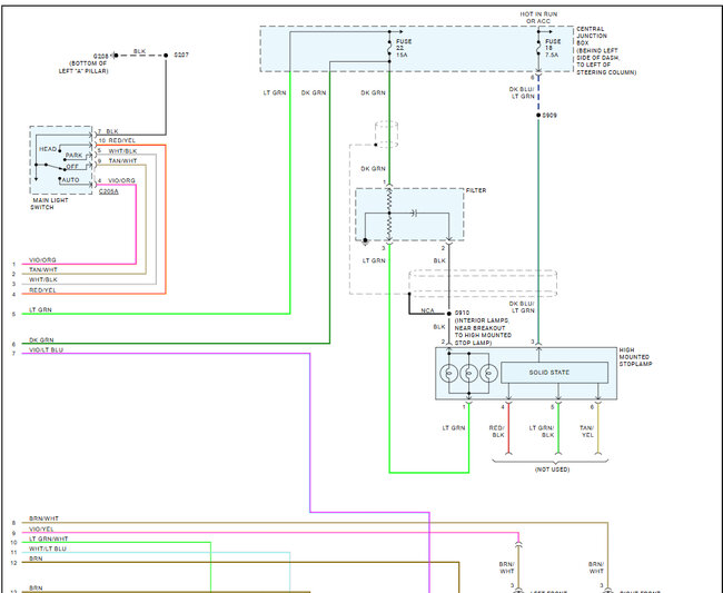
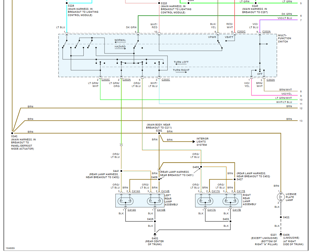
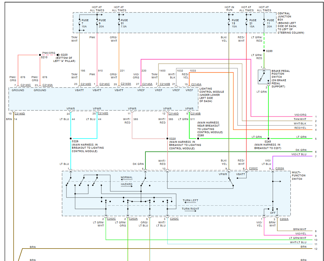
LCM is bad. I need to run a jumper wire from an accessory to the taillight wire, preferably by the LCM until my new one comes in.
Jun 12, 2025 at 11:17 AM
Advertisement
STRAILER
CERTIFIED EXPERT
53,855 POSTS
Good call, here is the lighting control module wiring diagrams so you can do the bypass. Check out the images (below). Let us know if you need anything else.